Sunday, September 17th, 2017 AT 1:08 PM
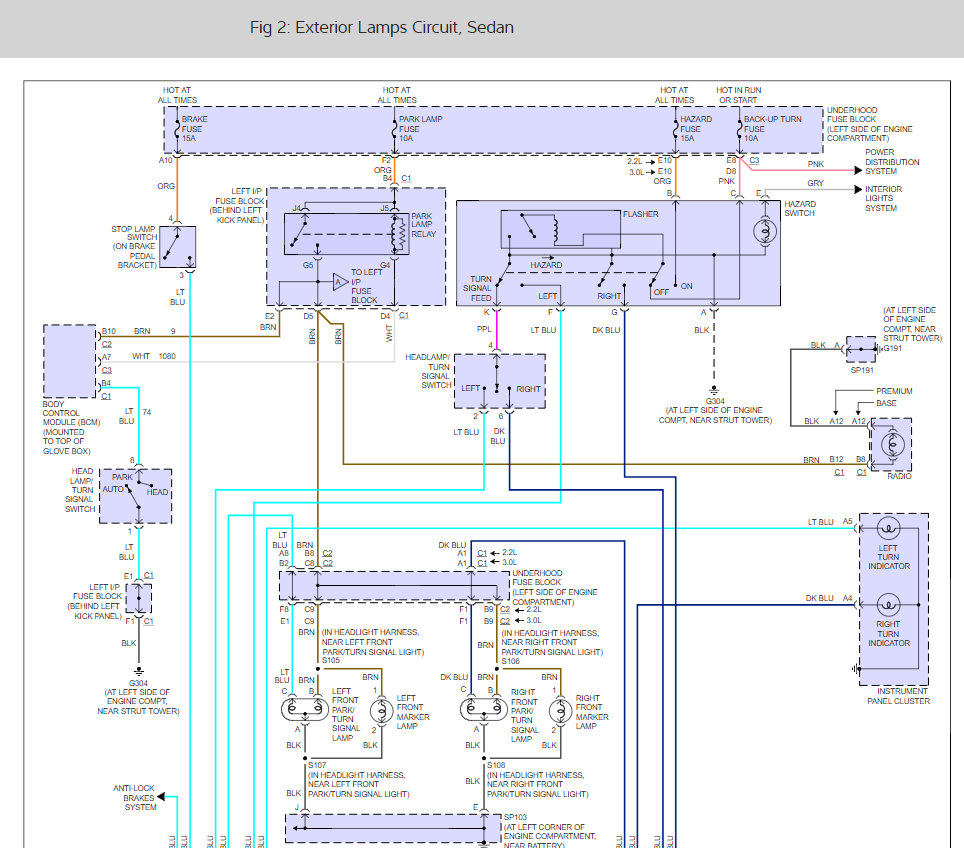
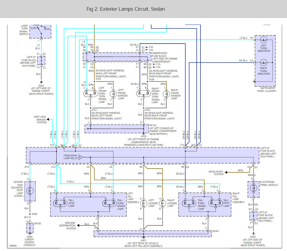
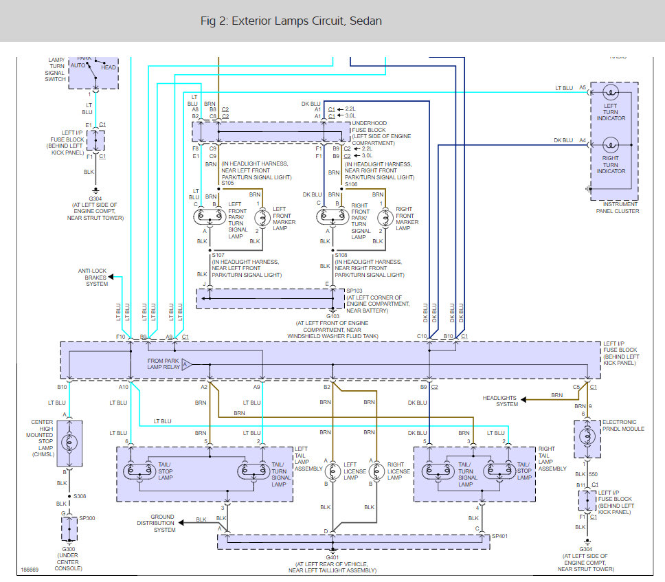
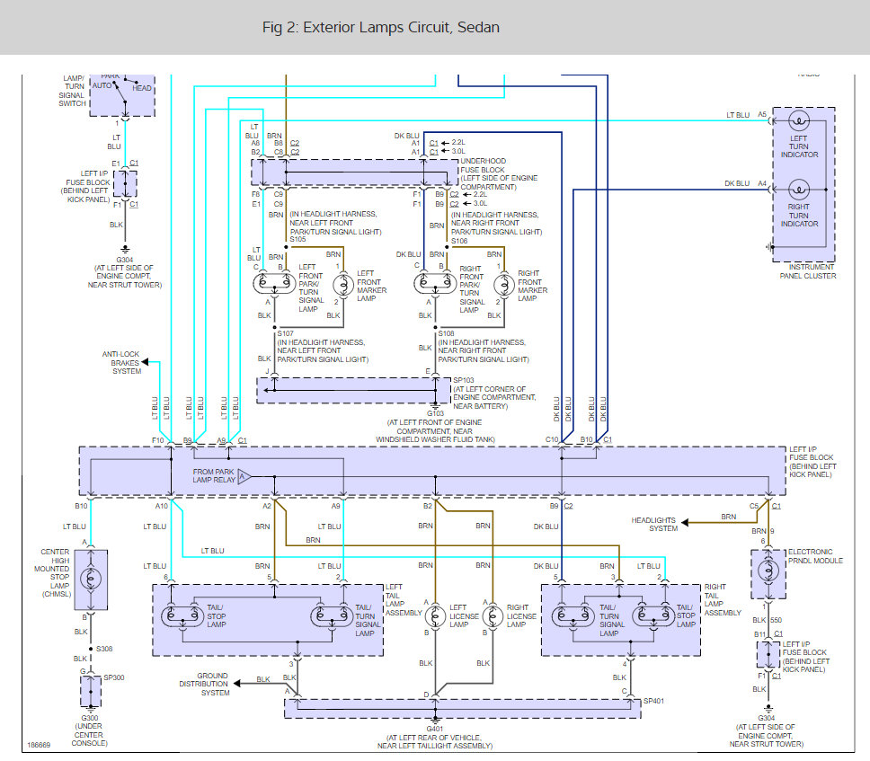
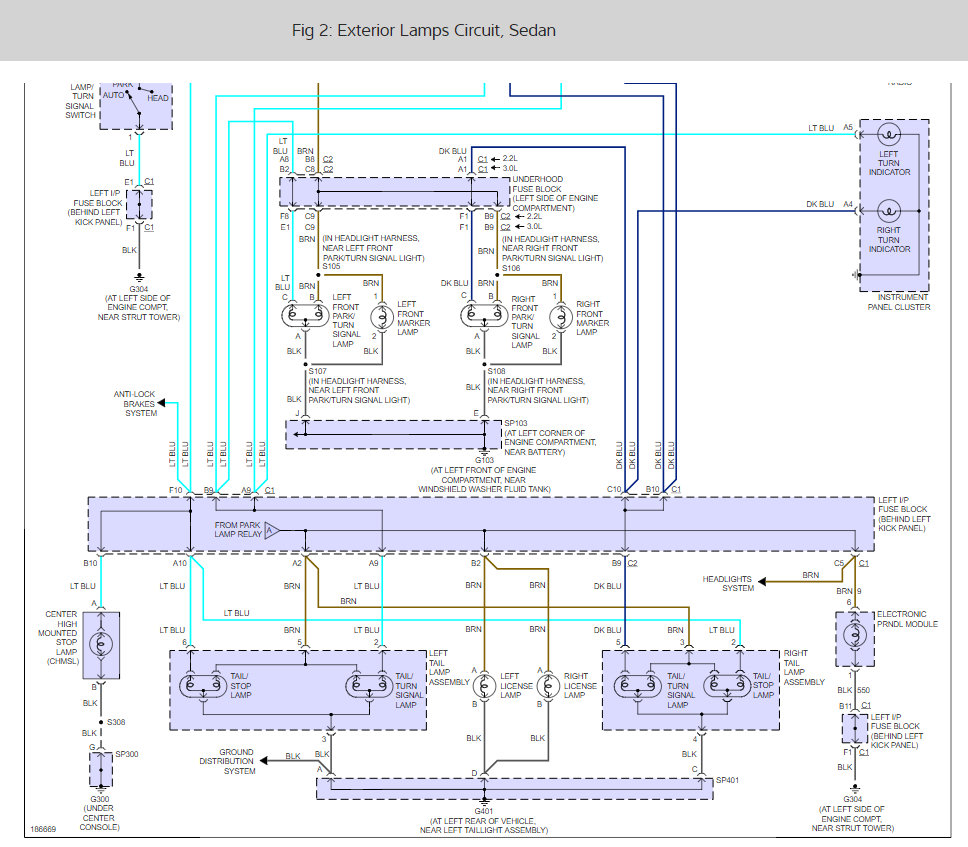
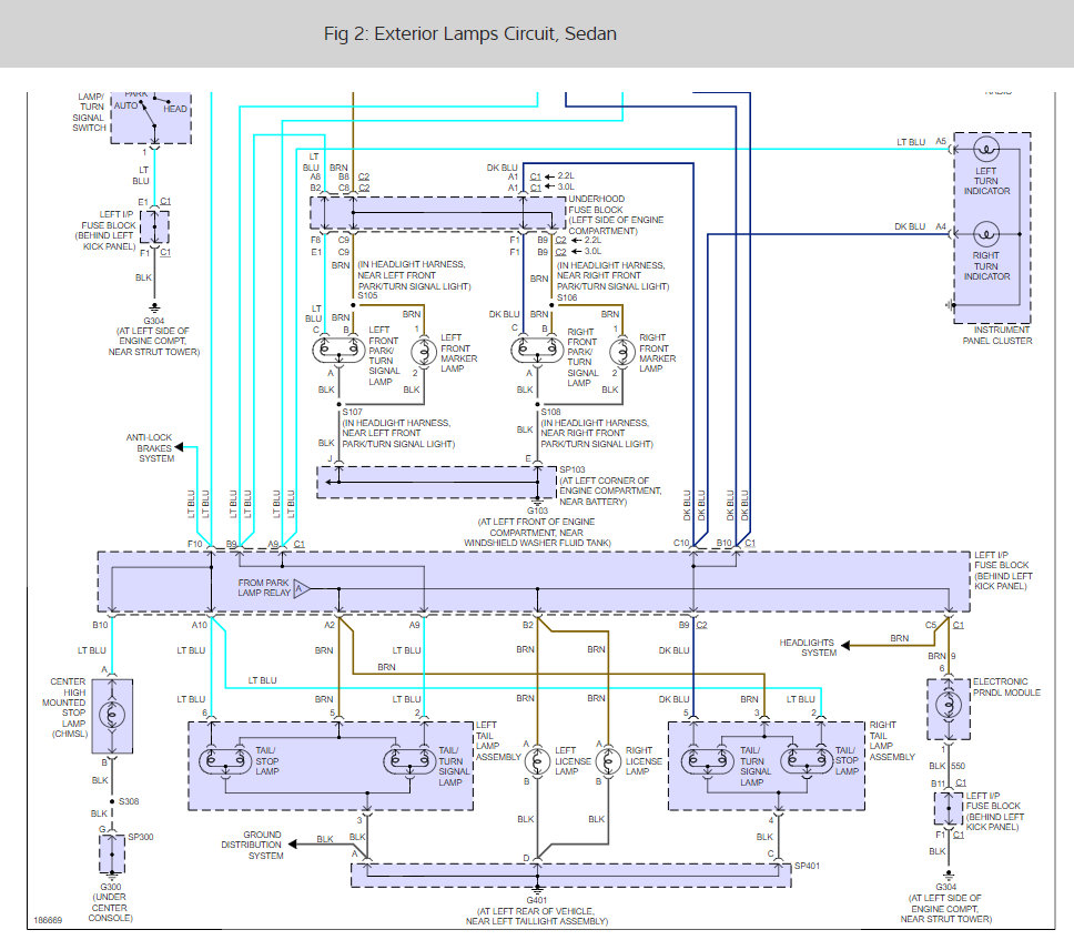
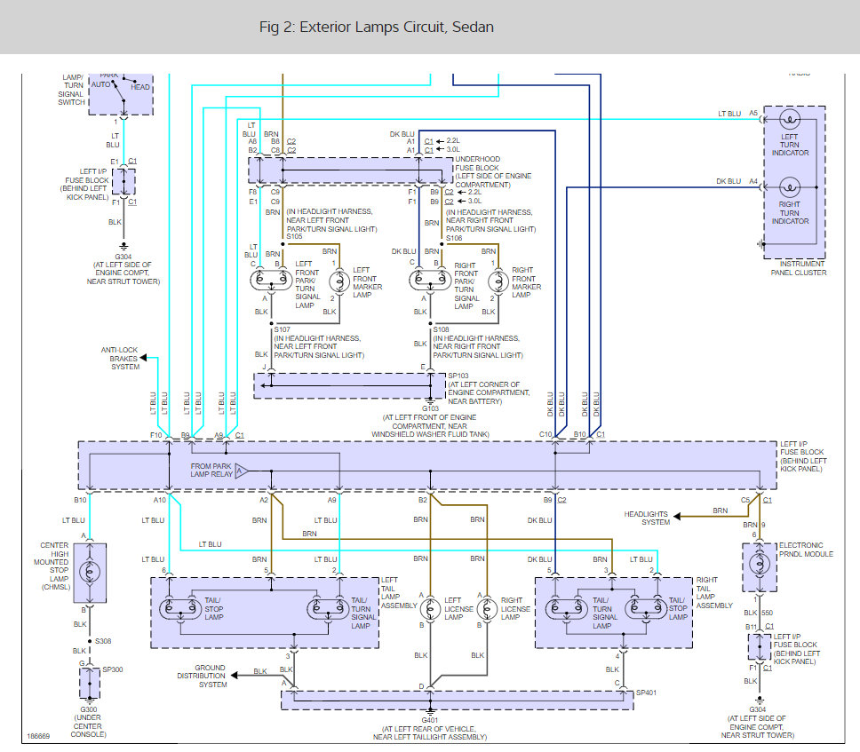
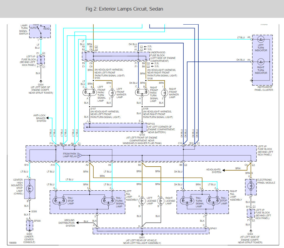
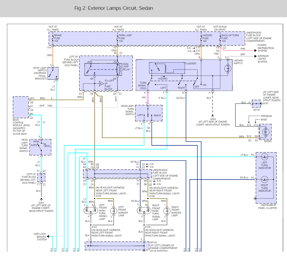
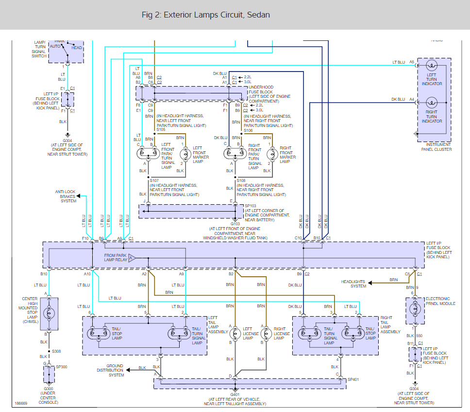
Turn signals only work when headlights are off. They stop as soon as the headlights are turned on. Four way flashers just buzz when turned on. Replaced turn signal/headlight switch and also flasher unit.



