HOME
ASK A QUESTION
REPAIR GUIDES
BECOME A MEMBER
LOG IN
Login with Facebook
OR
Remember me
NOT A MEMBER?
FORGOT PASSWORD?
CONTACT US
PRIVACY POLICY
TERMS AND CONDITIONS
☰
Home
Cadillac
Deville
Exterior Light
Headlight
Wiring
Headlights inoperative
OWEN ARMSTRONG
MEMBER
2003 CADILLAC DEVILLE
160,000 MILES
Headlight switch testing information needed.
Wednesday, April 4th, 2018 AT 8:26 AM
1 Reply
KEN L
MASTER CERTIFIED MECHANIC
55,488 POSTS
Hello,
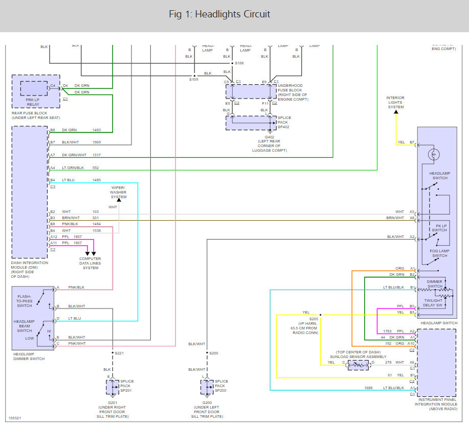
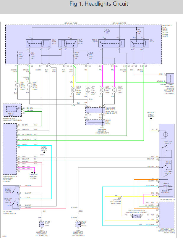
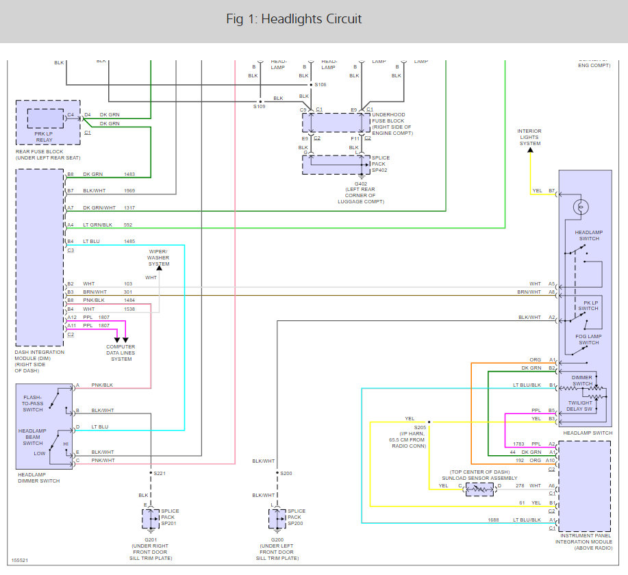
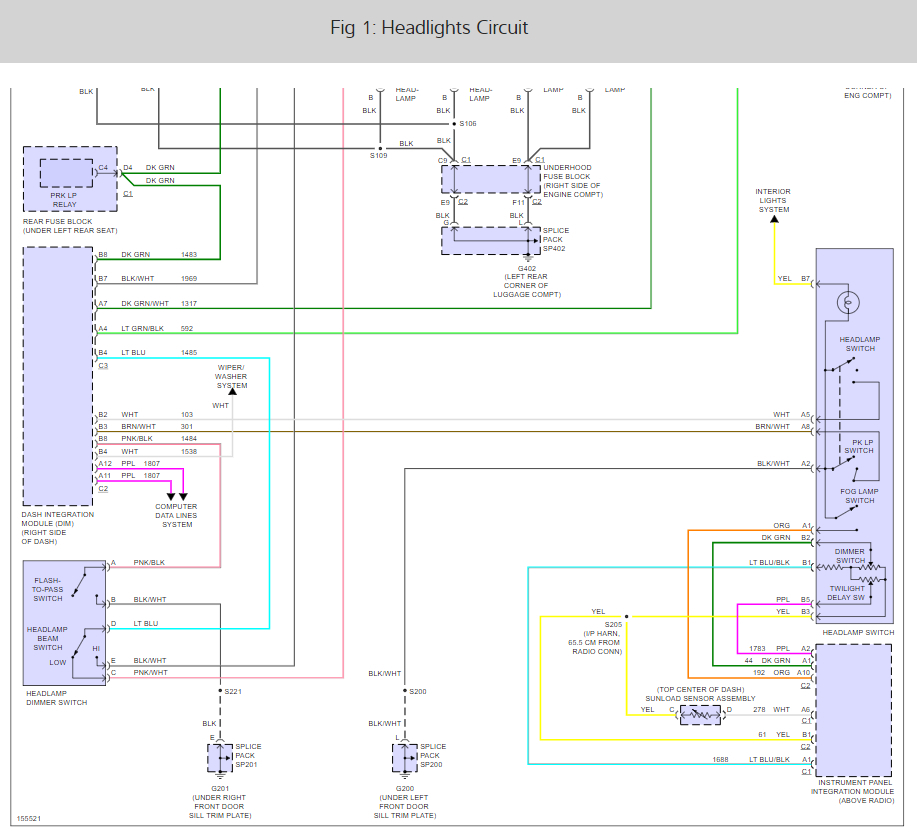
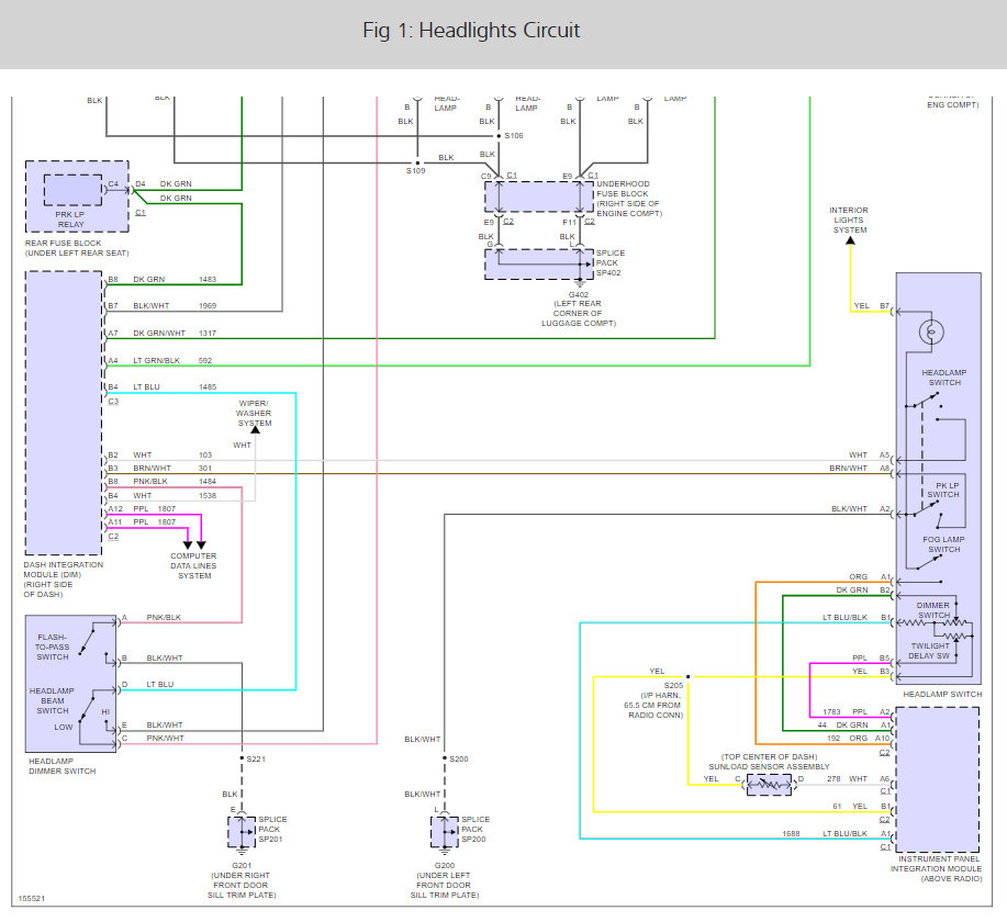
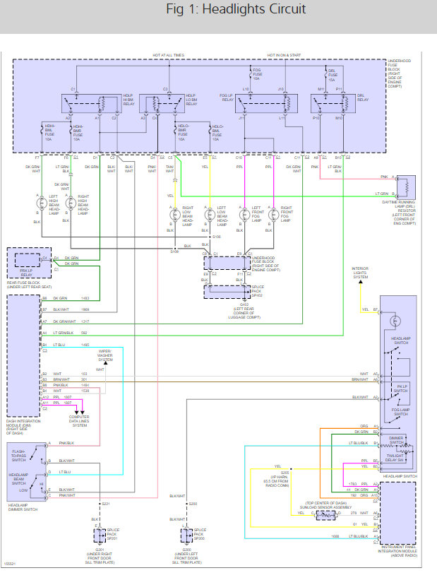
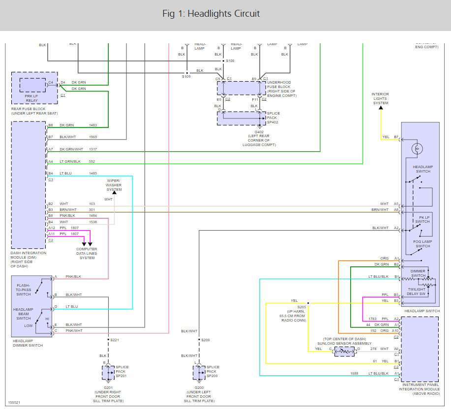
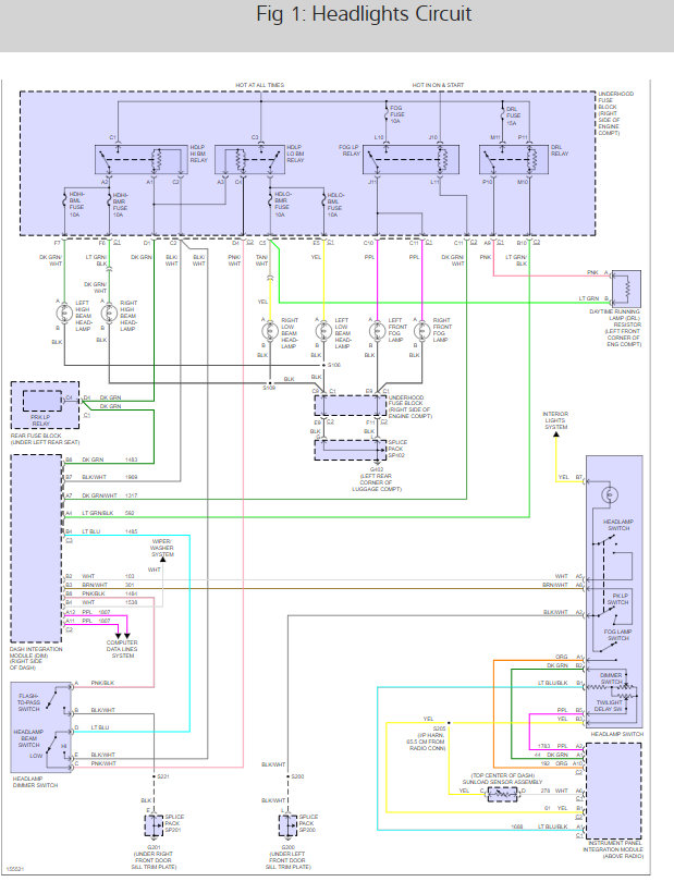
Here is a guide to help you see how to test for power lose and the headlight wiring diagrams as requested:
https://www.2carpros.com/articles/how-to-use-a-test-light-circuit-tester
Check out the diagrams (below).
Let us know what happens and please upload pictures or videos of the problem.
Cheers, Ken
Images (Click to make bigger)
Was this
answer
helpful?
Yes
No
Thursday, April 5th, 2018 AT 12:31 PM
Please
login
or
register
to post a reply.
Related Headlight Wiring Content
1996 Cadillac Deville Headlight Problem
My Cadillac's Headlights Recently Stopped Working. The Daytime Running Lights Come On As They Should, But Headlights Will Not Come On. I...
Asked by
taylor barrett
·
7 ANSWERS
2 IMAGES
1996
CADILLAC DEVILLE
1999 Cadillac Deville Headlight High Beams
Electrical Problem 1999 Cadillac Deville V8 Front Wheel Drive Automatic 158k Miles My Highbeams Do Not Stay On. Mechanic Replaced The...
Asked by
dant0349
·
1 ANSWER
1999
CADILLAC DEVILLE
2003 Cadillac Deville Headlight Bulb
Electrical Problem 2003 Cadillac Deville V8 Front Wheel Drive Automatic How Do I Get To The Headlight Bulb To Change It?
Asked by
mrod6009
·
1 ANSWER
2 IMAGES
2003
CADILLAC DEVILLE
Head Lights Wont Come On And Are Not Working
Electrical Problem V8 Two Wheel Drive 105000 Miles When It's Dark Out The Screen In The Car Says Headlamps Suggested Which Tells Me...
Asked by
akthetraveler
·
6 ANSWERS
1998
CADILLAC DEVILLE
1999 Cadillac Deville Headlight Assembly Replacement
How Do I Remove The Whole Headlight Assembly Can't See Some Of The Bolts.
Asked by
7545gi
·
6 ANSWERS
1999
CADILLAC DEVILLE
VIEW MORE
Ask a Car Question. It's Free!
Headlight Dim or Dull
Have a Dim Headlight? - Try Replacing This!
Turn Signals Blink Fast