HOME
ASK A QUESTION
REPAIR GUIDES
BECOME A MEMBER
LOG IN
Login with Facebook
OR
Remember me
NOT A MEMBER?
FORGOT PASSWORD?
CONTACT US
PRIVACY POLICY
TERMS AND CONDITIONS
☰
Home
Ford
Explorer
Exterior Light
Running Light
Not Working
Running lights and dash not working
JERIDILEY
MEMBER
1995 FORD EXPLORER
200,000 MILES
Replace or test? How to replace headlight switch? Running lights and dash not working. Headlight switch install.
Sunday, June 11th, 2017 AT 7:02 AM
1 Reply
KEN L
MASTER CERTIFIED MECHANIC
54,601 POSTS
Hello,
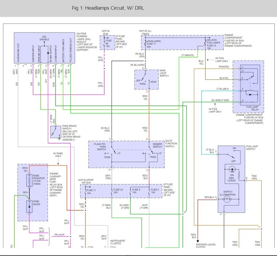
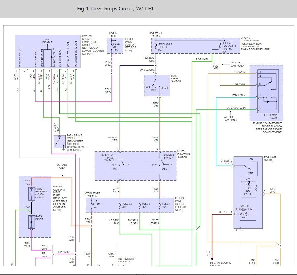
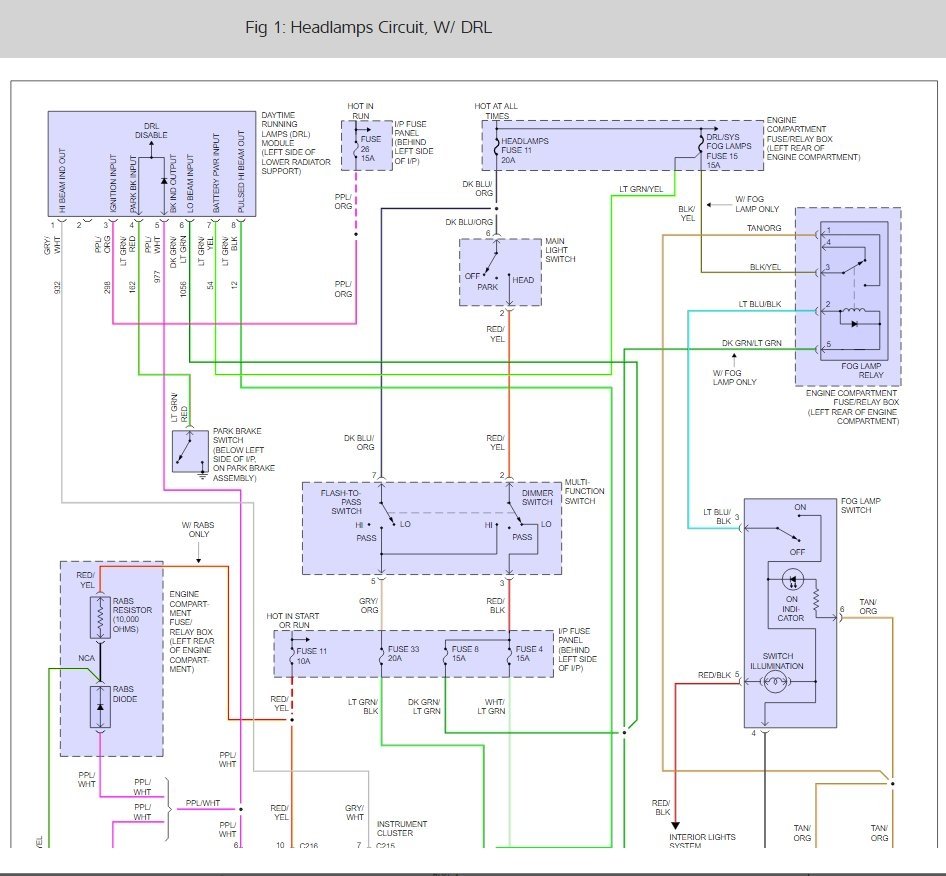
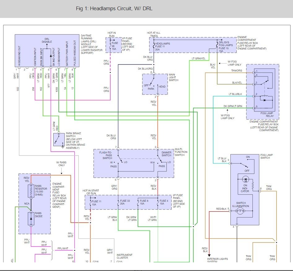
Here are some head light wiring diagrams (below) and a guide to help you test the circuit. Also there is some pictures of how to remove the switch
https://www.2carpros.com/articles/how-to-check-wiring
and
https://www.2carpros.com/articles/how-to-use-a-test-light-circuit-tester
Please let us know what you find.
Cheers, Ken
Images (Click to make bigger)
Was this
answer
helpful?
Yes
No
+1
Monday, May 10th, 2021 AT 1:37 PM
Please
login
or
register
to post a reply.
Related Running Light Not Working Content
2002 Ford Explorer Tail Light Won't Work.
My Driver's Side Tail Light Will Not Work. I Repalced The Bulb Twice. I Tried The New Bulb In The Passenger Side And The Bulb Worked, So...
Asked by
Proxmire13
·
5 ANSWERS
2002
FORD EXPLORER
No Brake Lights Or Tail Lights
1998 Ford Explorer 104,000 Miles 4.0 V6 4d 2wd Changed Bulbs And Checked Fuses. I'm At A Lost.
Asked by
hjks48
·
1 ANSWER
FORD EXPLORER
Rear Tail Lights
Turn Signals, Backup, Flashers, Brake Lights All Work, But No Parking Or Tail Lights.I've Replaced Bulbs, And Light Switch. The Lights...
Asked by
Bob22858
·
5 ANSWERS
1998
FORD EXPLORER
Left Rear Brake Light And Turn Signal Not Working
Left Rear Brake Light And Turn Signal Not Working. Have Changed Bulb, Socket And Checked Fuse On Dash By Drivers Door.
Asked by
john1eye
·
2 ANSWERS
2 IMAGES
2001
FORD EXPLORER
How To Disable Auto Lamp Feature
I Want To Disable The Auto Lamp In My '98 Explorer. I've Located The Five (5) Wires That Lead To The Auto Lamp Mirror: - White W...
Asked by
Dan Dimond
·
1 ANSWER
1998
FORD EXPLORER
VIEW MORE
Ask a Car Question. It's Free!
How to Use a Test Light
Have a Dim Headlight? - Try Replacing This!
Headlight Dim or Dull