Headlight switch removal instructions needed

1992 CADILLAC DEVILLE
49,000 MILES • 4.9L • V8
Avatar
DEEMS13
  • MEMBER
  • 2 POSTS
Hey guys, I’m needing help finding out about removing the headlight switch. Can’t find any info, will I have to rip out the whole dash or just the little plastic trim around the switch? I didn’t want to break the trim or do any unnecessary work. Thanks for any help! Also the previous owner pulled the nob plumb off, hence the removal.
Mar 8, 2021 at 10:30 PM
Advertisement
Avatar
STEVE W.
  • CAR REPAIR CONTRIBUTOR
  • 15,152 POSTS
If the shaft that pulls in/out is still there but missing the button you don't need to replace the switch. On the top rear of the switch there is a button, you push the button and pull out on the shaft and it will pull out of the switch. To replace it you simply place the shaft back into the hole and push in, you will hear a click and it will latch into the switch. You can usually reach up under the dash and get to the rear of the switch to get to the button. If not the trim panel with the switch will be removable with some screws and the switch and panel comes out.

The problem is getting the knob assembly to match yours. That part is supposed to be reused from the old switch so replacement switches don't come with them. You can get replacement switches with them but they are usually expensive. The last image is the piece you need to replace. The point on the end is the latch pin that the button releases. Yo can get somewhat generic ones in many places online.
This is the same style switch as yours has and how the shaft is removed. If you have the replacement handy you don't need to disconnect the wiring or battery because you would just slide the broken one out and push the new one in.

https://www.youtube.com/watch?v=wxZIjY8EbZ8
Mar 9, 2021 at 3:18 AM
Advertisement
Avatar
ASEMASTER6371
  • CAR REPAIR CONTRIBUTOR
  • 52,796 POSTS
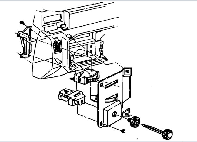
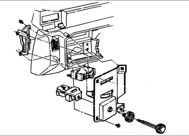
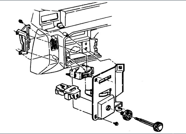
Good morning,

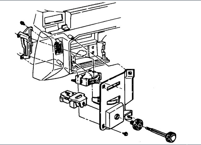
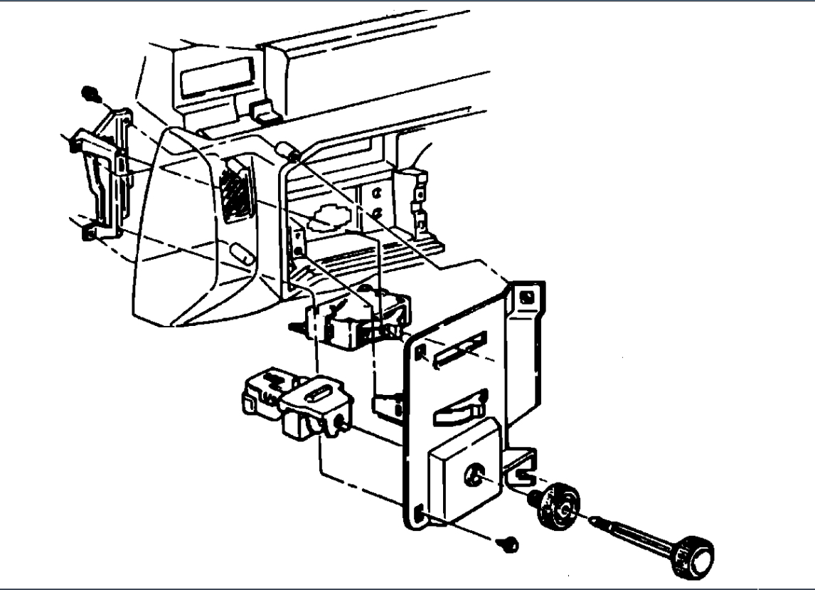
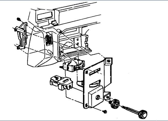
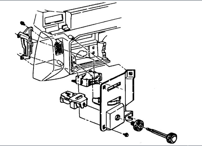
The plastic around the switch has to be removed to access the switch mount. I attached a picture for you of the switch location and what needs to be removed.

https://www.2carpros.com/articles/how-a-headlight-switch-works

Roy
Mar 9, 2021 at 3:21 AM
Avatar
DEEMS13
  • MEMBER
  • 2 POSTS
Thanks a lot, all I needed to know. Y’all take it easy.
Mar 9, 2021 at 8:17 AM
Avatar
ASEMASTER6371
  • CAR REPAIR CONTRIBUTOR
  • 52,796 POSTS
You are welcome.

We are always glad to help.

Roy
Mar 9, 2021 at 8:25 AM
Repair Safety Notice: This information is for general instructional purposes only. Vehicle repair can be dangerous. Verify all information, follow manufacturer service procedures, use proper tools and safety equipment, and consult a qualified repair shop when needed.