Thursday, May 20th, 2021 AT 10:44 PM
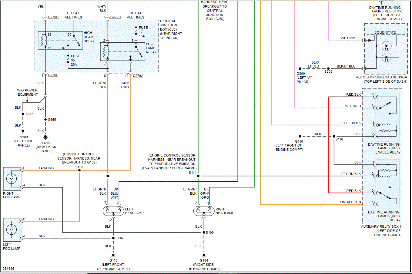
Look up new headlight assemblies the driver side module that has the small bulb all the new assembly the connector was messed up so I was told I can cut the wire the connector off the main braids negative to negative positive to positive. Well, it worked all the headlights works fine had to take to shop to get new wires for starter put on. I got the truck back. I went to hook up the light and accidentally touched the two wires. Made a tiny spark. However the high beams come on and not the daytime running lights nor the low beams the fog light only come on if the high beams are turned on the light for the turn signal/daytime running light only works if you switch to right turn signal or left turn. What is my next step? I don't have an owner's manual and I looked online on Google for the diagram and it's not giving me the exact proper location for it the only fuse panel I have is that the passenger floorboard to the right my brake lights work when I press the brake the other than that they don't turn on the rear turn signals work no problem.



