Monday, April 9th, 2018 AT 2:24 PM
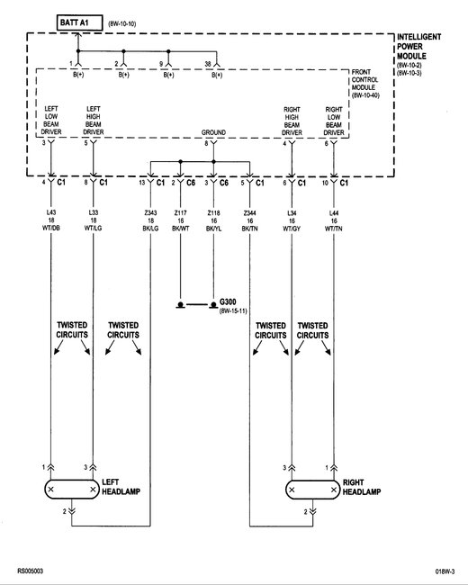
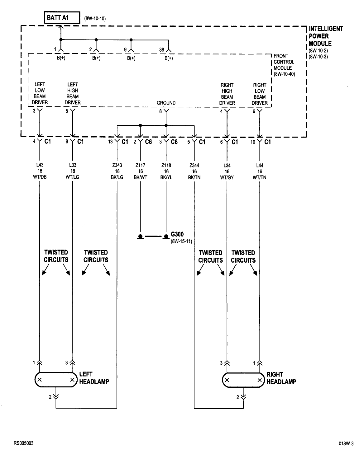
Low beam passenger side will not come on. All other lights work. New bulbs both sides. Pulled the FCM cleaned twice and added a little twist. Tried a new multi-function switch. So far nothing has helped. One thing I noticed the check engine light comes on with low beams and goes off with the high beams. Any guesses? Thanks for any advice. Also no codes pertaining to this issue.


