Monday, March 13th, 2023 AT 6:28 PM
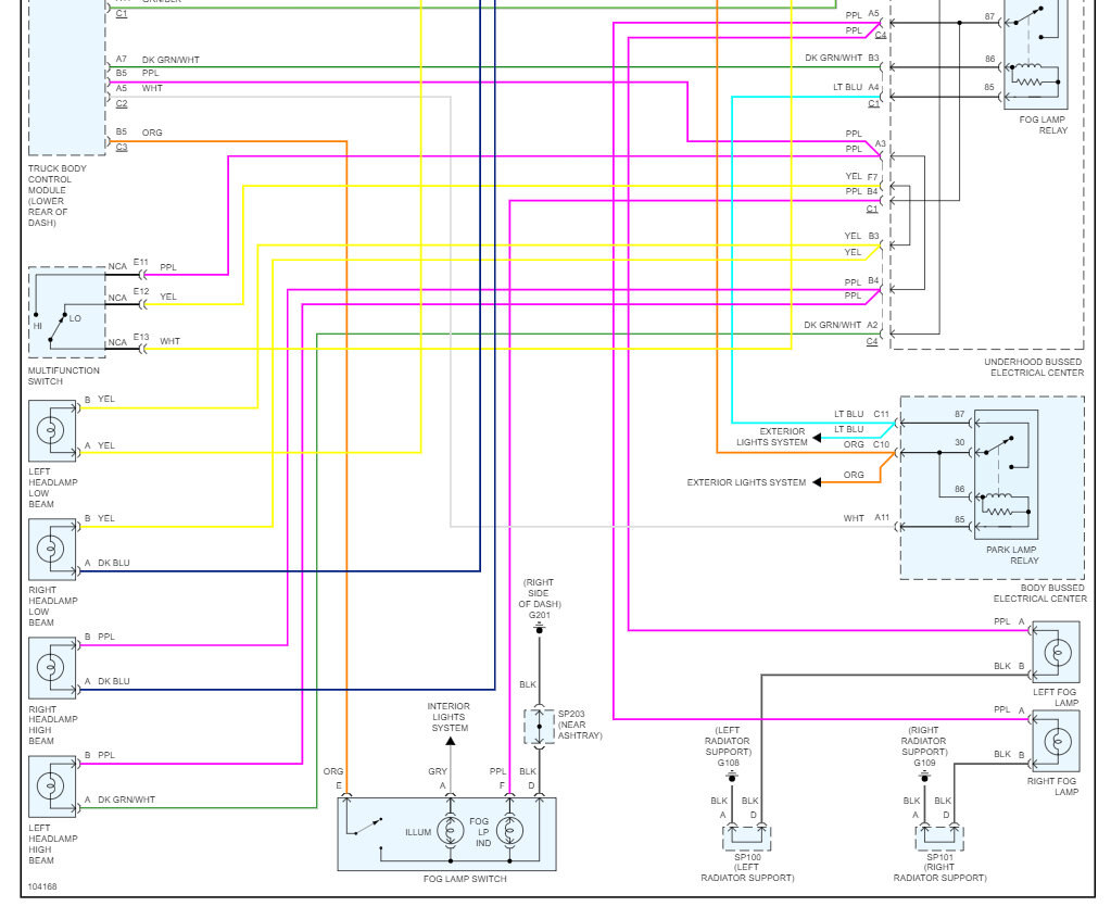
When I turn my truck off the headlamp relay begins to buzz and I’ve cleaned all grounds for headlight and switch relays and continues with this issue.


