Thursday, July 19th, 2018 AT 10:05 AM
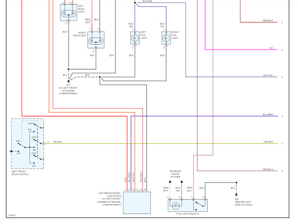
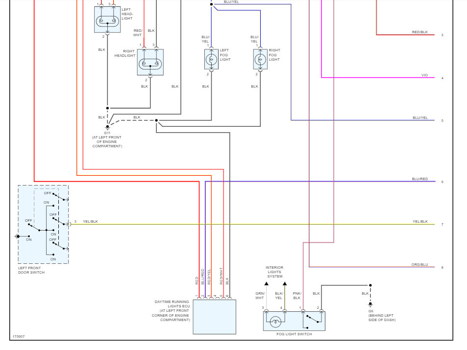
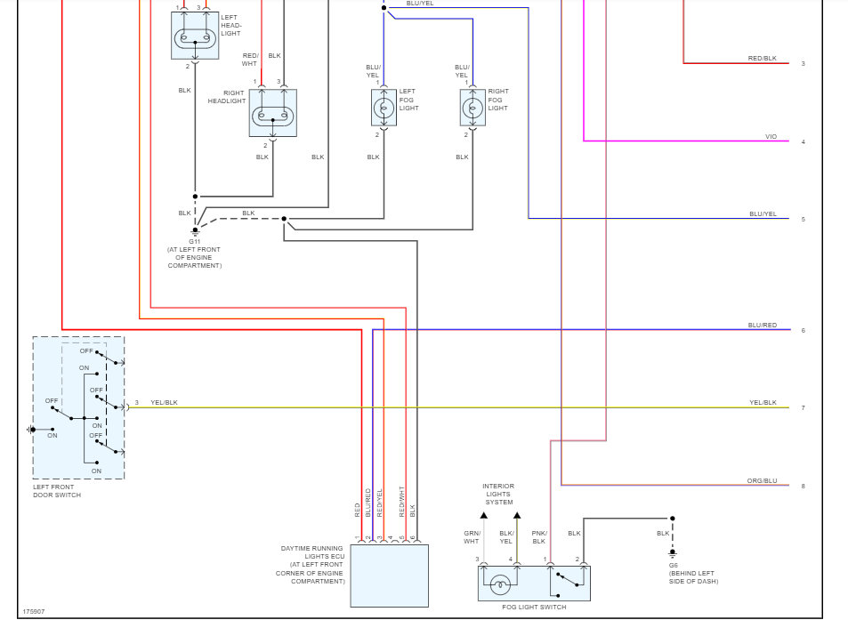
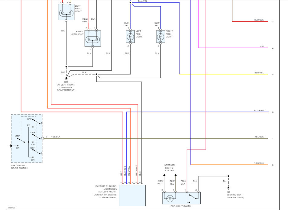
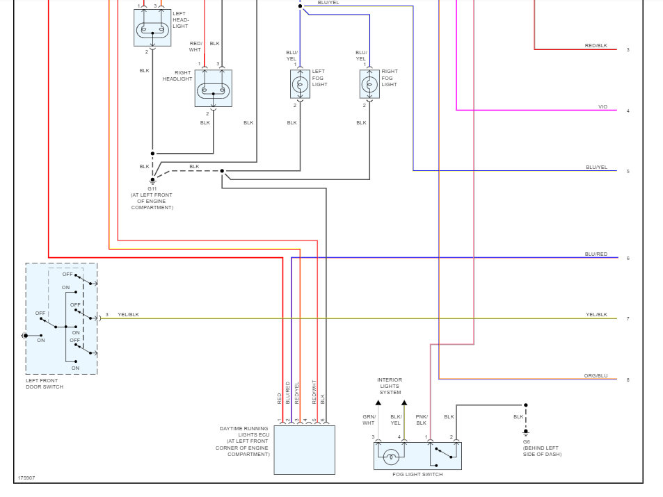
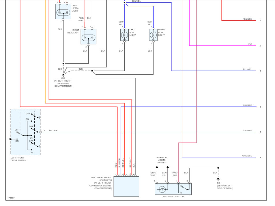
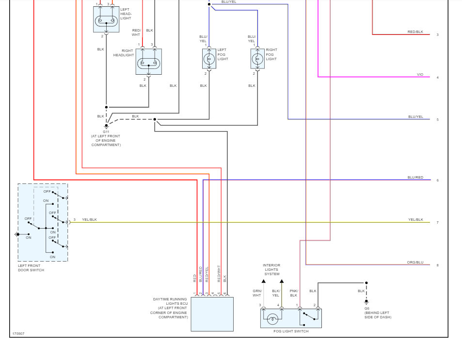
I am trying to replace the headlight assembly on my vehicle. The new headlights I ordered had a different socket from the one that was installed already in the car. I bought the correct socket for the new lights, but will have to rewire it to work. So what I did was cut off the socket on the car and connected the wires. After connecting the wires the bright lights work, the blinker works, but the regular headlight does not come on. I have tried every wire combo and still nothing. I do not know what I am missing here. Any help would be greatly appreciated.









