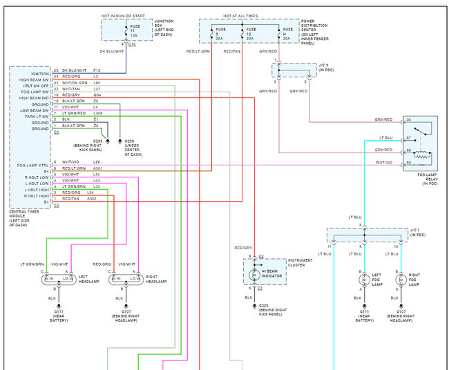
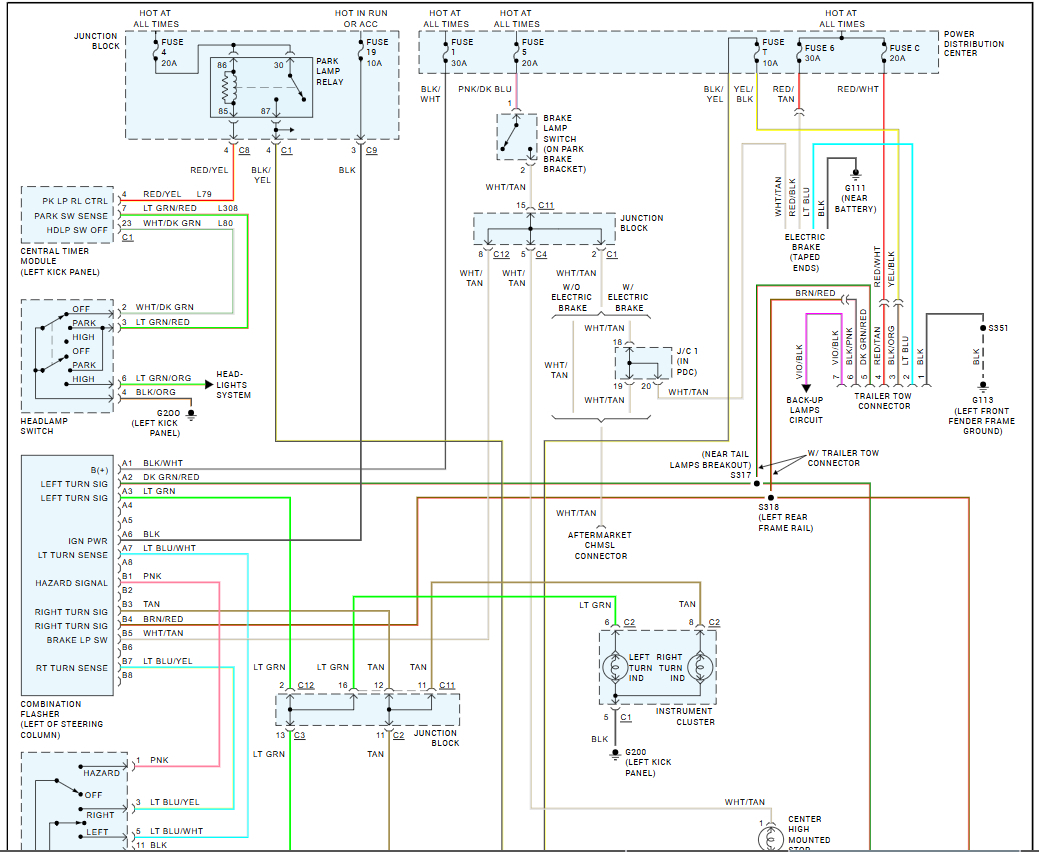
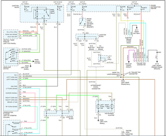
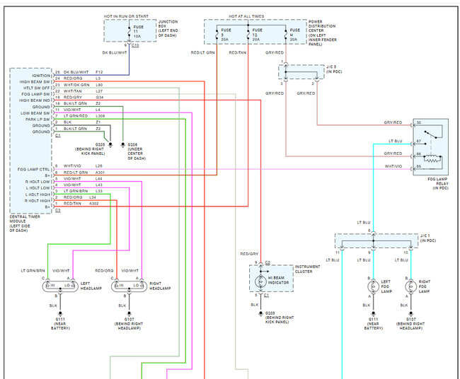
The vehicle listed above 4.7 v8 quad cab.
Driver side headlight wire colors from switch are 3 solid green one green with blk stripe and one violet with white stripe. I don't know which color goes where. There is no harness I'm hooking them direct. My outside marker driver side has 2 wires blk and a blk with yellow stripe. Middle marker 3 wires.
1 green
1 blk/yellow stripe
1 blk
Inside marker 2 wires
1 blk
1 blk yellow stripe
Head light
1 blk
1 blk yellow stripe
1 green
Sunday, March 16th, 2025 AT 4:45 AM




