Saturday, September 25th, 2021 AT 3:04 PM
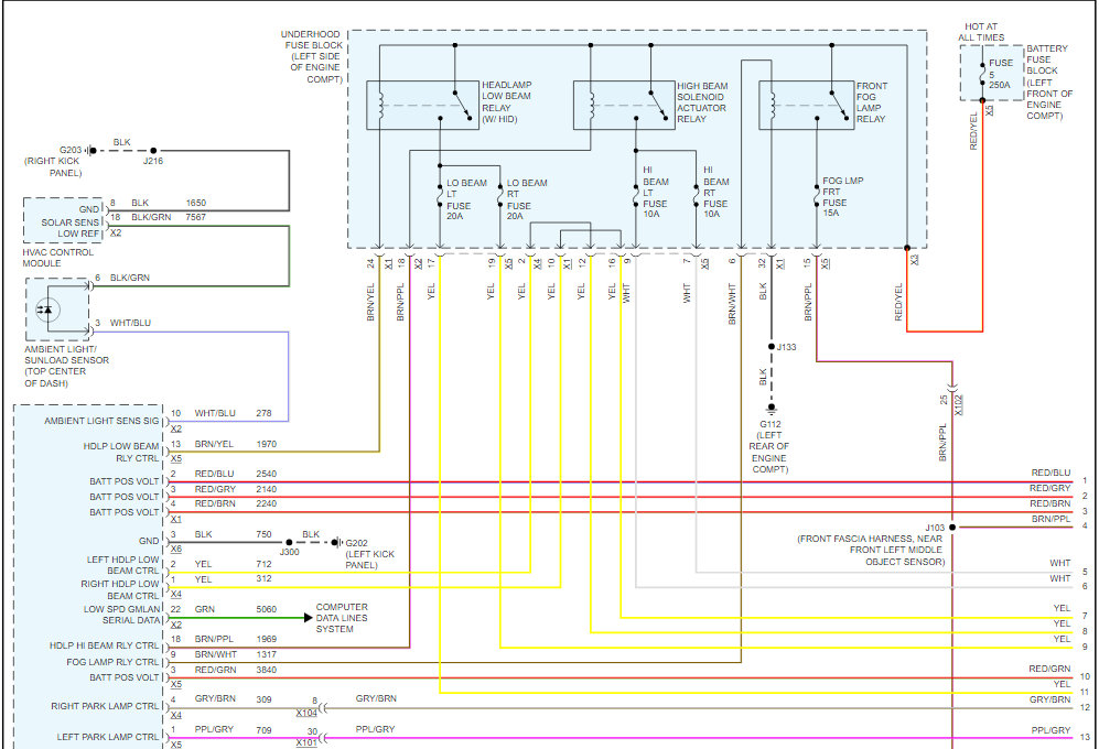
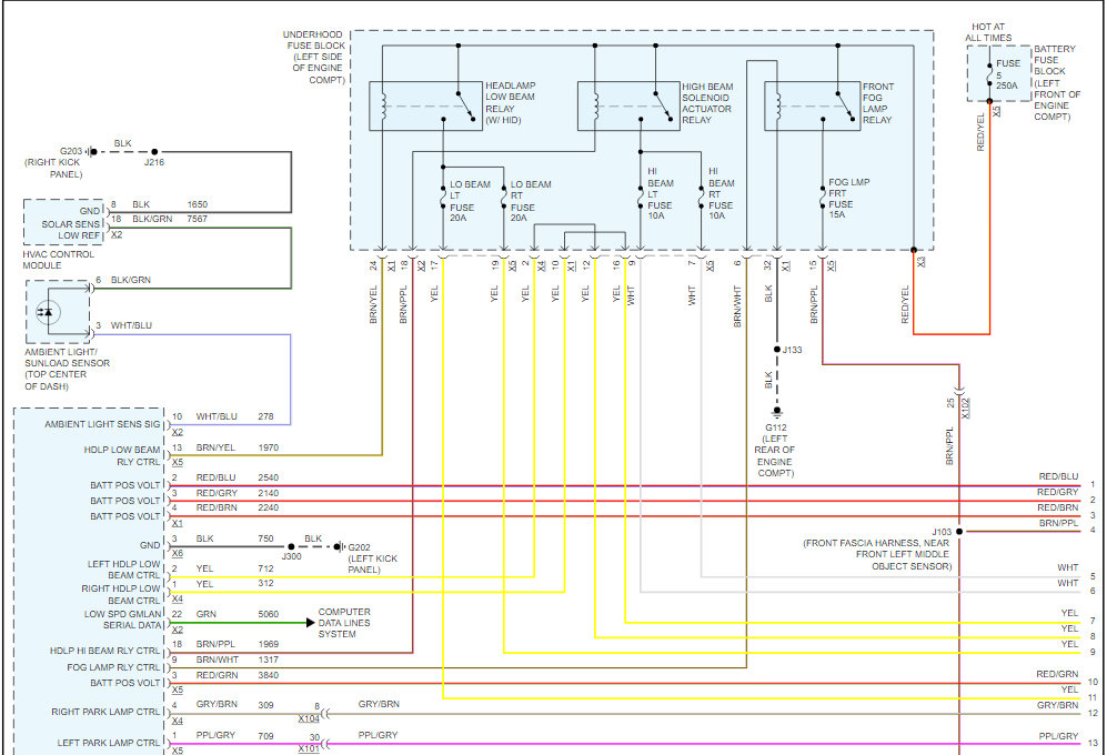
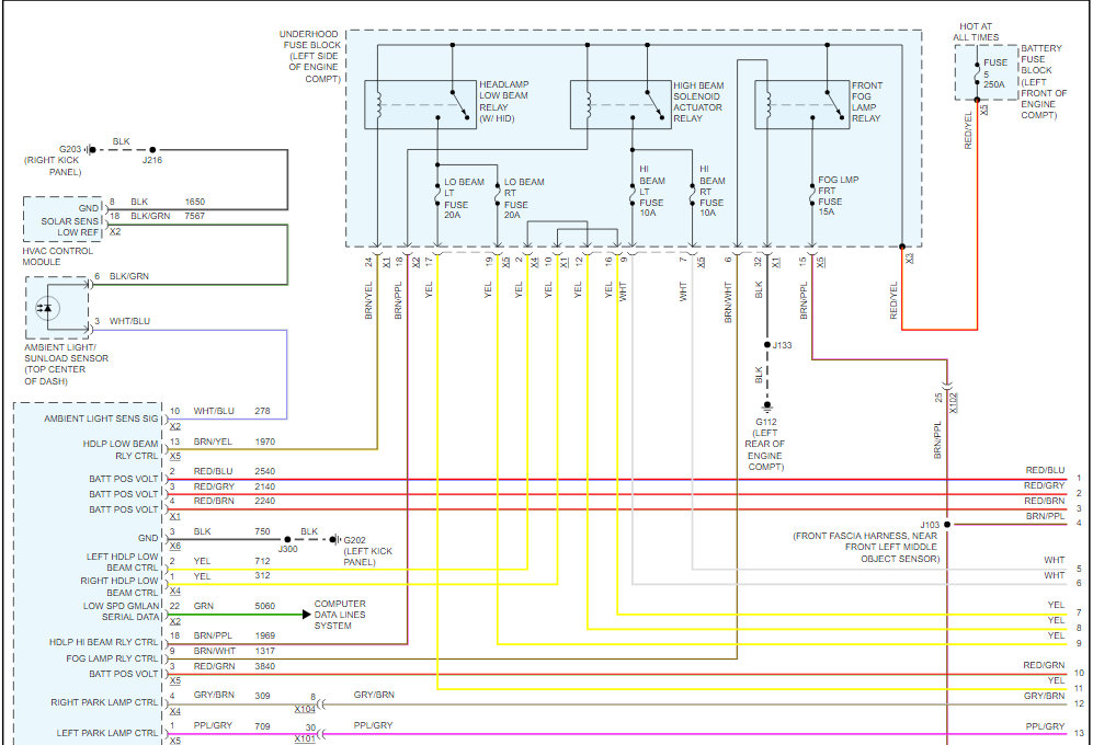
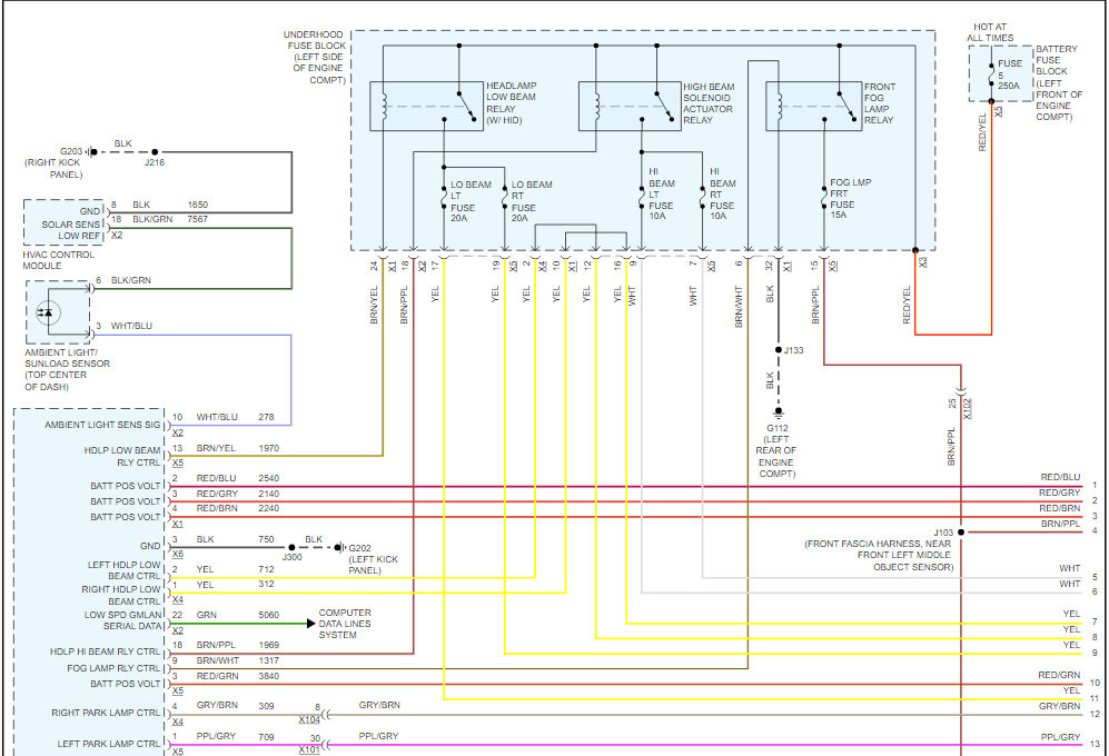
I've looked at all 3 fuse panels and cannot find it. Pulled every fuse in the panel under the hood and the good headlight never went out.





