Wednesday, November 22nd, 2017 AT 12:34 PM
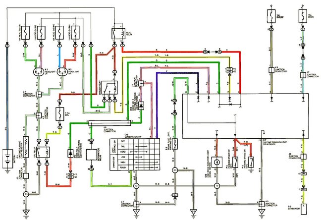
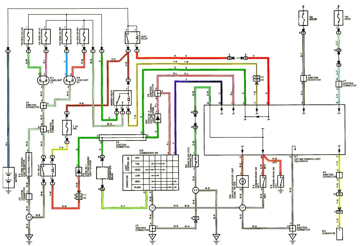
No low or high beams. When first noticed no low beams high worked but no high beam indicator. Now no head lights at all. Not the switch, replaced the relay in fuse block. Lost!



