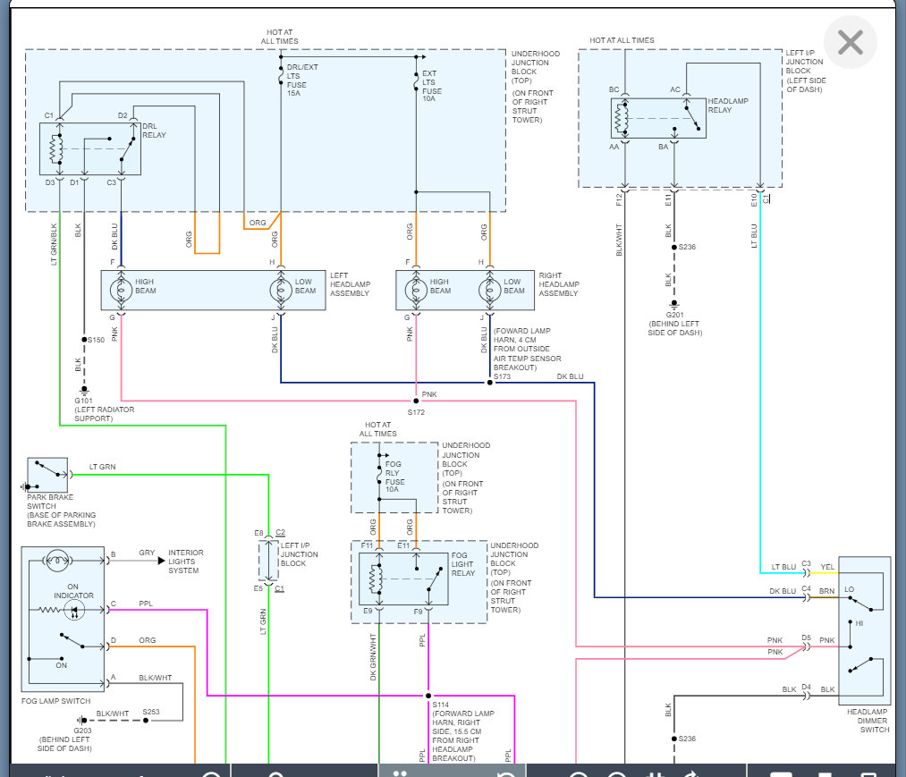
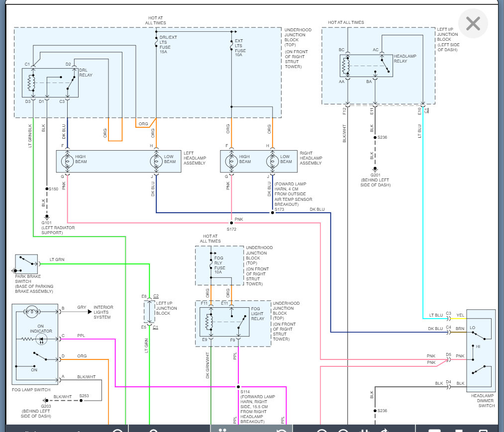
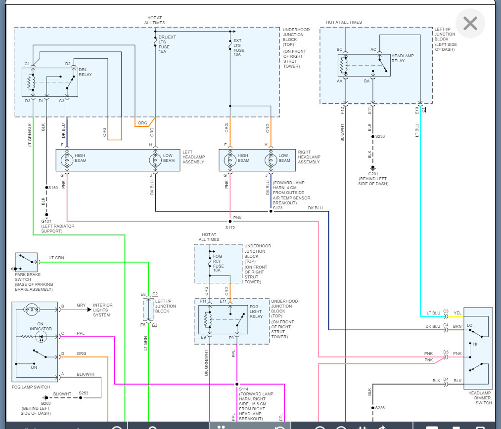
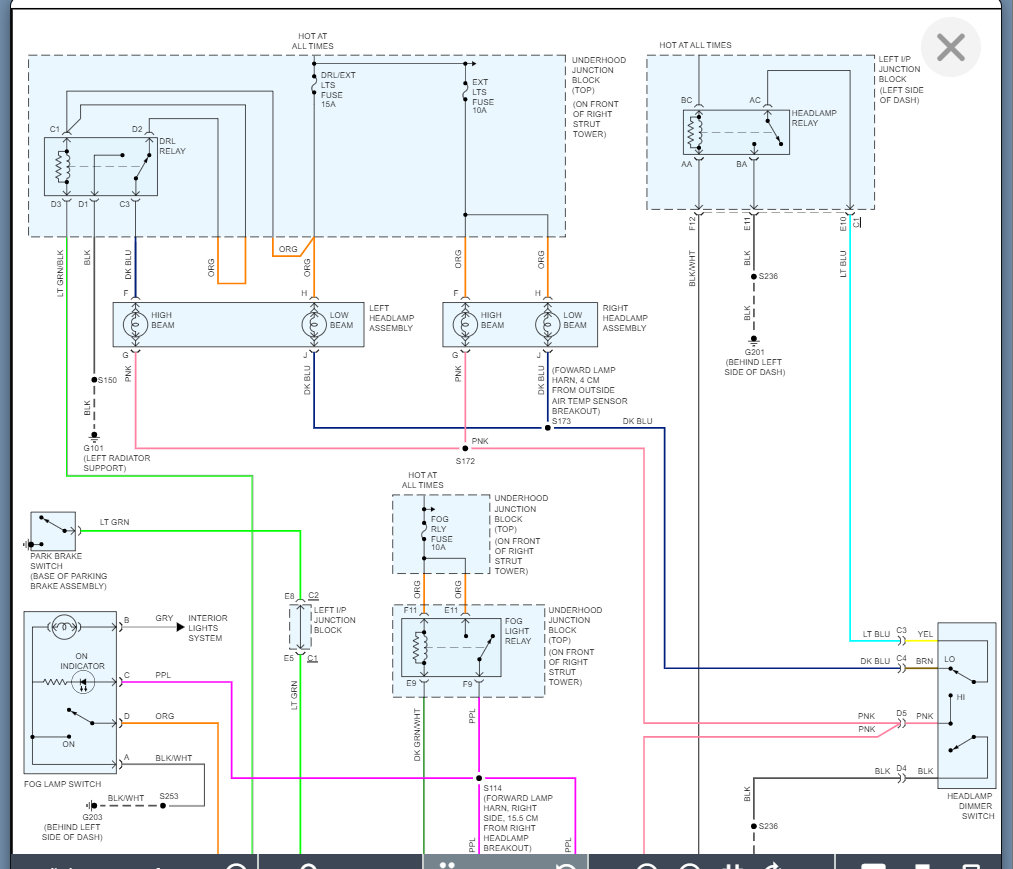
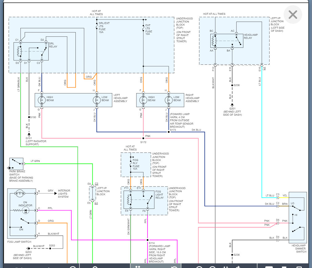
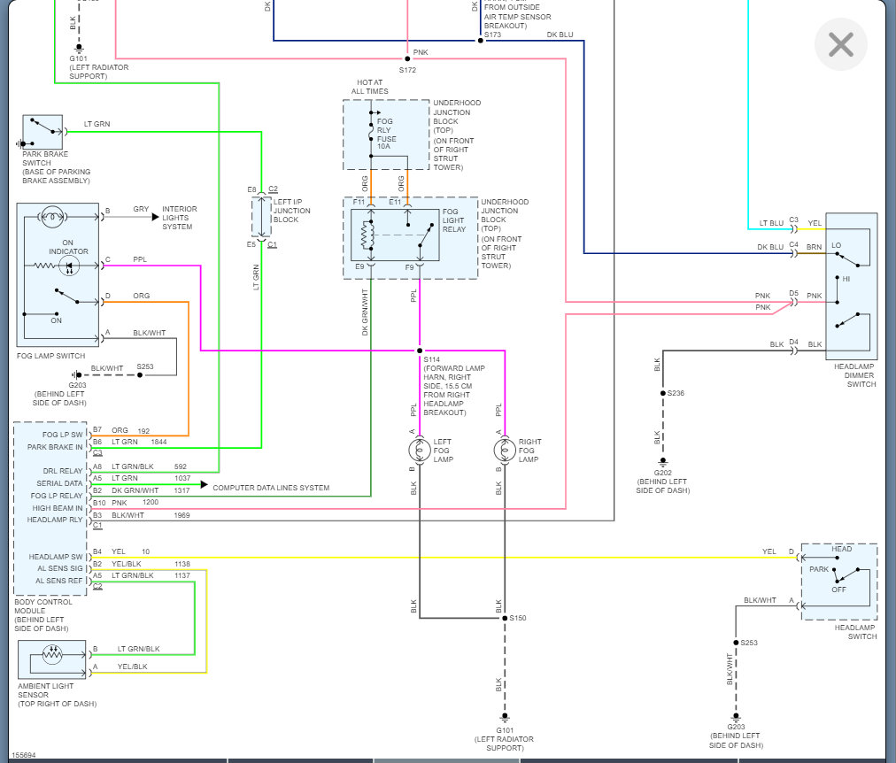
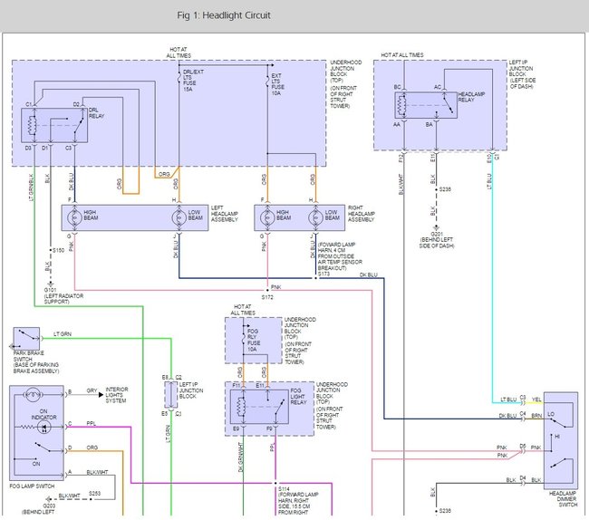
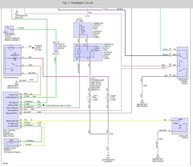
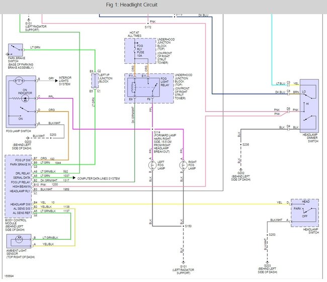
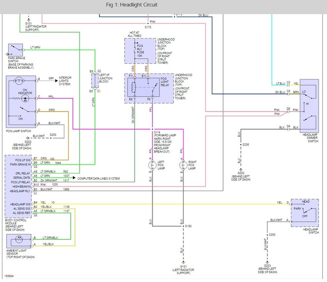
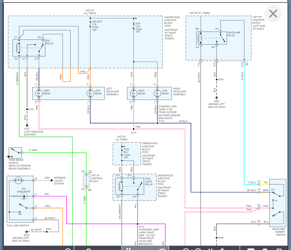
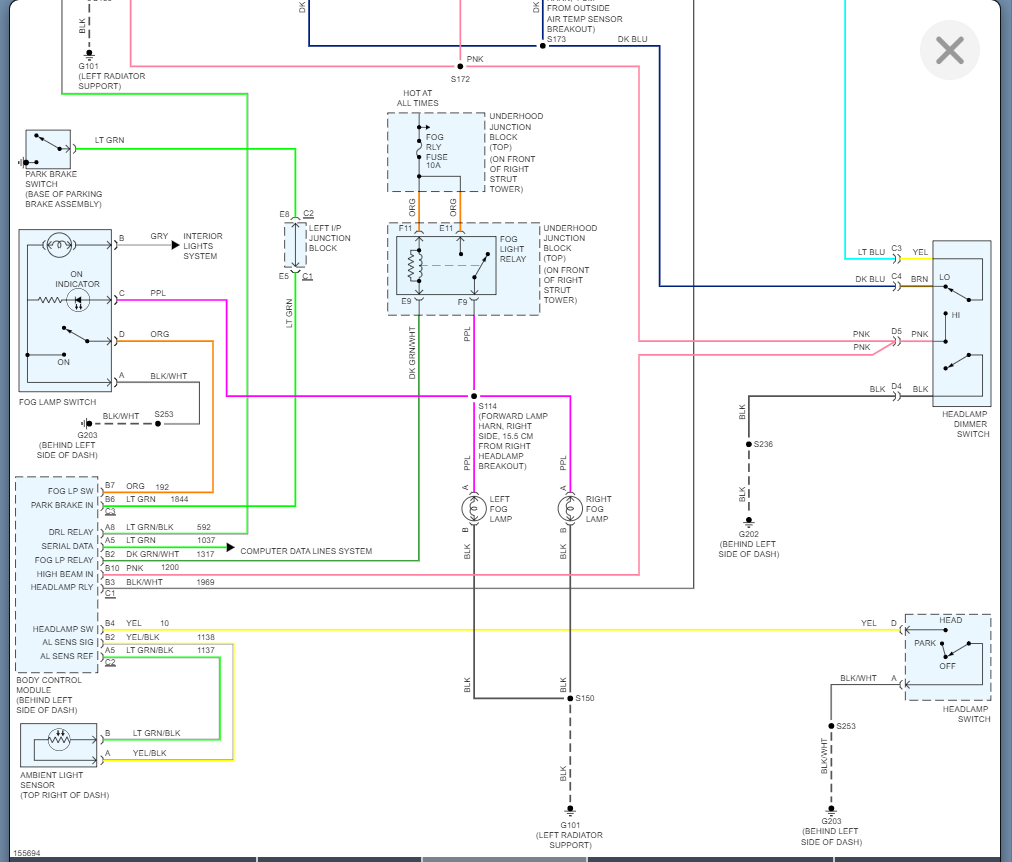
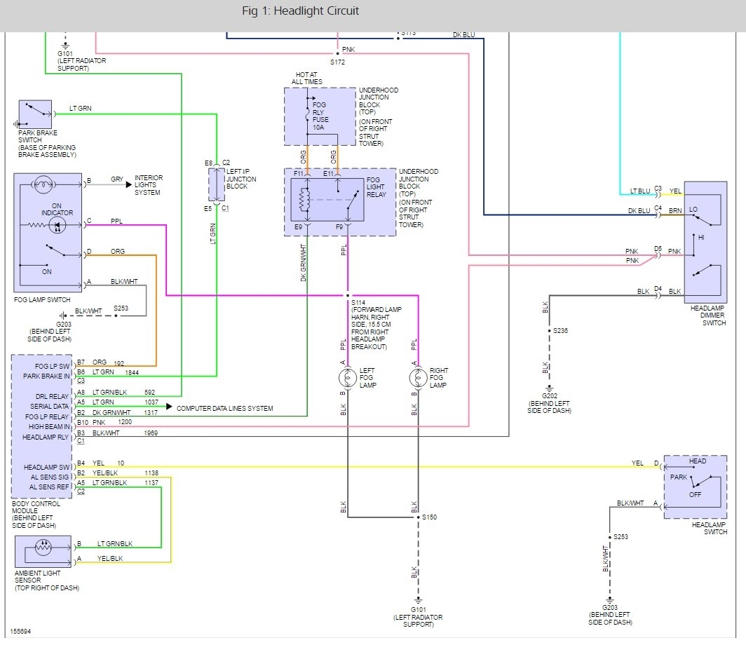
Thursday, March 14th, 2019 AT 6:45 AM
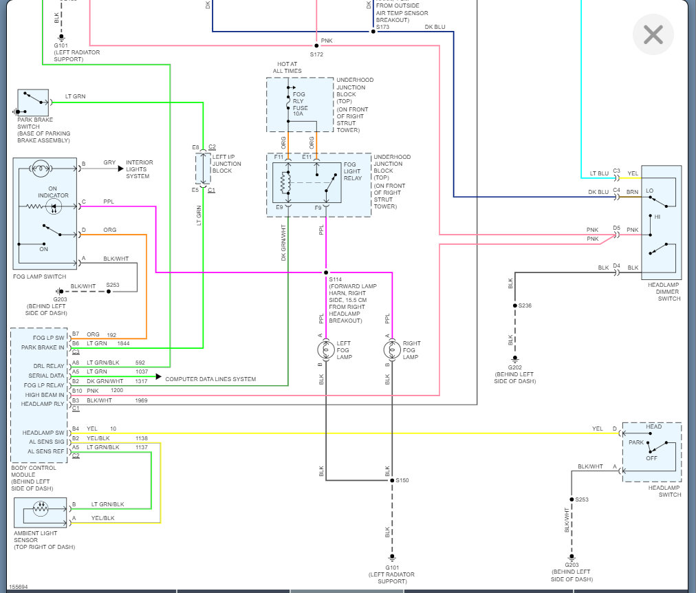
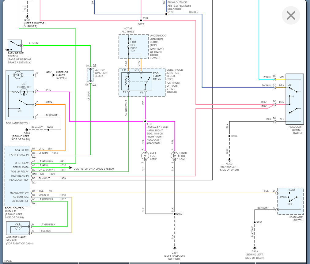
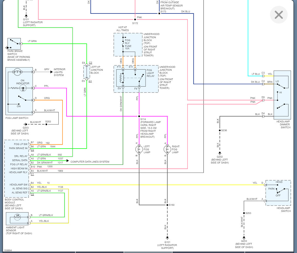
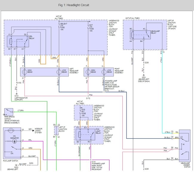
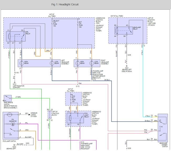
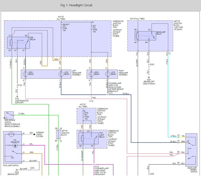
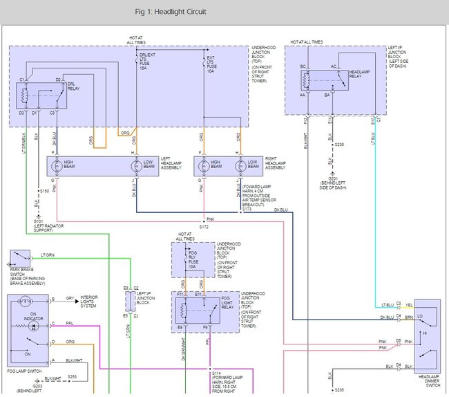
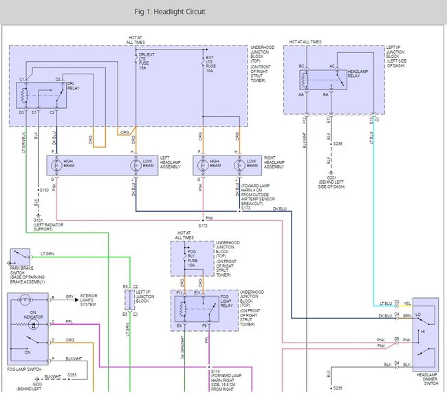
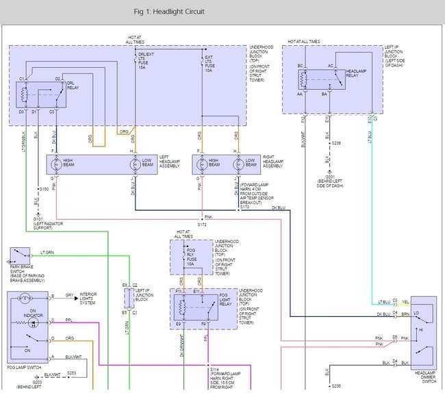
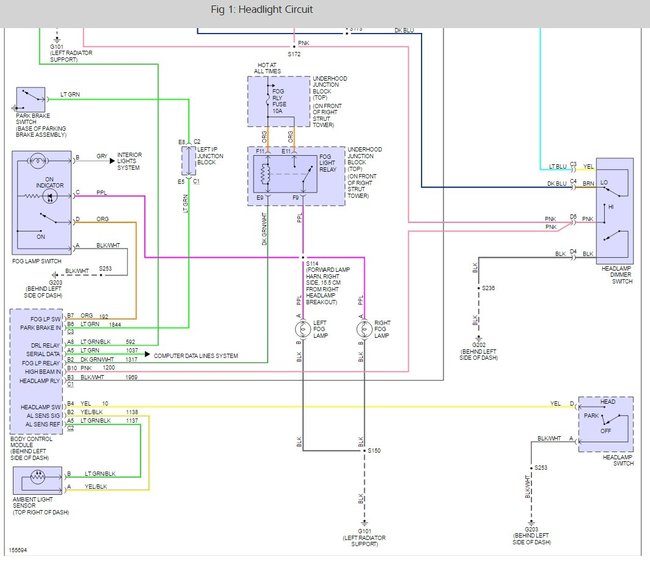
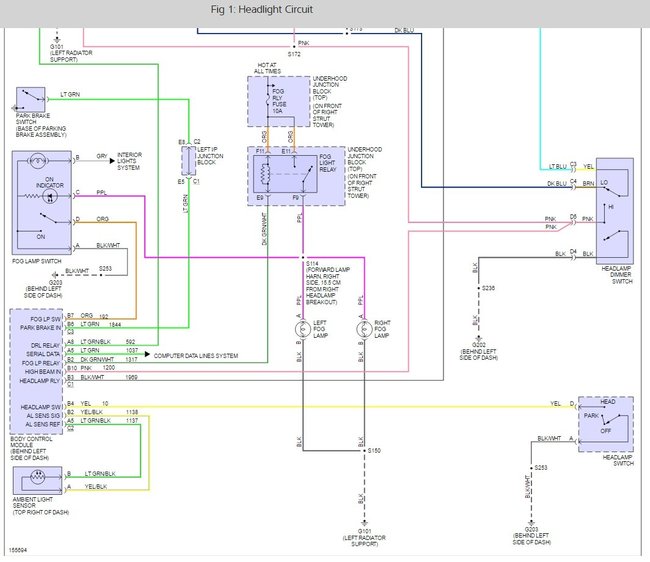
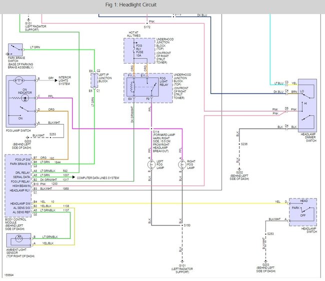
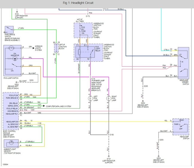
Low beam lights not working. Check the fuses they're good. The manual shows a headlamp relay somewhere in the vehicle I cannot find it. Can you help?









