Headlamp not working

Tiny
HPONDER70
  • MEMBER
  • 2003 CHEVROLET EXPRESS
  • 6.0L
  • V8
  • 150,000 MILES
Drivers side headlamp not working passenger side headlamp is working. I changed the bulb and still does not work.
Tuesday, December 10th, 2019 AT 3:00 PM

1 Reply

Tiny
KASEKENNY
  • MECHANIC
  • 18,907 POSTS
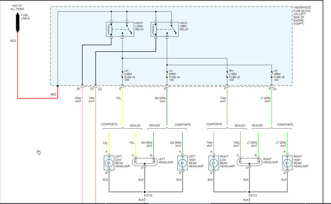
I attached the wiring diagram. You will need to start with checking the fuse and then the wiring. If you have one working and not the other then the relay is good but each has its own fuse and wiring so that is where the issue is. Also, it could be the ground.

Let me know what you find and we can go from there.

https://www.2carpros.com/articles/how-to-check-wiring
Was this
answer
helpful?
Yes
No
Tuesday, December 10th, 2019 AT 6:00 PM

Please login or register to post a reply.