Sunday, April 13th, 2025 AT 4:07 PM
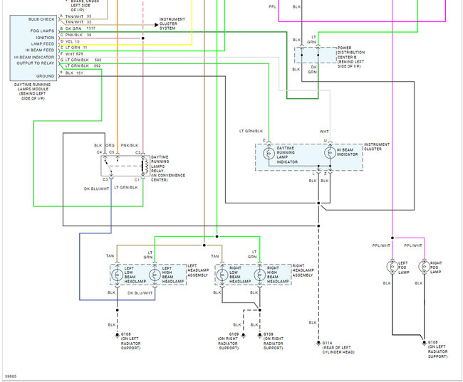
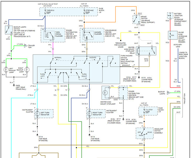
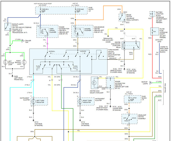
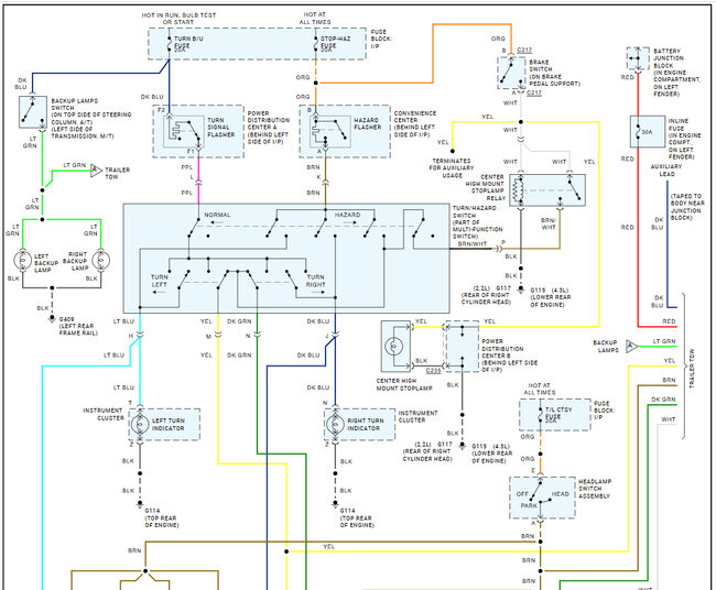
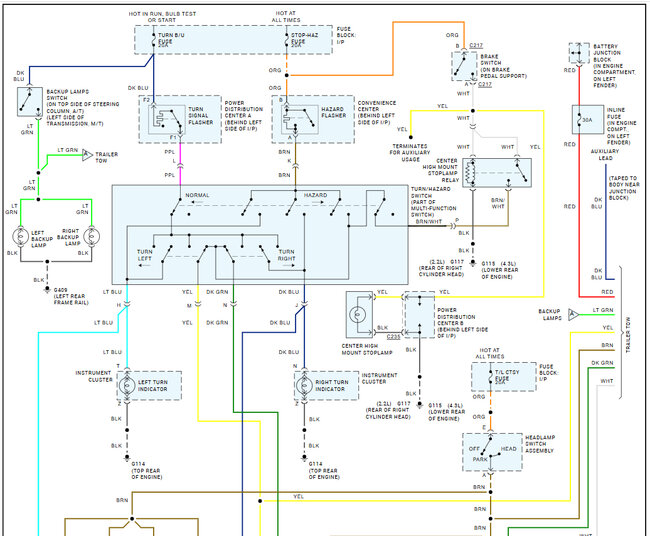
I have the truck listed above. I bought it in March of. 2021. So, when I bought it, it had a V8 in it. The headlight wiring under the hood was a complete mess and has been like this. It’s about it and I want to change the wires out it's just a complete mess. So, I got a different wiring harness from where the wires come into the hood area to the headlights, turn signals and marker lights, but I don’t know what wires are what. I know there’s a washer pump they’re under the hood as well as the horn and I believe maybe monitoring for the four-wheel-drive actuator maybe? So, I need to know what wires need to be hooked up to wire is coming out of the body of the truck.




