Head light and tail light not functioning

Tiny
BLESSING EWOBOR
  • MEMBER
  • 2003 TOYOTA RAV4
  • 4 CYL
  • 2WD
  • AUTOMATIC
  • 297,543 MILES
Hello, the vehicle left rear tail light and the front right head light not functioning. I have checked the fuses and relay they are fine. I have tested the bulbs separately they are functioning but there's no power at the connector. Could you help me the circuit diagram
Friday, March 5th, 2021 AT 10:19 AM

8 Replies

Tiny
JACOBANDNICKOLAS
  • MECHANIC
  • 110,192 POSTS
Hi,

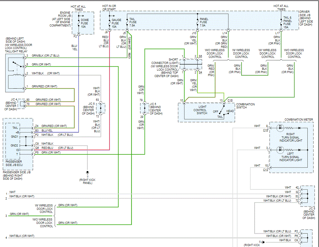
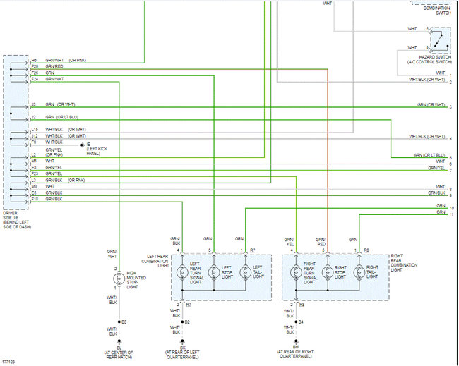
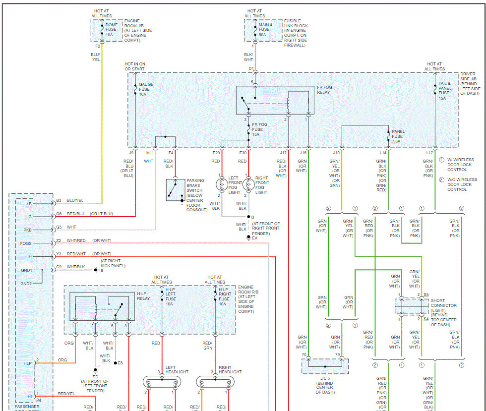
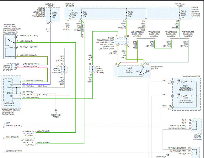
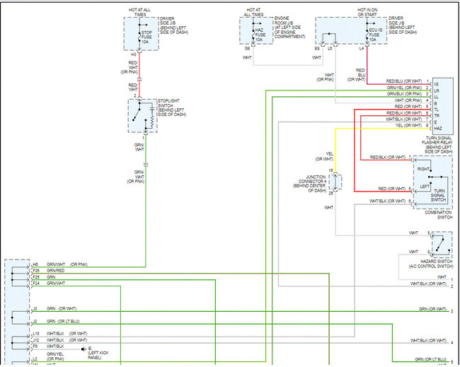
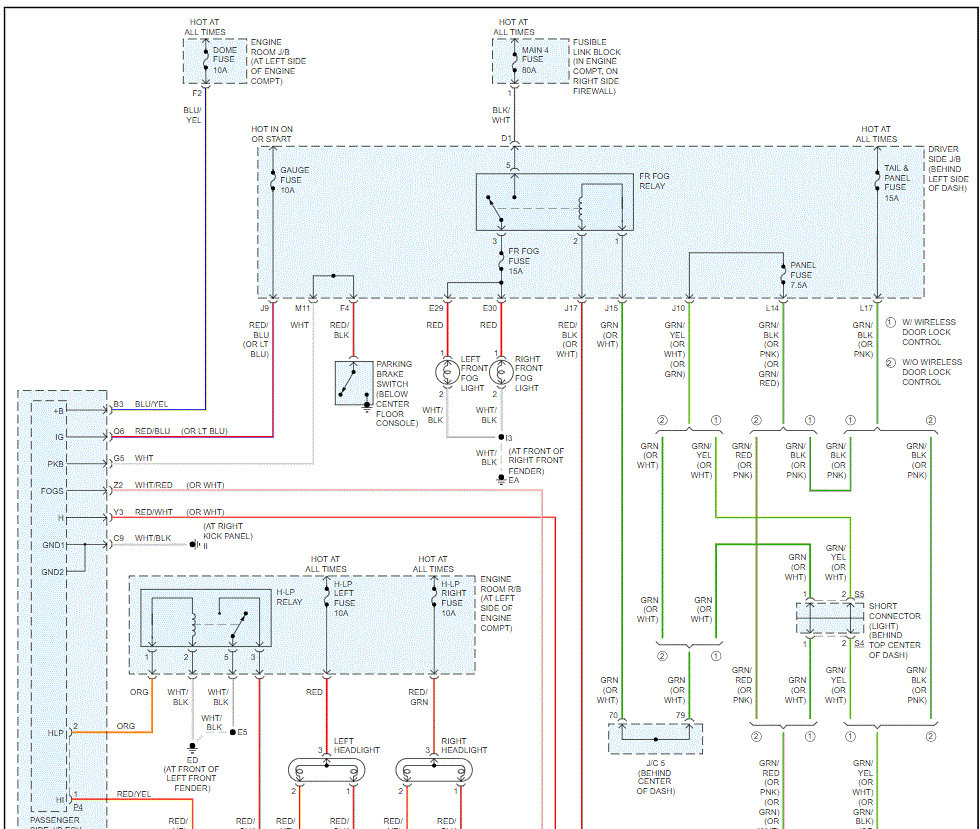
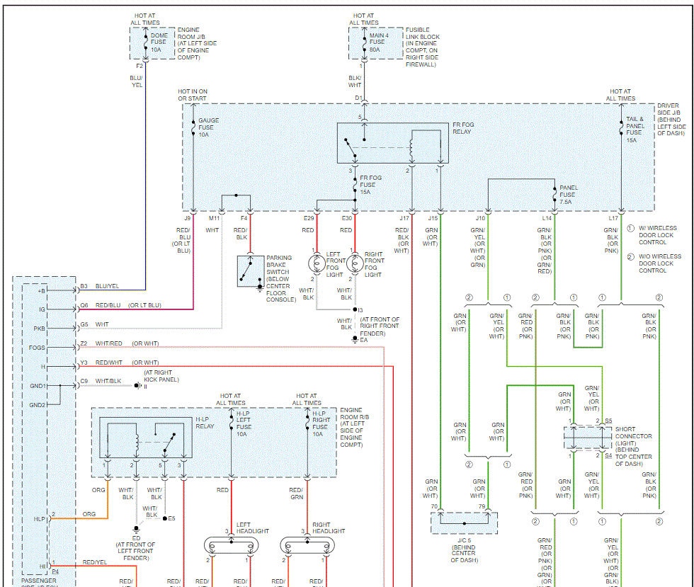
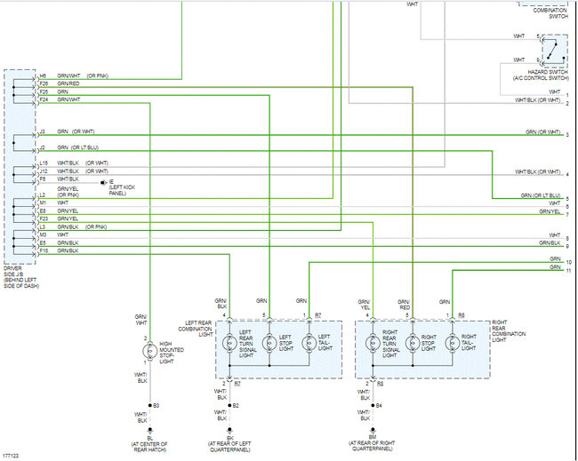
The wiring schematics are broken into two sections, headlamps and exterior lighting. The rear tail lamp issue will be under exterior lighting. The headlamp will be under headlamp.

_______________

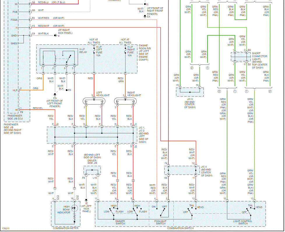
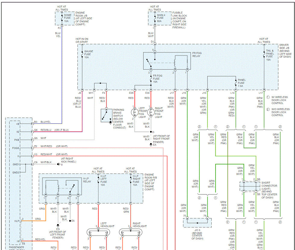
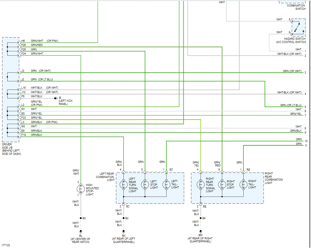
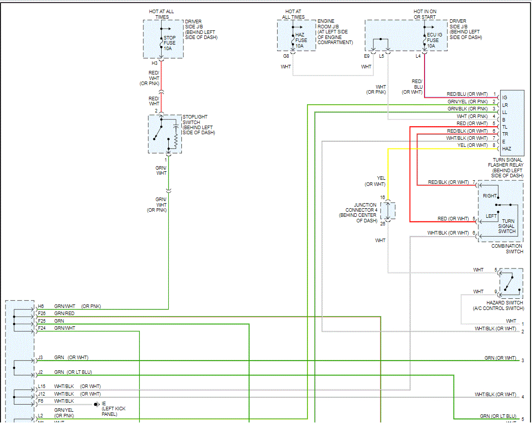
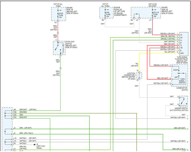
Pics 1 and 2 are for the headlamp. I cut the pic in half to make it more readable. I did, however, overlap them so you can follow it.

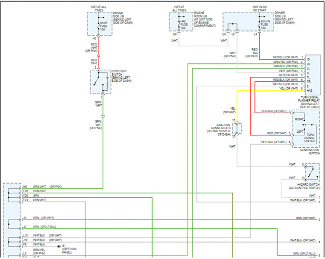
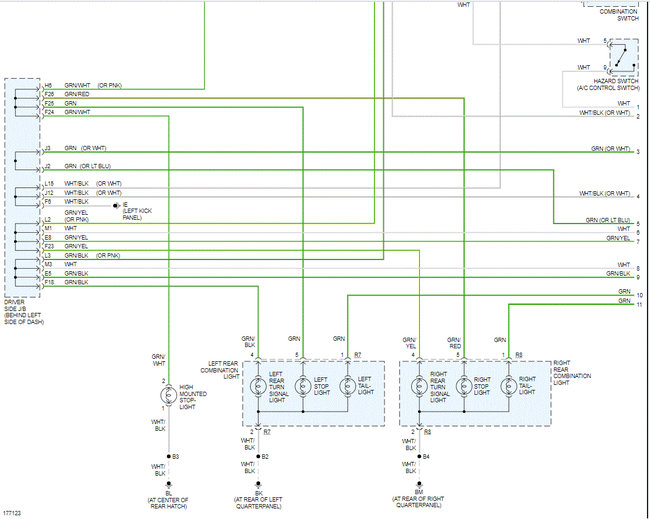
Pics 3, 4, 5, and 6 are the exterior lighting schematics. Again, I cut them in half to make it more readable, and I overlapped them as well.

______________

Here is a link you may find helpful as well:

https://www.2carpros.com/articles/how-to-check-wiring

______________

I hope this helps. Let me know if you have other questions. If you have a chance, let me know what you find.

Take care and God Bless,
Joe
Was this
answer
helpful?
Yes
No
Friday, March 5th, 2021 AT 9:38 PM
Tiny
BLESSING EWOBOR
  • MEMBER
  • 754 POSTS
Sir, considering the 2nd diagram, it seems that the H-LP relay has no function since the circuit is ground by switch, am I right? If I am what is the function of the relay?
Was this
answer
helpful?
Yes
No
Friday, March 12th, 2021 AT 1:04 PM
Tiny
BLESSING EWOBOR
  • MEMBER
  • 754 POSTS
How does the high beam indicator work since it is connected to the ground of both switch?
Was this
answer
helpful?
Yes
No
Friday, March 12th, 2021 AT 1:08 PM
Tiny
JACOBANDNICKOLAS
  • MECHANIC
  • 110,192 POSTS
The relay gets ground at the left front fender.

Joe
Was this
answer
helpful?
Yes
No
Friday, March 12th, 2021 AT 6:38 PM
Tiny
BLESSING EWOBOR
  • MEMBER
  • 754 POSTS
What I am saying is that the whether the relay ground or not it won't stop the headlights from coming on.
Was this
answer
helpful?
Yes
No
Friday, March 12th, 2021 AT 9:10 PM
Tiny
JACOBANDNICKOLAS
  • MECHANIC
  • 110,192 POSTS
If the relay doesn't have ground, it will prevent the light from working. No power will be transmitted through the relay.
Was this
answer
helpful?
Yes
No
Friday, March 12th, 2021 AT 10:57 PM
Tiny
BLESSING EWOBOR
  • MEMBER
  • 754 POSTS
Thank you.
Was this
answer
helpful?
Yes
No
Saturday, March 13th, 2021 AT 2:55 AM
Tiny
JACOBANDNICKOLAS
  • MECHANIC
  • 110,192 POSTS
Hi,

No problem. Let me know what you find.

Take care,
Joe
Was this
answer
helpful?
Yes
No
Saturday, March 13th, 2021 AT 7:28 PM

Please login or register to post a reply.