Should I tighten my head bolts in increments?

Tiny
TJMOWBRAY
  • MEMBER
  • 1988 CHEVROLET CAVALIER
  • 2.0L
  • 4 CYL
  • 2WD
  • MANUAL
  • 153,000 MILES
Long bolts 73 to 83 short bolts 62 to 70. If so, what increments should I use?
Sunday, December 1st, 2024 AT 5:33 PM

20 Replies

Tiny
KEN L
  • MASTER CERTIFIED MECHANIC
  • 55,459 POSTS
Tightening in Increments:

Long bolts (73 to 83 ft-lbs): Tighten in 3 stages.

First stage: 25 ft-lbs
Second stage: 50 ft-lbs
Final stage: 73 to 83 ft-lbs (to spec)
Short bolts (62 to 70 ft-lbs): Tighten in 3 stages.

First stage: 20 ft-lbs
Second stage: 40 ft-lbs
Final stage: 62 to 70 ft-lbs (to spec)

Let us know if you need anything else.
Was this
answer
helpful?
Yes
No
+1
Monday, December 2nd, 2024 AT 10:21 AM
Tiny
TJMOWBRAY
  • MEMBER
  • 90 POSTS
In this pattern, right?
Was this
answer
helpful?
Yes
No
Monday, December 2nd, 2024 AT 5:02 PM
Tiny
KEN L
  • MASTER CERTIFIED MECHANIC
  • 55,459 POSTS
That is correct.
Was this
answer
helpful?
Yes
No
Tuesday, December 3rd, 2024 AT 9:35 AM
Tiny
TJMOWBRAY
  • MEMBER
  • 90 POSTS
I torqued my head bolts to these specs and afterwards I got ahold of the Haynes manual for my cavalier it says 43 and 46 and an extra 90 degrees. Will my head gasket be ok at 65 and 75 or should I loosen and retorque?
Was this
answer
helpful?
Yes
No
Sunday, December 8th, 2024 AT 7:13 PM
Tiny
KEN L
  • MASTER CERTIFIED MECHANIC
  • 55,459 POSTS
I would leave it because this is how they did the head bolts when the engine was built. Did they all tighten okay?
Was this
answer
helpful?
Yes
No
Monday, December 9th, 2024 AT 8:45 AM
Tiny
TJMOWBRAY
  • MEMBER
  • 90 POSTS
Yes sir.
Was this
answer
helpful?
Yes
No
Monday, December 9th, 2024 AT 8:08 PM
Tiny
KEN L
  • MASTER CERTIFIED MECHANIC
  • 55,459 POSTS
You should be good to go, please upload a short when it is running.
Was this
answer
helpful?
Yes
No
Tuesday, December 10th, 2024 AT 10:13 AM
Tiny
TJMOWBRAY
  • MEMBER
  • 90 POSTS
  • 1988 CHEVROLET CAVALIER
  • 2.0L
  • 4 CYL
  • 2WD
  • MANUAL
  • 153,000 MILES
Head gasket sealer.
Was this
answer
helpful?
Yes
No
Tuesday, April 29th, 2025 AT 12:09 PM (Merged)
Tiny
KEN L
  • MASTER CERTIFIED MECHANIC
  • 55,459 POSTS
Some people put sealers on the head gasket and bolts, but it is not mandatory.
Was this
answer
helpful?
Yes
No
Tuesday, April 29th, 2025 AT 12:09 PM (Merged)
Tiny
TJMOWBRAY
  • MEMBER
  • 90 POSTS
  • 1988 CHEVROLET CAVALIER
  • 2.0L
  • 4 CYL
  • 2WD
  • MANUAL
  • 153,000 MILES
Does head gasket have to be a certain side up?
Was this
answer
helpful?
Yes
No
Tuesday, April 29th, 2025 AT 12:09 PM (Merged)
Tiny
KEN L
  • MASTER CERTIFIED MECHANIC
  • 55,459 POSTS
On some gaskets you do, but if it is not indicated you should be okay. What kind of issues are you having?
Was this
answer
helpful?
Yes
No
Tuesday, April 29th, 2025 AT 12:09 PM (Merged)
Tiny
KEN L
  • MASTER CERTIFIED MECHANIC
  • 55,459 POSTS
Can you tell us happen with this?
Was this
answer
helpful?
Yes
No
Tuesday, April 29th, 2025 AT 12:09 PM (Merged)
Tiny
TJMOWBRAY
  • MEMBER
  • 90 POSTS
  • 1988 CHEVROLET CAVALIER
  • 2.0L
  • 4 CYL
  • 2WD
  • MANUAL
  • 153,000 MILES
Once the timing cover has been removed and timing marks are aligned do I have to remove timing chain tensioner?
Was this
answer
helpful?
Yes
No
Tuesday, April 29th, 2025 AT 12:09 PM (Merged)
Tiny
JACOBANDNICKOLAS
  • MECHANIC
  • 110,194 POSTS
Hi,

On this engine, you don't need to touch the timing chain for a head gasket replacement. The cylinder head is removed without chain removal.

I attached a picture below showing the head being removed. Let me know if I am wrong and you are replacing the timing chain

Take care,

Joe

See pic below.
Was this
answer
helpful?
Yes
No
Tuesday, April 29th, 2025 AT 12:09 PM (Merged)
Tiny
TJMOWBRAY
  • MEMBER
  • 90 POSTS
  • 1988 CHEVROLET CAVALIER
  • 2.0L
  • 4 CYL
  • 2WD
  • MANUAL
  • 153,000 MILES
Do I remove head bolts in same pattern to remove as installed?
Was this
answer
helpful?
Yes
No
Tuesday, April 29th, 2025 AT 12:09 PM (Merged)
Tiny
STEVE W.
  • MECHANIC
  • 15,691 POSTS
It's not a requirement for removal. The pattern is devised so that the gasket is compressed evenly during the installation. By starting in the middle and working outwards the materials will settle in evenly. If you were to randomly tighten the bolts it's possible that the gasket could create a small "wrinkle" where two areas of pressure converge and possibly leak or cause a failure point. However during removal that isn't really an issue.
Was this
answer
helpful?
Yes
No
Tuesday, April 29th, 2025 AT 12:09 PM (Merged)
Tiny
TJMOWBRAY
  • MEMBER
  • 90 POSTS
  • 1988 CHEVROLET CAVALIER
  • 2.0L
  • 4 CYL
  • 2WD
  • MANUAL
  • 153,000 MILES
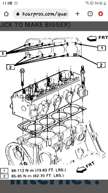
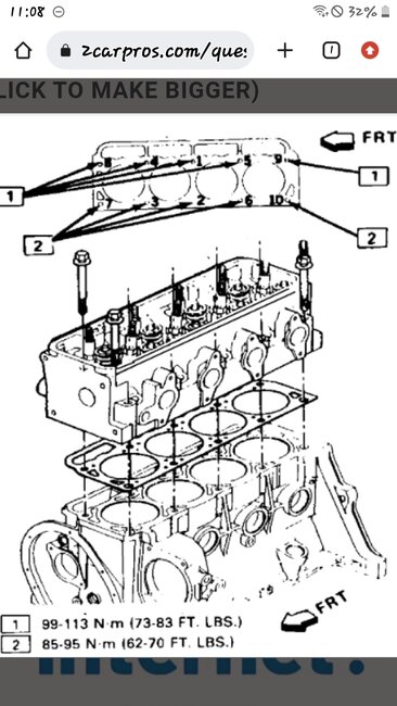
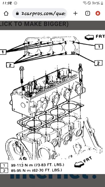
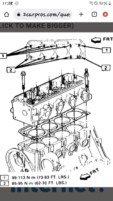
I need crank bolt torque specs and head bolt tightening sequence.
Was this
answer
helpful?
Yes
No
Tuesday, April 29th, 2025 AT 12:09 PM (Merged)
Tiny
JACOBANDNICKOLAS
  • MECHANIC
  • 110,194 POSTS
Hi,

I was able to find only one picture with the head bolt sequence. I attached it. I also attached its torque specifications because there are two different specs for different bolts.

The last picture is the main crankshaft bearing torque. I believe that is what you were looking for. If it is wrong, let me know.

Take care,

joe

See pics below.
Was this
answer
helpful?
Yes
No
Tuesday, April 29th, 2025 AT 12:09 PM (Merged)
Tiny
TJMOWBRAY
  • MEMBER
  • 90 POSTS
I meant the bolt that holds harmonic balancer on.
Was this
answer
helpful?
Yes
No
Tuesday, April 29th, 2025 AT 12:09 PM (Merged)
Tiny
KEN L
  • MASTER CERTIFIED MECHANIC
  • 55,459 POSTS
Please post your new question here, you must be logged in.

https://www.2carpros.com/questions/new

Cheers, Ken
Was this
answer
helpful?
Yes
No
Tuesday, April 29th, 2025 AT 12:09 PM (Merged)

Please login or register to post a reply.