Sunday, April 29th, 2018 AT 5:39 PM
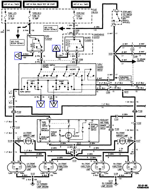
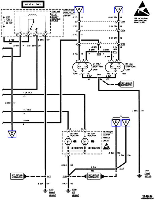
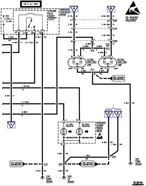
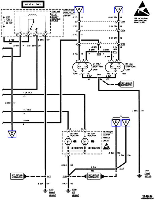
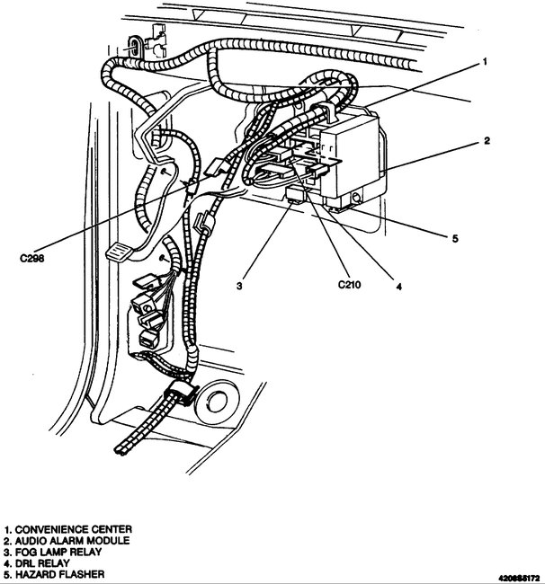
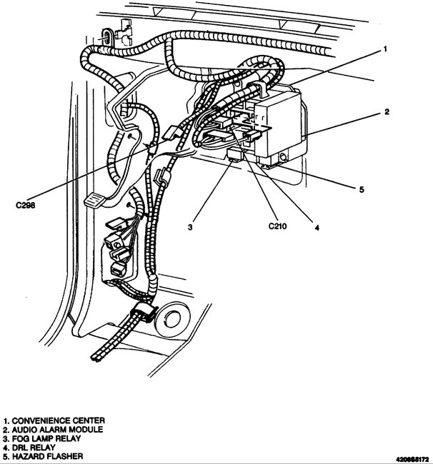
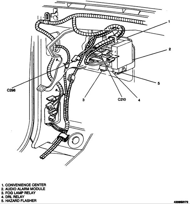
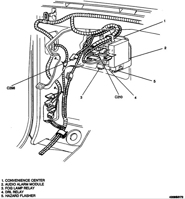
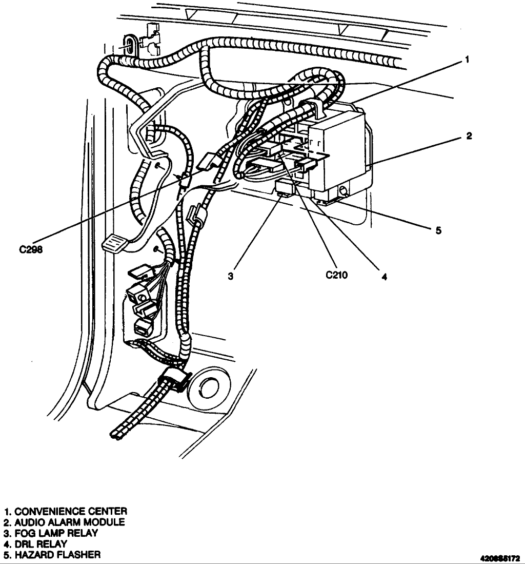
Okay, so I have a problem about my hazard lights, they do not work. So I checked the fuse for it and if you look on the description for that fuse in that spot it is for the hazard lights, brakes, and turn signals. My brakes and turn signals work but not the hazard lights. Like I can press down the hazard light button and it will click like two times but really fast then it stops. But every once in a while only one blinker light comes on and I think it is only my left one that turns on but remember this is only happens every once in a while and I do not even press down the button in order for it to turn on, even though it should. Is there any answer I could possibly get from this? If you still need some more information please reply. Thanks.





