Hazard/exterior lighting diagram needed

Tiny
SEBASTIANFROMNJ
  • MEMBER
  • 2001 FORD FOCUS
  • 100,000 MILES
Okay, so customer's car, hazard switch literally burned up. Replaced switch and pigtail. Now hazards blink intermittently when car is key off/engine off. Apparently Mitchell doesn’t supply wiring diagram for this model. It’s listed above with a 2.0.
Anywhere to look?
BCM has a b2159
ECM does have check engine codes but there is no light in cluster.
Does anyone have the correct wiring diagram?
Sunday, November 15th, 2020 AT 4:40 PM

5 Replies

Tiny
KASEKENNY
  • MECHANIC
  • 18,907 POSTS
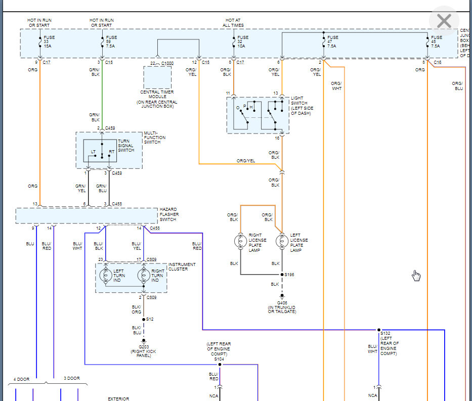
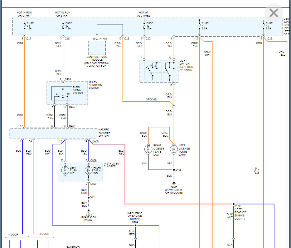
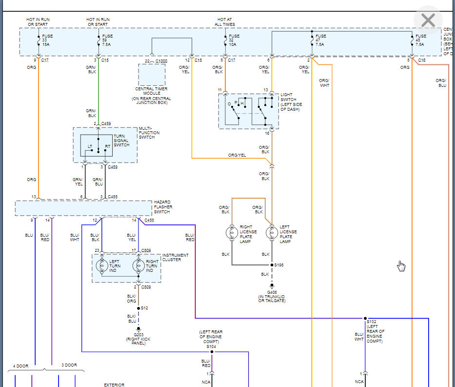
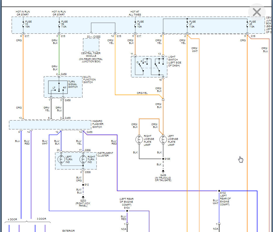
So that B code would not turn the check engine light on. That is considered a non powertrain code so they are there as informational purposes when the customer makes a complaint. This may be related so I attached the testing along with the diagram you requested.

Let's run through this testing and see what turns up.
Was this
answer
helpful?
Yes
No
Sunday, November 15th, 2020 AT 4:50 PM
Tiny
SEBASTIANFROMNJ
  • MEMBER
  • 40 POSTS
Sorry, should have mentioned the PCM code is p1409. I believe unrelated to this problem I just thought the light not illuminating in dash was related to BCM. My apologies.
Was this
answer
helpful?
Yes
No
Sunday, November 15th, 2020 AT 5:07 PM
Tiny
SEBASTIANFROMNJ
  • MEMBER
  • 40 POSTS
And this hazard flasher diagram is wrong colors.
This is what Mitchell Prodemand shows me as well it’s very confusing.
There are 3 orange/black wire and 2 orange wire ones thicker, running right off of pigtail. I rewired in new pigtail. Flasher switch was used but I don’t think that’s the problem. When car is running the hazards don’t flash and everything works appropriately.
Was this
answer
helpful?
Yes
No
Sunday, November 15th, 2020 AT 5:15 PM
Tiny
SEBASTIANFROMNJ
  • MEMBER
  • 40 POSTS
There are also other wires. But those wires I listed are different. Is it possible they’re not included in the diagram?
Was this
answer
helpful?
Yes
No
Sunday, November 15th, 2020 AT 5:17 PM
Tiny
KASEKENNY
  • MECHANIC
  • 18,907 POSTS
Can you try and post those diagrams that you are looking at? A lot of times the wiring color may be different but it may be due to the options on your vehicle. I understand it is a 2.0L Focus but is it a wagon, ZX3, ZTS?

If you tell me if the VIN is a 3 or P I should be able to figure out what happened. Thanks
Was this
answer
helpful?
Yes
No
Monday, November 16th, 2020 AT 7:08 PM

Please login or register to post a reply.