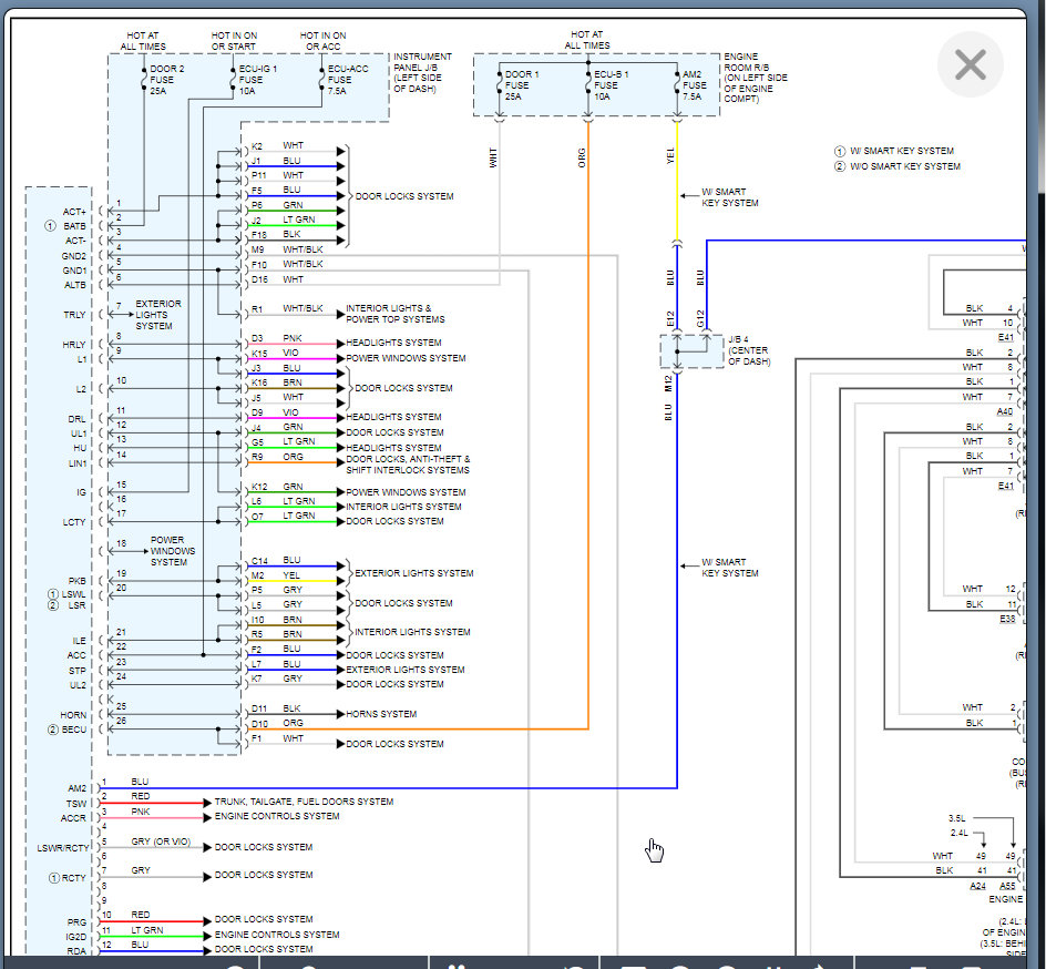
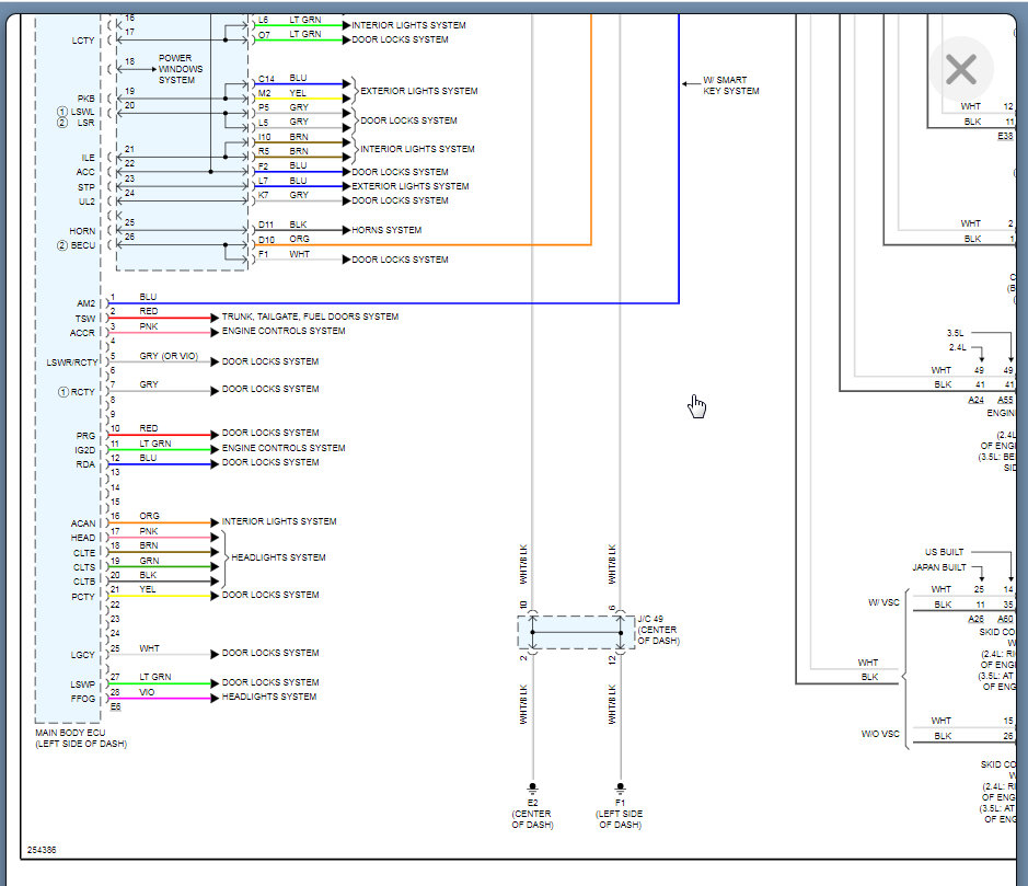
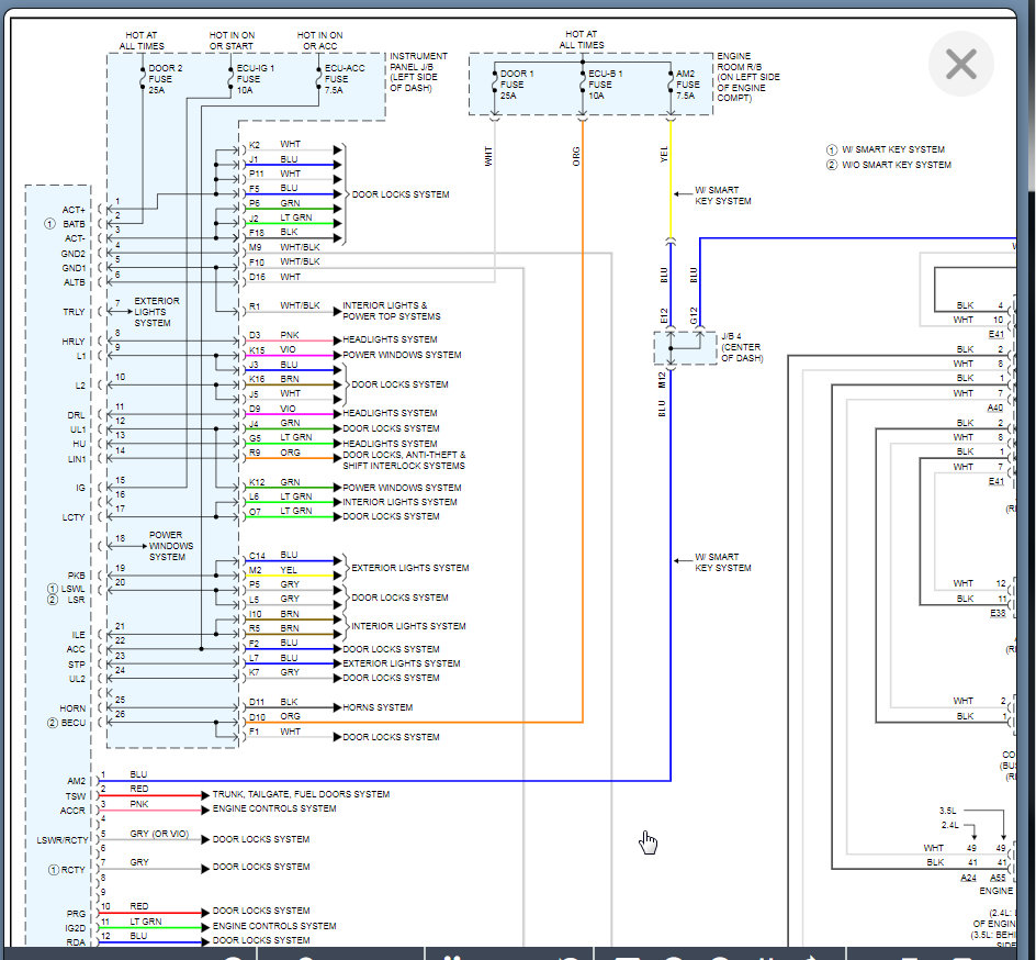
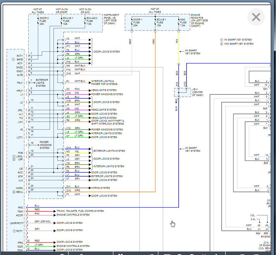
All of that stopped working at the same time. Battery is new, cables are clean, starter relay is new, no blown fuses. Can somebody please tell me what is wrong with this car before I go insane? I've followed wires and checked connections, inspected the underside of the fuse box making sure nothing was cut, pinched, or shorted out in any way.
Can somebody point me in the right direction please? Thanks in advance.
Can somebody point me in the right direction please? Thanks in advance.
Apr 27, 2021 at 9:20 AM




