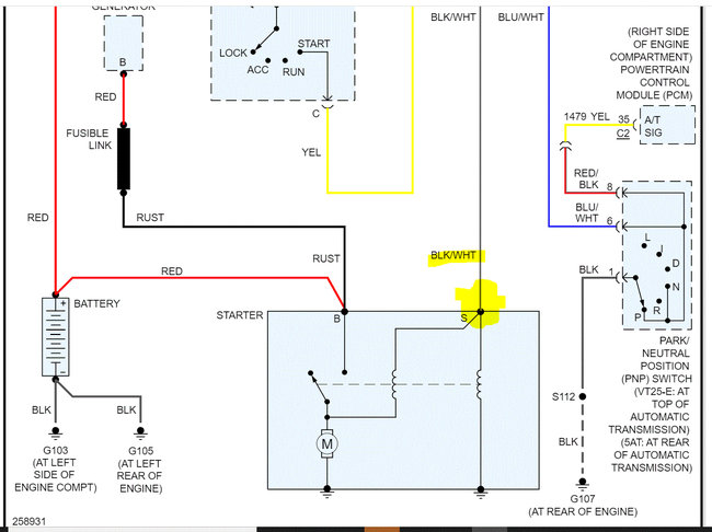
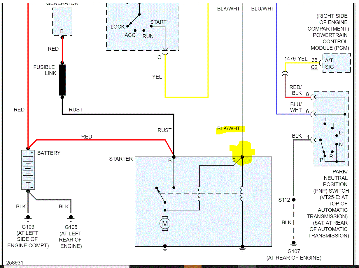
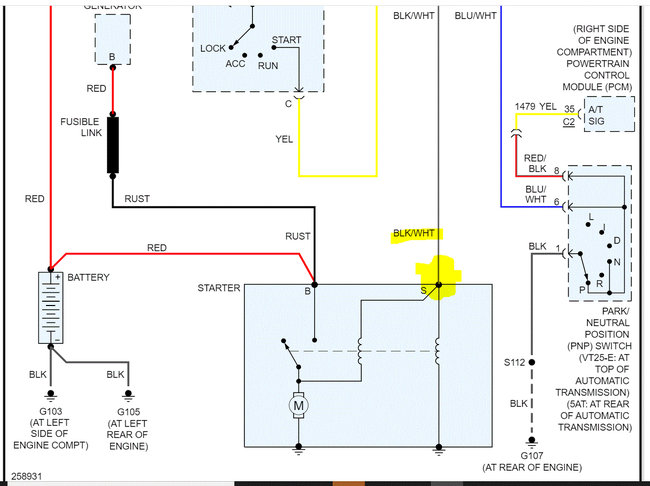
The vehicle's been sitting for three years got it from a friend and the only reason she let it sit was because she wasn't sure what the noise was, turns out to be CV shafts. so just trying to get it to start. everything is working just fine the battery is charged and is good. I have powered to everything and is working just fine as it should but when I go to start it, you'll hear the fuel pump and everything like you should then when you turn it it's like somewhere between ignition and the starter power it shut off somewhere. you don't hear click when you try to turn it you don't hear anything.
Nov 17, 2021 at 3:16 PM



