Sunday, June 19th, 2022 AT 1:24 AM
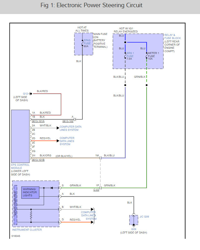
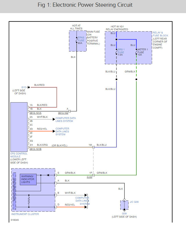
There was a little sound when turning the steering wheel. I checked with the local mechanic. He opened the steering rod from below of the car and put the white thing rod inside the steering rod and peeled the white rod from inside and put it back to the car. After that my car steering is become stiffy and hard than before. I wanted to know what did he do? Why did my steering wheel get harder? Before it was totally soft. Argued with him and he explained it will be soft with time like in a month or so. Kindly answer my question. I am worried :/









