Hard starting

Tiny
GIDEON AUTO
  • MEMBER
  • 1996 TOYOTA CAMRY
  • 2.0L
  • 4 CYL
  • 2WD
  • AUTOMATIC
  • 149,001 MILES
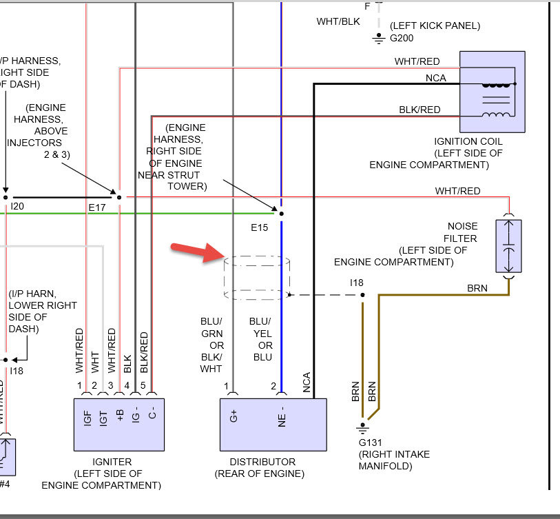
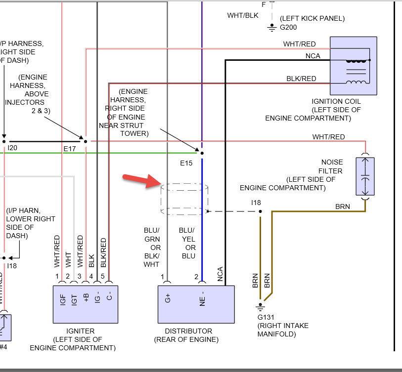
Sir, the wire from the brain box to the distributor is four with this colors black, red, blue and yellow now the female socket got broken. How do I know I fix this wires to another socket with different wire color? How do I time the two? The car is also hard starting.

regards,
Gideon
Friday, September 16th, 2016 AT 4:59 AM

1 Reply

Tiny
HMAC300
  • MECHANIC
  • 48,601 POSTS
This is what we show for a 2.2L 1996 Camry in US. Blue wire to crank sensor arrow points to ECM wire.
Was this
answer
helpful?
Yes
No
Friday, September 16th, 2016 AT 6:44 AM

Please login or register to post a reply.