Not starting only clicks when I try to start

Tiny
DEREK PARHAM
  • MEMBER
  • 1997 CHEVROLET CAMARO
  • 5.7L
  • V8
  • 2WD
  • AUTOMATIC
  • 145,000 MILES
Tested both fuse boxes and only a few light up with my fuse tester. I checked the wires and they look good and not burned.
Saturday, October 31st, 2020 AT 4:07 PM

1 Reply

Tiny
KASEKENNY
  • MECHANIC
  • 18,907 POSTS
We need to get more detail on what you are seeing with the fuses but I am not sure it is related to the starter. So let's address that and get a new post started if after we get the starter working, those fuses are still not working.

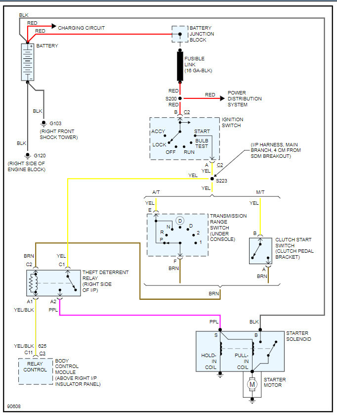
Here is a wiring diagram. We need to go to the starter and check power on both wires. You should have 12 volts on both when cranking the engine. Let me know what you have and we can go from there. Thanks

https://www.2carpros.com/articles/starter-not-working-repair
Was this
answer
helpful?
Yes
No
Sunday, November 1st, 2020 AT 3:45 PM

Please login or register to post a reply.