Friday, September 30th, 2016 AT 7:12 PM
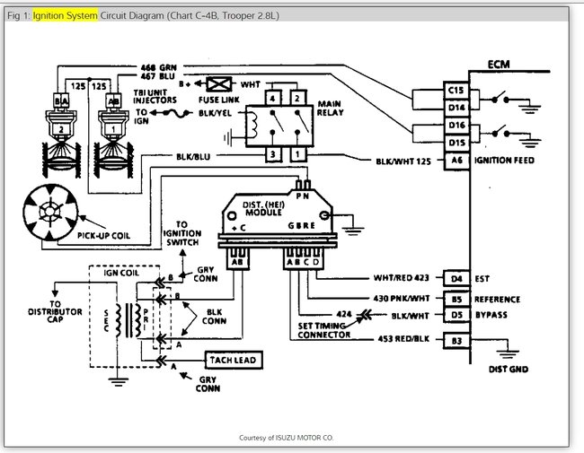
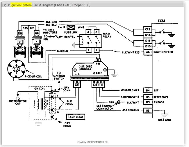
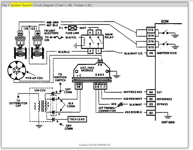
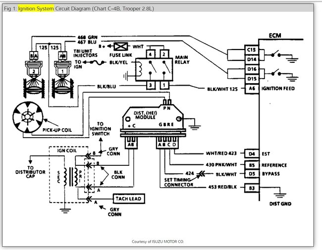
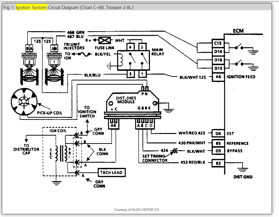
I have new injector connectors and I need to know how to wire the new connectors. It is throttle body six cylinder. I have three blue wires one green from harness.


