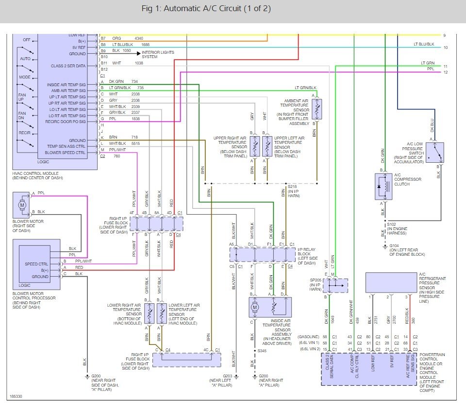
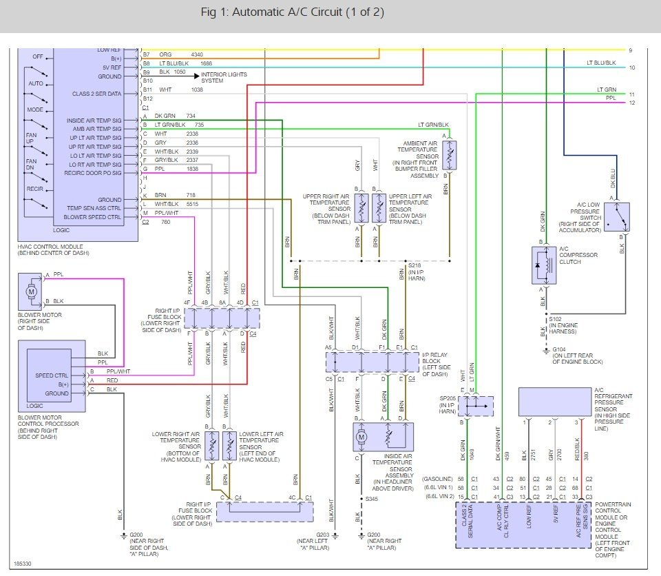
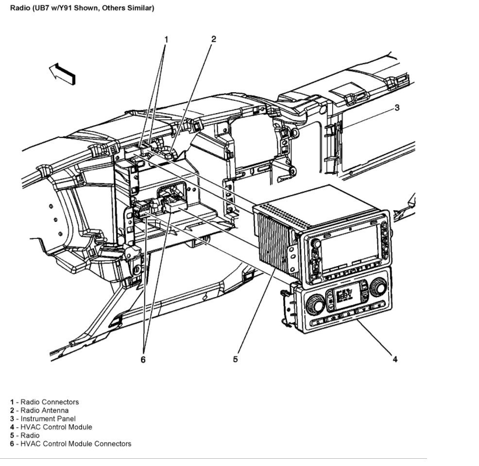
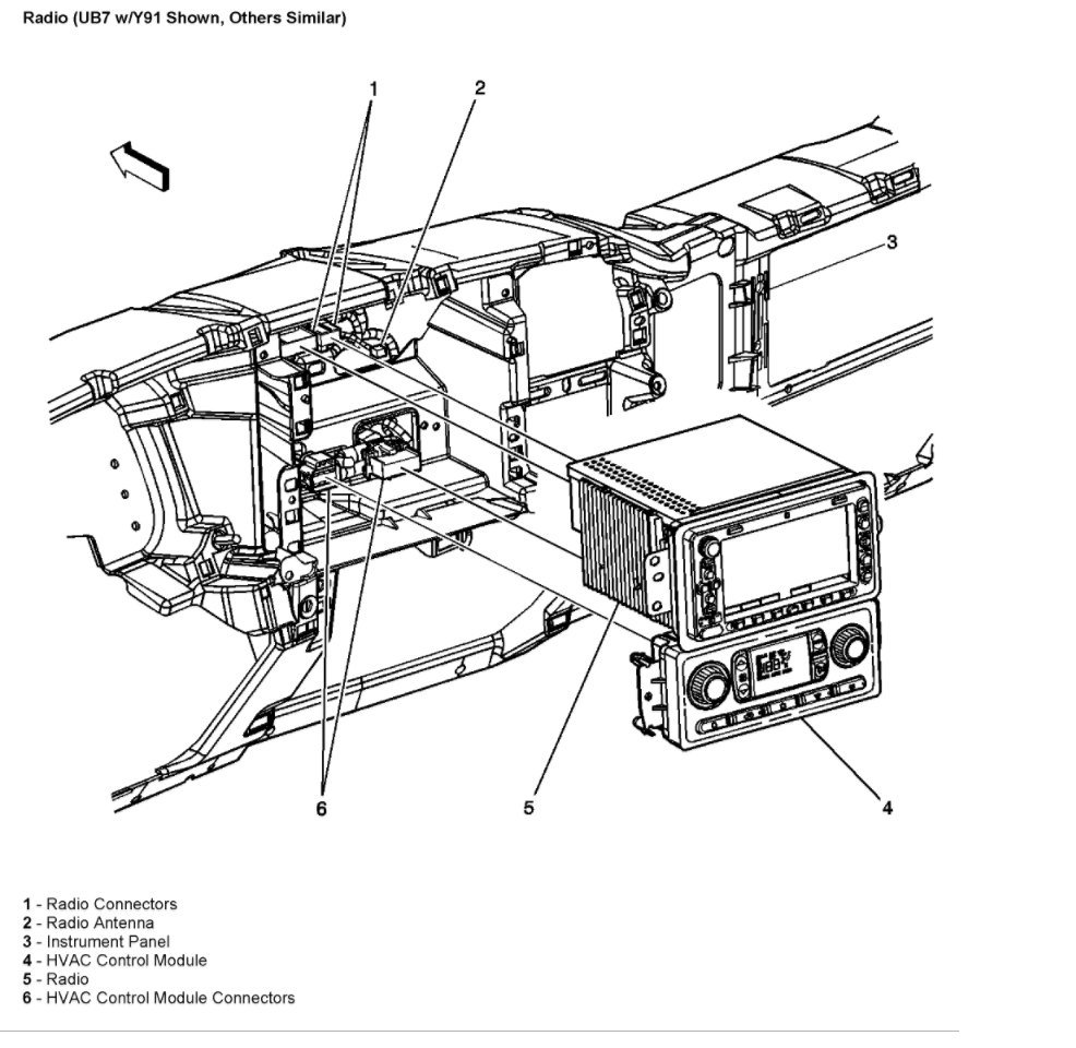
Thursday, June 29th, 2017 AT 12:35 AM
I have joined in a company in climate control panel section manufacturing R and D team and I have only few ideas about it. Can anyone suggest me ideas you have about a climate controller in a car? It would be very useful if you provide me the links of any blog or websites regarding this climate controller so that I can refer it.






