Transmission removal and replace instructions needed

Tiny
ROBERT CHARLOCK
  • MEMBER
  • 2007 CHEVROLET UPLANDER
  • 3.9L
  • V8
  • 2WD
  • 200,000 MILES
I am looking for a step by step instructions for the transmission removal and replacement.
Thursday, April 26th, 2018 AT 1:54 PM

1 Reply

Tiny
KEN L
  • MASTER CERTIFIED MECHANIC
  • 55,371 POSTS
Hello,

You will need to have the battery disconnected to start and put the can up on jack stands.

Here is a guide to help see what you are in for when doing the job:

https://www.2carpros.com/articles/transmission-replacement-removal-manual

This video will help you as well.

https://youtu.be/3vJAojsrfuU

Is rear wheel drive but you get the idea.

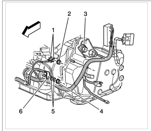
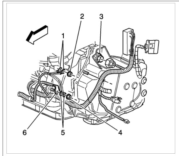
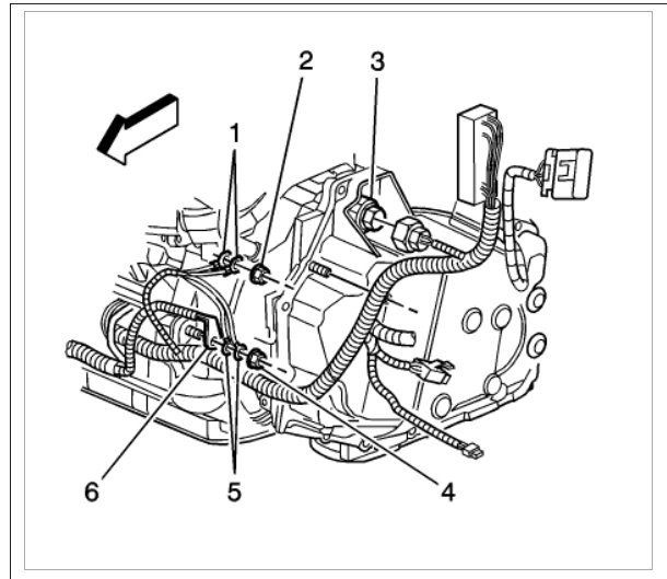
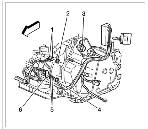
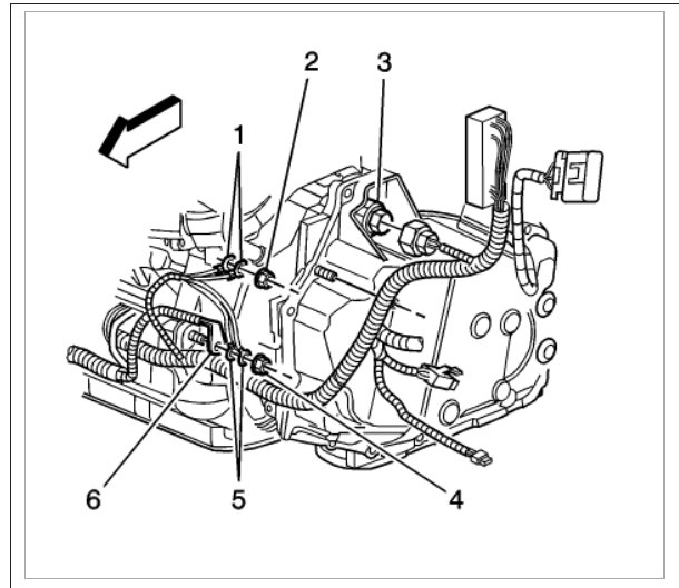
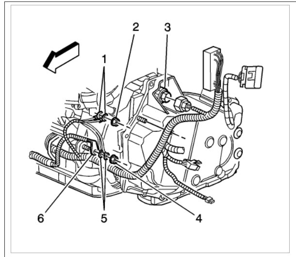
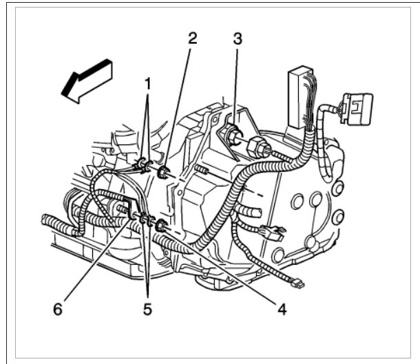
Here are diagrams of how to do the job on your car.

Check out the diagrams (below).

Let us know what happens and please upload pictures or videos of the problem.

Cheers, Ken
Was this
answer
helpful?
Yes
No
Saturday, April 28th, 2018 AT 10:02 AM

Please login or register to post a reply.