Guage cluster lights stay on

Tiny
CHRISTOPHER YOUNG2
  • MEMBER
  • 2000 DODGE RAM
  • 5.2L
  • V8
  • 4WD
  • AUTOMATIC
  • 175,000 MILES
My cluster lights are staying on, key out, off, and only turn off when it drains the battery. I had the same issue with my running lights, but I recently replaced the light switch, and it solved that issue, but the cluster lights remained on, constantly. Any help or guidance would be appreciated, Thank you.
Wednesday, January 12th, 2022 AT 1:11 PM

3 Replies

Tiny
JACOBANDNICKOLAS
  • MECHANIC
  • 110,194 POSTS
Hi,

We need to determine where the power is coming from to determine if it is a short to power or a faulty panel lamp dimmer switch.

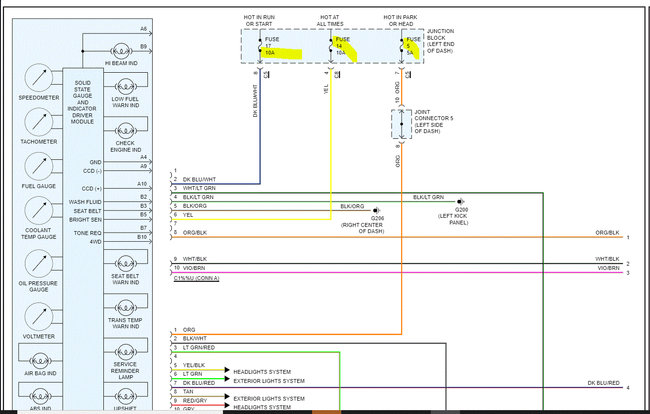
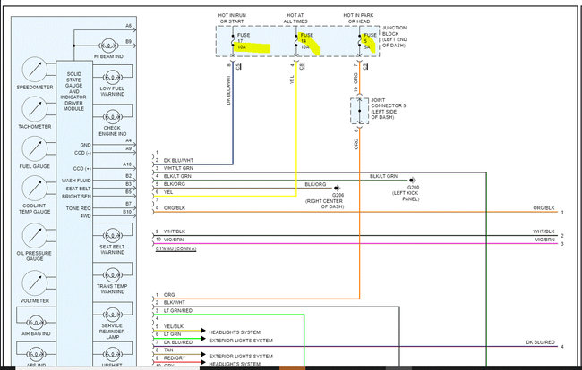
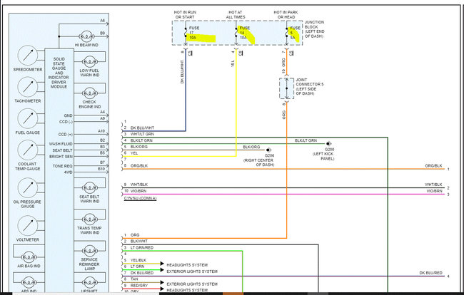
There are three fuses in the fuse box (left side under dash) I need you to check, fuses 5, 14, and 17. I want you to remove one at a time to see which one turns the lights off first. Start with fuse 5 and let me know the results. If you remove fuse 5 and it turns off, stop there and let me know. If it doesn't, reinstall it and continue one at a time.

Pic 2 below shows the fuses to check. Pic 1 is a pic of power supplies.

Let me know what you find or if you have other questions.

Take care,

Joe

See pics below.
Was this
answer
helpful?
Yes
No
Wednesday, January 12th, 2022 AT 8:21 PM
Tiny
CHRISTOPHER YOUNG2
  • MEMBER
  • 2 POSTS
Okay, so, fuse #5 turns off the illumination of the switch, but not the cluster( which is a new problem I just found out now), Fuse 14 did nothing that I could see, and Fuze 17 made all the guages stop reading (rpm guage went from idling at 1500, to showing 0, still idling) any ideas?
Was this
answer
helpful?
Yes
No
Thursday, January 13th, 2022 AT 5:56 PM
Tiny
JACOBANDNICKOLAS
  • MECHANIC
  • 110,194 POSTS
Hi,

Okay, if they won't turn off with the fuses removed, either there is a short to power or a connection issue at the cluster. Note that I asked you to remove fuse 5 first. The reasoning was to determine if there was a short to power. Fuse 5 is the dimmer switch signal. (See pic 1) Since it stays on, power is coming from something after the fuse.

Inspect the connector at the headlamp switch connector as well as the connector at the rear of the instrument cluster for damage, bent pins, or shorted wires. If there is nothing evidently damaged, I need you to remove fuse 5 and check for power at the orange wire at the cluster connector. (See schematic above) With fuse 5 removed, there shouldn't be power to it. If there is, the short is between the fuse and the cluster. If it doesn't have power, the short is likely within the cluster.

Here is a link you may find helpful when testing:

https://www.2carpros.com/articles/how-to-check-wiring

Let me know what you find.

Joe

See pic below.
Was this
answer
helpful?
Yes
No
Thursday, January 13th, 2022 AT 7:29 PM

Please login or register to post a reply.