Will not crank

Tiny
NAHASH
  • MEMBER
  • 2001 LEXUS GS 300
  • 3.0L
  • 6 CYL
  • 2WD
  • AUTOMATIC
  • 185,000 MILES
 Guys, tried to look around for the issue but did not found any thing related. The problem is that the car was not cranking at all (no sounds from the starter) in the morning after turning the key multiple times the car started and this kept happening for a few days. Finally I took it to the garage where they advised it could be a faulty starter and may be the starter solenoid was not working occasionally. They recommended for replacing the starter which was changed. Following morning again the car wont start. I tried to check the current in the relay and it seems that the relay is not receiving signal when the key is turned to crank the motor. I then tried to direct the wires in the relay box and the car started immediately. Has any body had this issue.
this only happens when the car is not warmed. Once warmed it starts in first go. Also checked the 5A starter fuse which is also fine.
Saturday, January 4th, 2020 AT 5:30 AM

7 Replies

Tiny
JACOBANDNICKOLAS
  • MECHANIC
  • 110,194 POSTS
If it started with a jumper wire, have you checked the relay itself. Here is a link explaining hot to test a relay:

https://www.2carpros.com/articles/how-to-check-an-electrical-relay-and-wiring-control-circuit

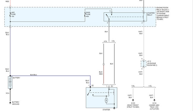
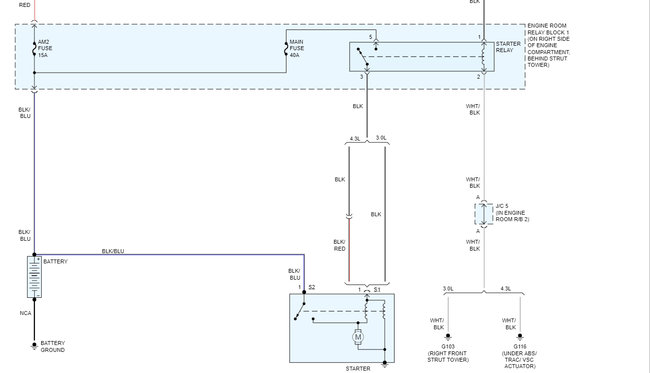
I attached two pics below. They provide the entire wiring schematic for the starting system. Have you tried starting it in neutral when this happens? It could be related to the neutral safety switch. It's odd that it only happens cold. It sounds like a relay issue.

Let me know.

Joe
Was this
answer
helpful?
Yes
No
Saturday, January 4th, 2020 AT 7:35 PM
Tiny
NAHASH
  • MEMBER
  • 4 POSTS
Hi Joe, relay can be ruled out as pin 1 is not receiving any signal when the car is cranked while pin 2 is constant and I yes I did try to start in neutral as well but it starts occasionally. I do have doubts on NSS switch and want to be sure. Can you help me locate the J3 connector where the NSS ans STA signals meet. Have been trying to locate this connector but no success.
Was this
answer
helpful?
Yes
No
Saturday, January 4th, 2020 AT 7:47 PM
Tiny
JACOBANDNICKOLAS
  • MECHANIC
  • 110,194 POSTS
No problem. See the attached picture. If you aren't getting power to pin one, I understand why you wanted this. LOL I have a feeling it is the NSS.

Let me know if this helps or if you have other questions.

Take care,
Joe
Was this
answer
helpful?
Yes
No
Saturday, January 4th, 2020 AT 11:41 PM
Tiny
NAHASH
  • MEMBER
  • 4 POSTS
Thank you Joe, will update you as soon as I figure this out.
Was this
answer
helpful?
Yes
No
Saturday, January 4th, 2020 AT 11:43 PM
Tiny
JACOBANDNICKOLAS
  • MECHANIC
  • 110,194 POSTS
You are very welcome. Let me know what you find.

Take care,

Joe
Was this
answer
helpful?
Yes
No
Saturday, January 4th, 2020 AT 11:59 PM
Tiny
NAHASH
  • MEMBER
  • 4 POSTS
Hi Joe, it was the Neutral Safety Switch. Got it diagnosed from a mechanic. Replaced it, let see if it fixes the issue. Appreciate your support.
Was this
answer
helpful?
Yes
No
Tuesday, January 7th, 2020 AT 8:21 AM
Tiny
JACOBANDNICKOLAS
  • MECHANIC
  • 110,194 POSTS
Hi,

You are very welcome. I had a feeling that was the problem. Anything to make our lives a little more difficult. LOL

You take care of yourself and let us know if you ever have questions in the future.

Joe
Was this
answer
helpful?
Yes
No
Tuesday, January 7th, 2020 AT 7:45 PM

Please login or register to post a reply.