Grounded starting system out

Tiny
JACOBANDNICKOLAS
  • MECHANIC
  • 110,194 POSTS
Does it continue to flash until the key is turned off? If so, we need to scan the computer to see if there are diagnostic trouble codes related to the CC.

Here is a quick video showing how it's done:

https://youtu.be/YV3TRZwer8k

Let me know what you find.

Joe

Was this
answer
helpful?
Yes
No
Thursday, July 29th, 2021 AT 1:30 PM
Tiny
LBCHIC562
  • MEMBER
  • 19 POSTS
The OBD2 isn't giving me any code. But when I use a jumper in the OBD1 reader under hood I get 31 which was my vehicle speed sensor and I replaced that but I also found that it is my MAP sensor code. So I went ahead and changed that out also.
Was this
answer
helpful?
Yes
No
Thursday, July 29th, 2021 AT 1:44 PM
Tiny
LBCHIC562
  • MEMBER
  • 19 POSTS
The one time it did give me a could it was for my Map sensor. And I was already in the process of changing it out.
Was this
answer
helpful?
Yes
No
Thursday, July 29th, 2021 AT 1:45 PM
Tiny
JACOBANDNICKOLAS
  • MECHANIC
  • 110,194 POSTS
Hi,

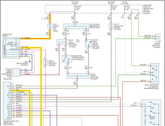
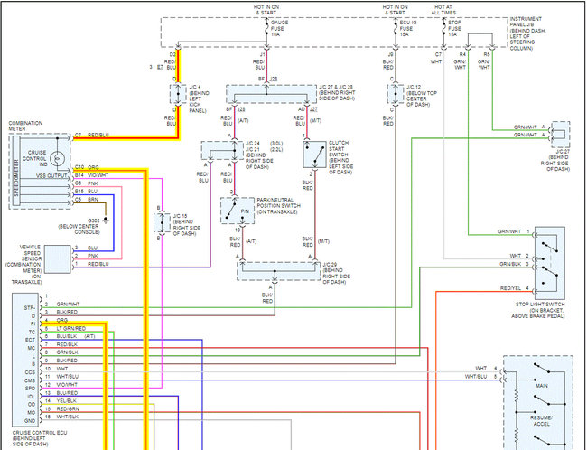
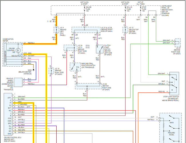
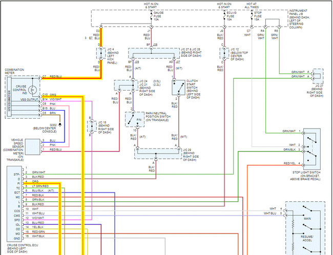
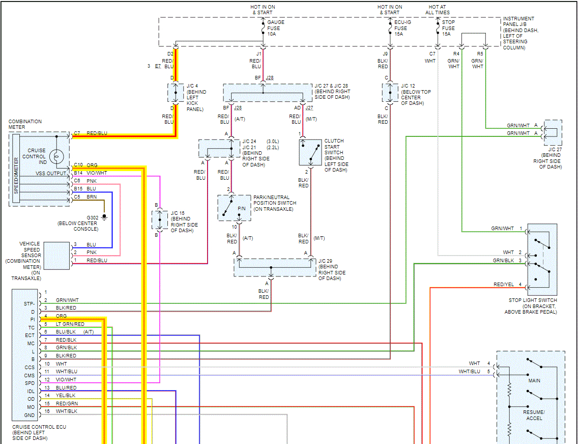
If it is flashing and won't reset by turning it off and then back on, it could be several things. I attached the wiring schematic below. It's possible that a wire is disconnected or damaged in one of the kick panels or under the dash in the CC ECU.

Make sure the brake lights are working and there are no burned-out bulbs. A faulty brake light switch could cause issues. Also, it could even be a wheel speed sensor. Is there anything you can think of that may have led to it happening?

Let me know.

Joe

See pics below.
Was this
answer
helpful?
Yes
No
Thursday, July 29th, 2021 AT 7:37 PM
Tiny
LBCHIC562
  • MEMBER
  • 19 POSTS
When my car lost power on the 15th of May, I may or may not of been in cruise control when I shifted between 4 gears in a 5 second time frame. I'll check my brake lights. Also my front driver headlight doesn't work the other one does.
Was this
answer
helpful?
Yes
No
Thursday, July 29th, 2021 AT 11:30 PM
Tiny
LBCHIC562
  • MEMBER
  • 19 POSTS
Looking at the wiring diagram you sent. I believe that one of the connecter is the one I can't find to plug back in. I circled it in the pic. Where does it go or plugged into?
Was this
answer
helpful?
Yes
No
Thursday, July 29th, 2021 AT 11:36 PM
Tiny
LBCHIC562
  • MEMBER
  • 19 POSTS
This is the one connector I do not know where to plug it in at.
Was this
answer
helpful?
Yes
No
Thursday, July 29th, 2021 AT 11:49 PM
Tiny
JACOBANDNICKOLAS
  • MECHANIC
  • 110,194 POSTS
Hi,

At the point you indicated, they are behind the left kick panel at a junction. At the opposite end, they plug into the rear of the data link connector under the dash.

I attached a schematic (cut in half) below. Let me know if that helps you.

Note: If you follow the orange wire, it runs to the cruise control module.

Take care,

Joe

See pics below.
Was this
answer
helpful?
Yes
No
+1
Friday, July 30th, 2021 AT 8:15 PM

Please login or register to post a reply.