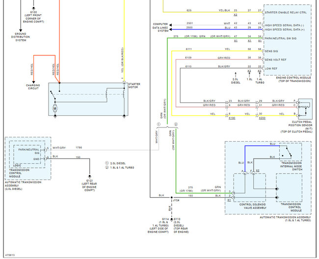
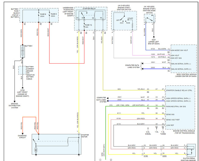
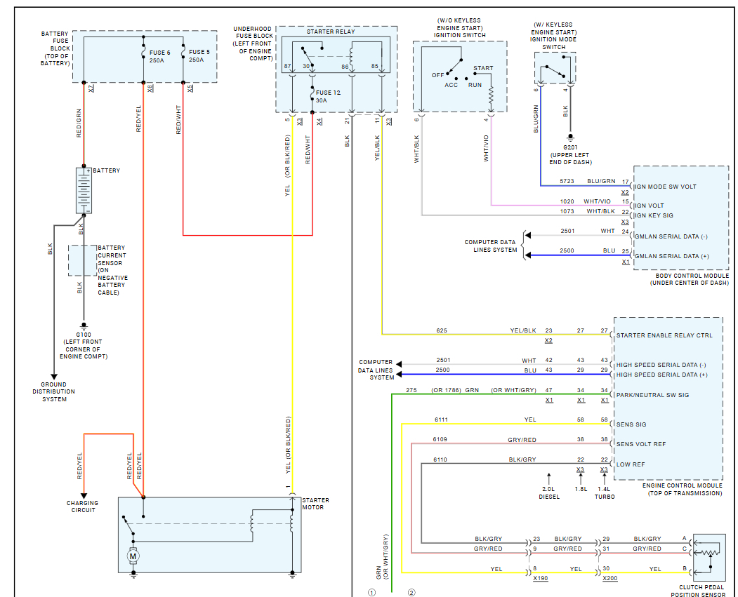
Tuesday, January 28th, 2025 AT 11:48 AM
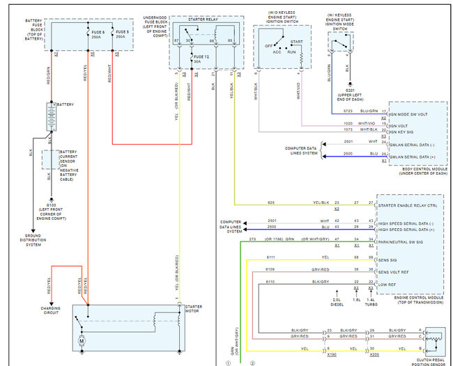
I replaced the plugs and coil pack. Award’s the car started just fine. I took it for a test drive. All good. A couple of hours later I went to start the car. All the lights came on when I turned the key, but it didn’t start. I saw my ground wire that is connected to my negative battery cable was broken off. Reconnected it but it still won’t turn over.






