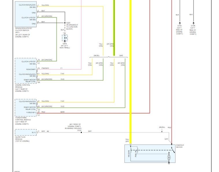
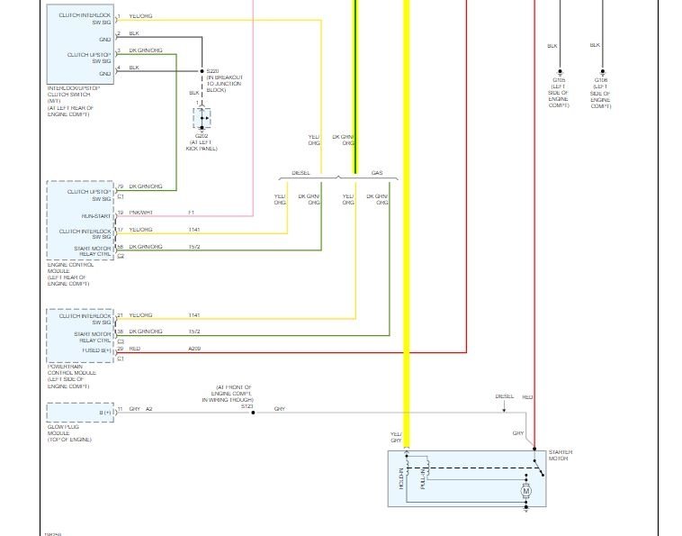
My vehicle has been sitting for about a two weeks because it has a misfire. I put in six new spark plugs and a new ignition coil in cylinder B because it was melted and giving me an error code. I went to start it for the first time this morning and it wouldn't do anything. It just made a click sound, it isn't even turning over.
I asked my buddy to come give me a jump and even with starting cables hooked up I couldn't get it to start.
It is making an aggressive grinding sound coming from the driver side and it sounds like its coming from the back of the hood. Driver side further back if that makes sense. Let me know if you need clarification. What could be causing this and hopefully its a quick fix?
My buddy said it sounds like the solenoid is going but the starter isn't actually turning? He isn't a mechanic and he said he's not positive, he's mediocre but knowledgeable for sure. He could be wrong.
Any feedback? Would you like me to take a video of the noise?
Wednesday, November 13th, 2019 AT 2:44 PM






