Thursday, December 2nd, 2021 AT 11:15 PM
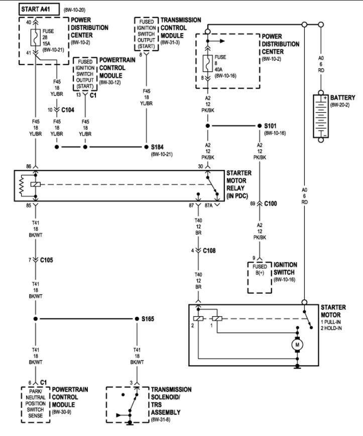
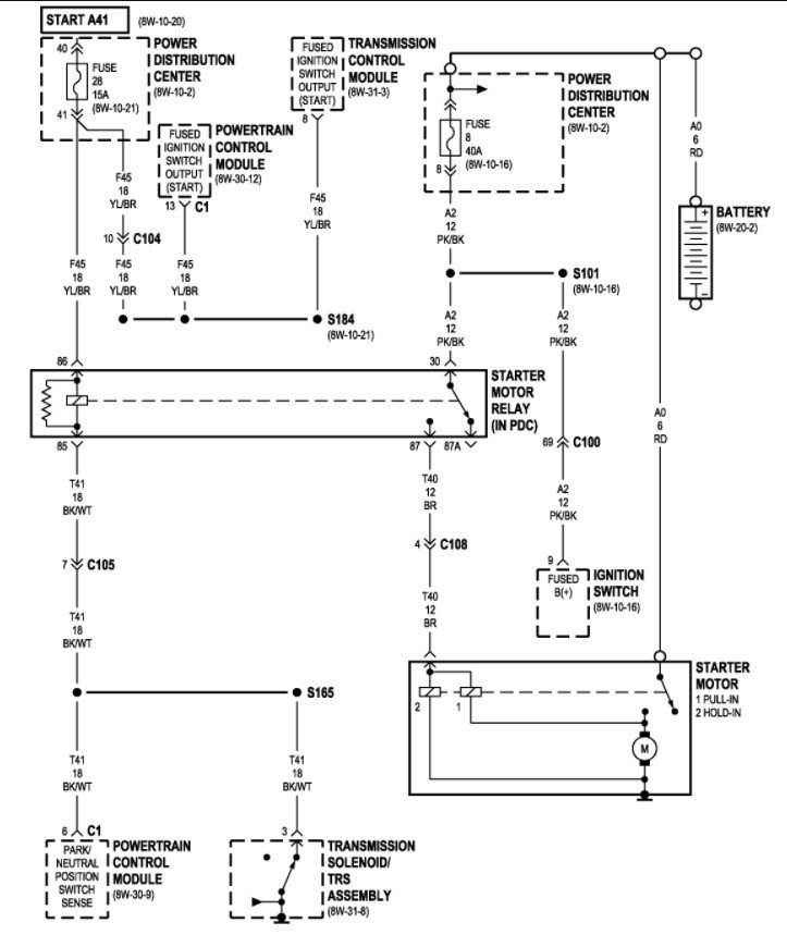
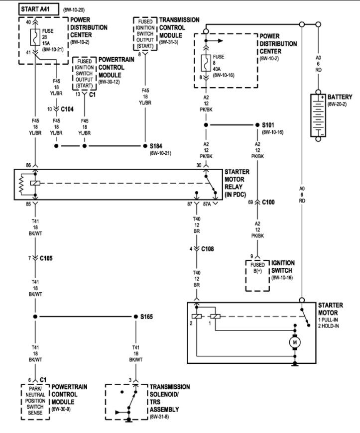
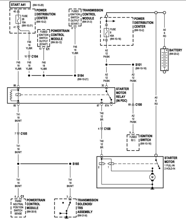
I'm pulling my hair out over here. Vehicle was running fine and then all of a sudden, the engine would not turn over. Only 2,200 miles on last oil change of Valvoline max life oil. Had starter tested, it passed but AutoZone gave me a replacement just to be on the safe side. Installed replacement starter, same issue. I hear the starter engage but will not turn over. Motor is not locked up, was able to put a socket on the crankshaft bolt and rotate the motor with no issues. Did see a ground strap on the firewall that had separated. Tried using a 10-gauge wire as a replacement ground wire and still the same issue, engine will not turn over. Could this be a starter relay issue? Battery is only 6 months old. Before I started troubleshooting the issue, there was one time where I turned the ignition key a couple times and on the third attempt it started. I let it run for a few minutes, turned the vehicle off and tried starting it again and it started like nothing happen. Drove it around for 10-15 minutes, parked at my house turned it off. Waited until the engine cooled off, tried to start the Jeep and nothing, would not turn over. What am I missing?




