Service ride control

Tiny
SHAWN3295
  • MEMBER
  • 2003 GMC YUKON
  • V8
  • AWD
  • AUTOMATIC
  • 117,000 MILES
Yes my Denali is saying service ride control on the dash. I don't think the air compressor is coming on. I have checked the fuse and it is good. Could there be a faulty relay? Is this a common problem with these Denali? If relay, where is it located.
Sunday, December 20th, 2009 AT 5:20 PM

1 Reply

Tiny
KASEKENNY
  • MECHANIC
  • 18,907 POSTS
More than likely there was a leak in the system that that pump kept running and is burned up. This could be as simple as a fuse or relay but we need to start with checking power at the pump no matter what the cause.

https://www.2carpros.com/articles/how-to-check-wiring

Basically if we have power at the pump, it should be on and the hold system is most likely working just fine but the pump is not turning on which means the pump needs replaced.

If there is not power then we need to track it back through the system.

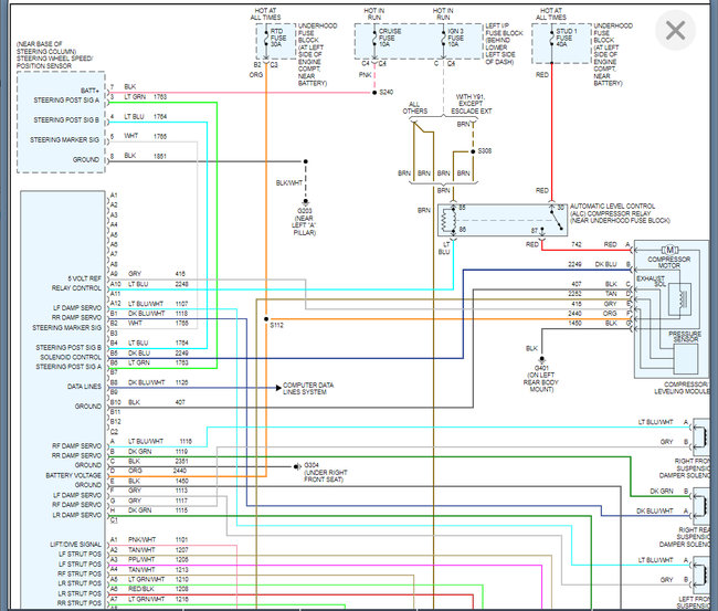
However, let's get to that after we check the power at the compressor. You should have power leaving the relay on the red wire, circuit 742. If you have power on this wire then we need to replace the compressor.

Please see the wiring diagrams below.

Please let us know what you find with this and we can go from there.

Thanks
Was this
answer
helpful?
Yes
No
+1
Wednesday, August 4th, 2021 AT 7:04 PM

Please login or register to post a reply.