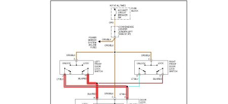
1994 GMC Suburban V8 Two Wheel Drive Automatic
It has power locks, if I press the lock button it is fine but if I press the unlock button nothing happens. If the truck is turned on the same thing happens with lock, but unlock causes the gauges to jump a little, a semi loud clicking sound, and the radio turns off then back on. No matter what, the doors do not unlock unless I do it manually.
Friday, August 13th, 2010 AT 6:26 PM


