Fuse blown ("Ign A" 40 amp)

Tiny
SCHA2707
  • MEMBER
  • 1999 GMC SIERRA
  • 6 CYL
  • 2WD
  • AUTOMATIC
  • 125,000 MILES
My Ign A 40 Amp fuse keeps blowing. I've tried a new starter, starter relay, and power cable with no luck solving the problem. Sometimes when I try to start it, the starter will stay engaged even with the key out of the ignition. I'm stumped, any help is appreciated.
Monday, November 23rd, 2009 AT 8:14 AM

8 Replies

Tiny
JDL
  • MECHANIC
  • 16,098 POSTS
Welcome to the forum. Does the fuse blow as soon as you plug it in? Does it blow driving down the road? Voltage to load side of starter relay is hot all the time, voltage to coil side of relay comes from ignition switch, key in start position. Once the vehicle starts and the key returns to the run position, there should not be any voltage at coil side of relay.
Was this
answer
helpful?
Yes
No
Monday, November 23rd, 2009 AT 8:50 AM
Tiny
SCHA2707
  • MEMBER
  • 4 POSTS
It blows when I turn the ignition to start. It's frustrating because I've traced as much of the wire from the solenoid to the underhood fuse box as much as I can and found no short. I hook it back to the solenoid and I replaced the fuse and it started. I would let it run for a while, turn it off and it would start back up for a couple times. Then I try to start it again and the fuse blows and the starter stays engaged and the truck doesn't start.
Was this
answer
helpful?
Yes
No
+4
Monday, November 23rd, 2009 AT 12:08 PM
Tiny
JDL
  • MECHANIC
  • 16,098 POSTS


https://www.2carpros.com/forum/automotive_pictures/170934_sierra_starter_relay_1.jpg



As far as the starter run on, you can check circuits at starter relay, the coil side of relay should not be hot, with engine running only cranking.

That fuse that keeps blowing serves many circuits, not just the starter relay. If you think it is a starter issue, isolate the starter circuit, see if the fuse still blows. You can pull starter relay, turn key to crank, see if fuse still blows? You can also, pull starter relay, use jumper wire, from battery B+ to terminal 87 in diagram, the starter should crank. Be sure to use inline fuse on jumper, not sure of size, try 20 amp fuse, see if it still blows. It would be nice to check amp draw on that circuit? Any testing, make sure the tranny is in park or neutral and the e-brake is set and functional.
Was this
answer
helpful?
Yes
No
+3
Monday, November 23rd, 2009 AT 1:16 PM
Tiny
SCHA2707
  • MEMBER
  • 4 POSTS
I appreciate your time and help, but this is starting to get above my knowledge. In your opinion, is this a problem that I could take to a mechanic and they could troubleshoot and locate the problem for around $200 - $300?

This has been frustrating me in my free time for about a month.
Was this
answer
helpful?
Yes
No
-1
Monday, November 23rd, 2009 AT 2:25 PM
Tiny
JDL
  • MECHANIC
  • 16,098 POSTS
Different shops charge different for labor and diagnostics? I'd charge you 100 bucks for diagnostics. Fifty bucks an hour for labor, two hour minimum. Then you add the cost of parts. It could be a little more or less, depending on what I run into. I don't know what anybody else would charge?
Was this
answer
helpful?
Yes
No
Monday, November 23rd, 2009 AT 3:15 PM
Tiny
CRASH9422
  • MEMBER
  • 1 POST
I have the same exact issue. Was a solution found?
Was this
answer
helpful?
Yes
No
+4
Saturday, August 31st, 2019 AT 7:13 PM
Tiny
KEN L
  • MASTER CERTIFIED MECHANIC
  • 55,488 POSTS
Hello,

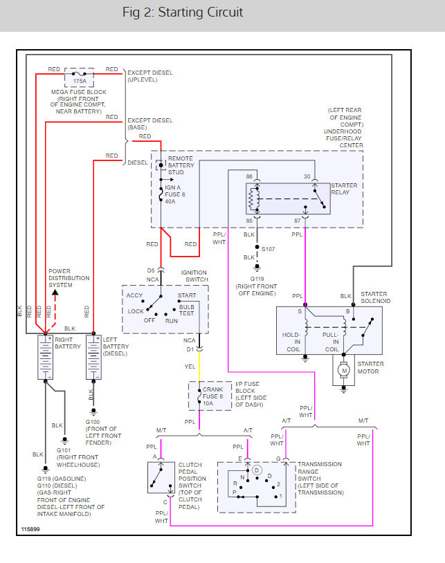
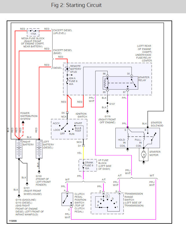
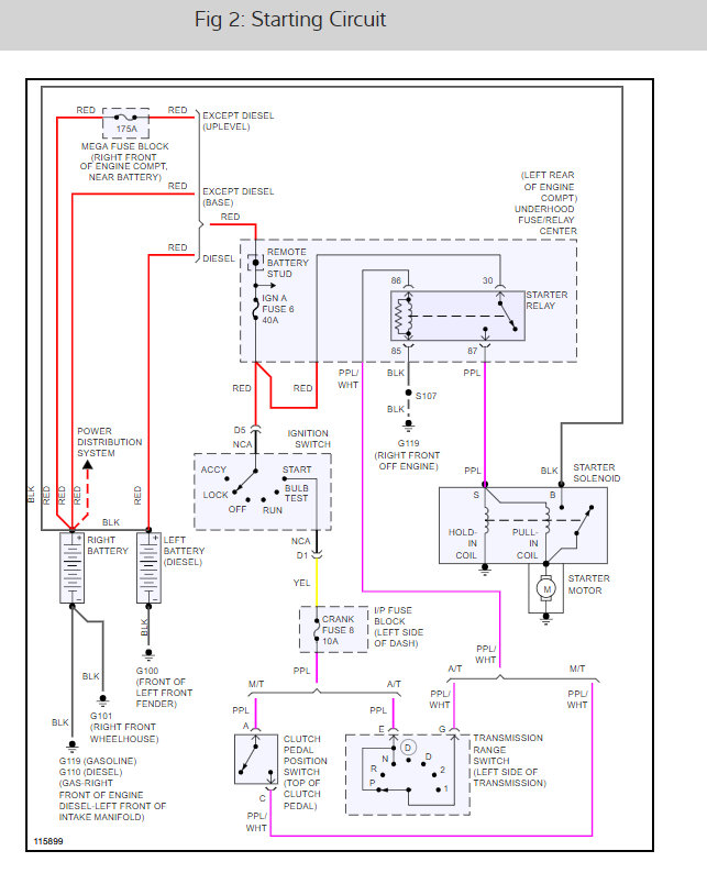
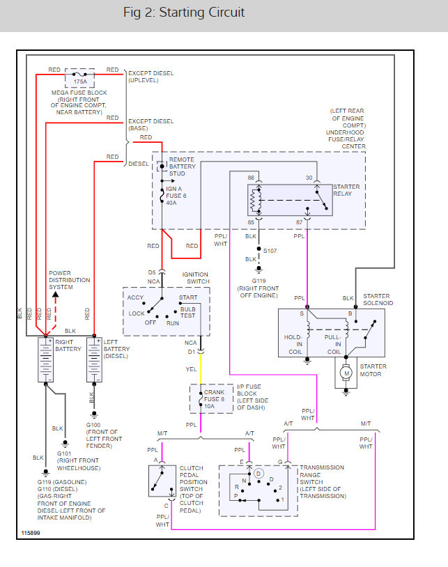
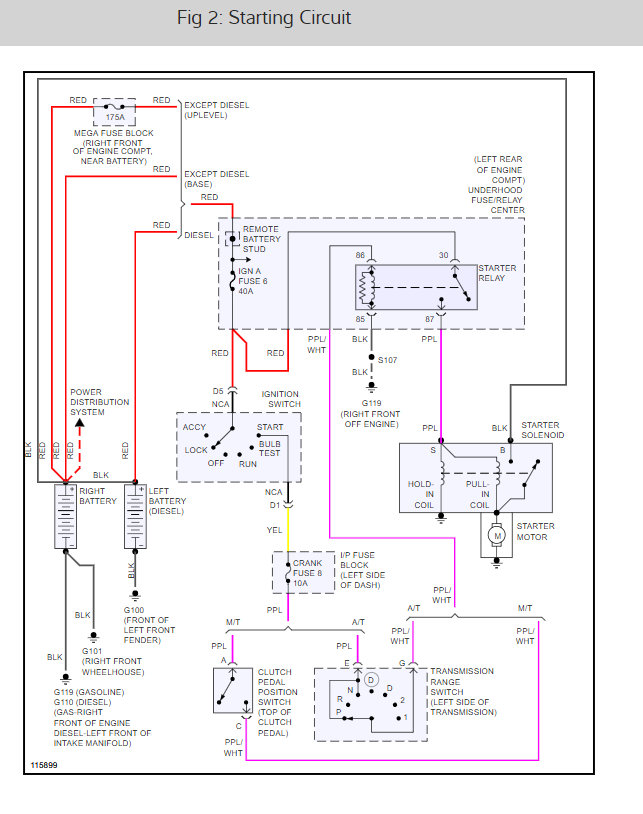
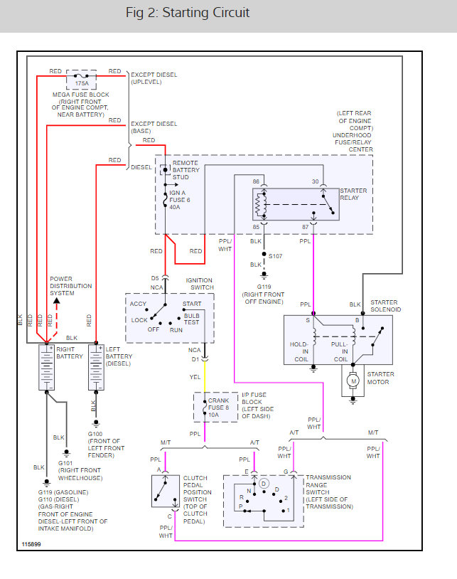
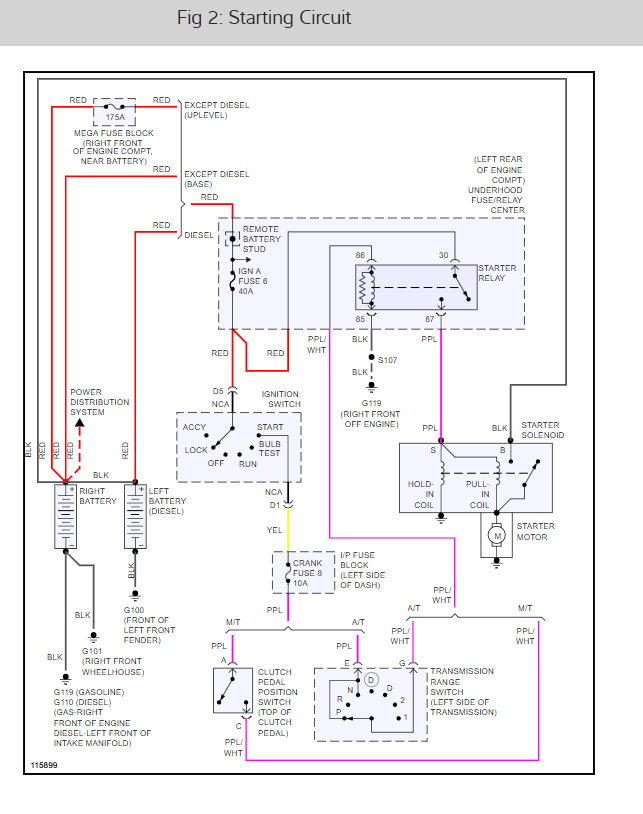
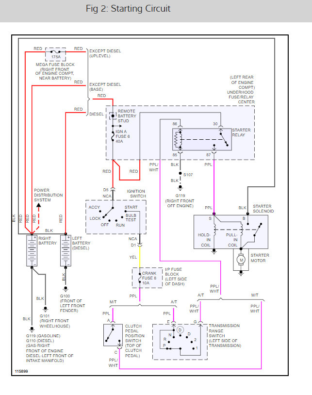
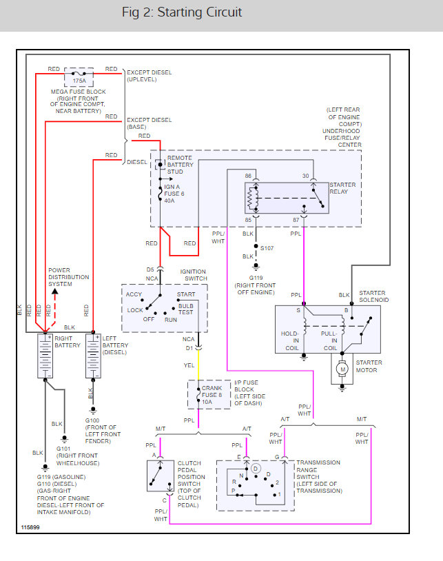
I believe the starter was the problem here is the complete wiring diagrams for the circuit so you can see how it works.
Was this
answer
helpful?
Yes
No
+1
Sunday, September 1st, 2019 AT 11:04 AM
Tiny
KASEKENNY
  • MECHANIC
  • 18,907 POSTS
This fuse runs two major components. The starter relays and in turn the starter.

Then the ignition switch. So, if you take a look at the wiring diagram below of the power flow for this circuit we need to find out if any of the other fuses like the ignition 1 or turn fuse are blowing.

If only the IGN A fuse is blowing and the starter, starter relay has been replaced and it is still blowing then the ignition switch is most likely shorted causing a direct path to ground and it blows the fuse.

https://www.2carpros.com/articles/how-to-check-wiring

Basically, we just need to remove the fuse and check for a short to ground.

If it is there, then disconnect the switch and see if it goes away or to an open circuit.

If it does, then I would replace the switch because the issue is between the fuse and additional fuses and this switch is the only thing there.

Please run through this and let me know what you find. Thanks
Was this
answer
helpful?
Yes
No
+1
Wednesday, December 29th, 2021 AT 4:06 PM

Please login or register to post a reply.