Will not stay charged no voltage?

Tiny
VIRGINIAPANDREA
  • MEMBER
  • 1997 GMC JIMMY
  • 6 CYL
  • 4WD
  • AUTOMATIC
  • 10,000 MILES
My Jimmy does not charge the battery when running. It reads low voltage and has had 2 new batteries and also 2 new alternators.
Friday, January 22nd, 2010 AT 11:16 PM

1 Reply

Tiny
RASMATAZ
  • MECHANIC
  • 75,992 POSTS
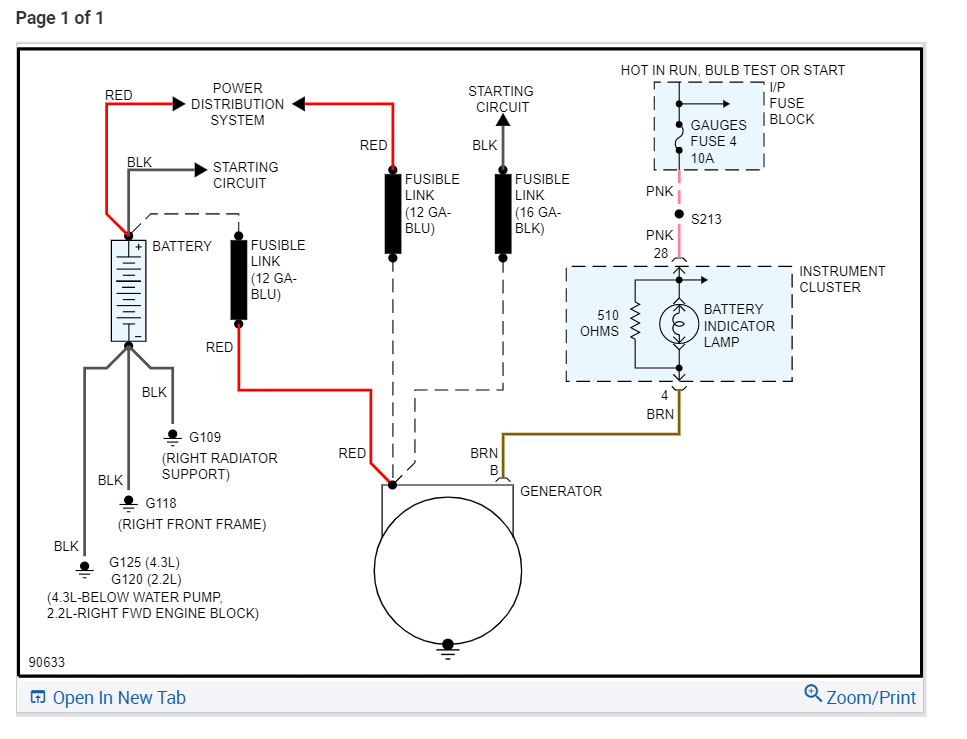
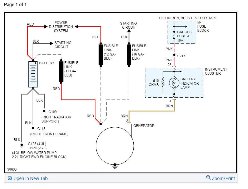
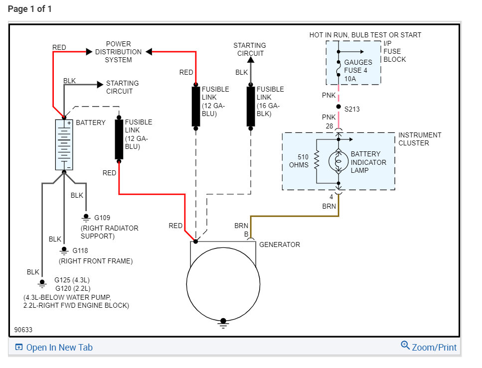
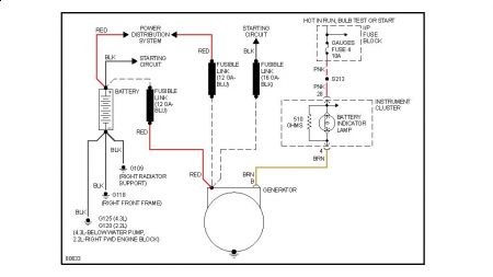
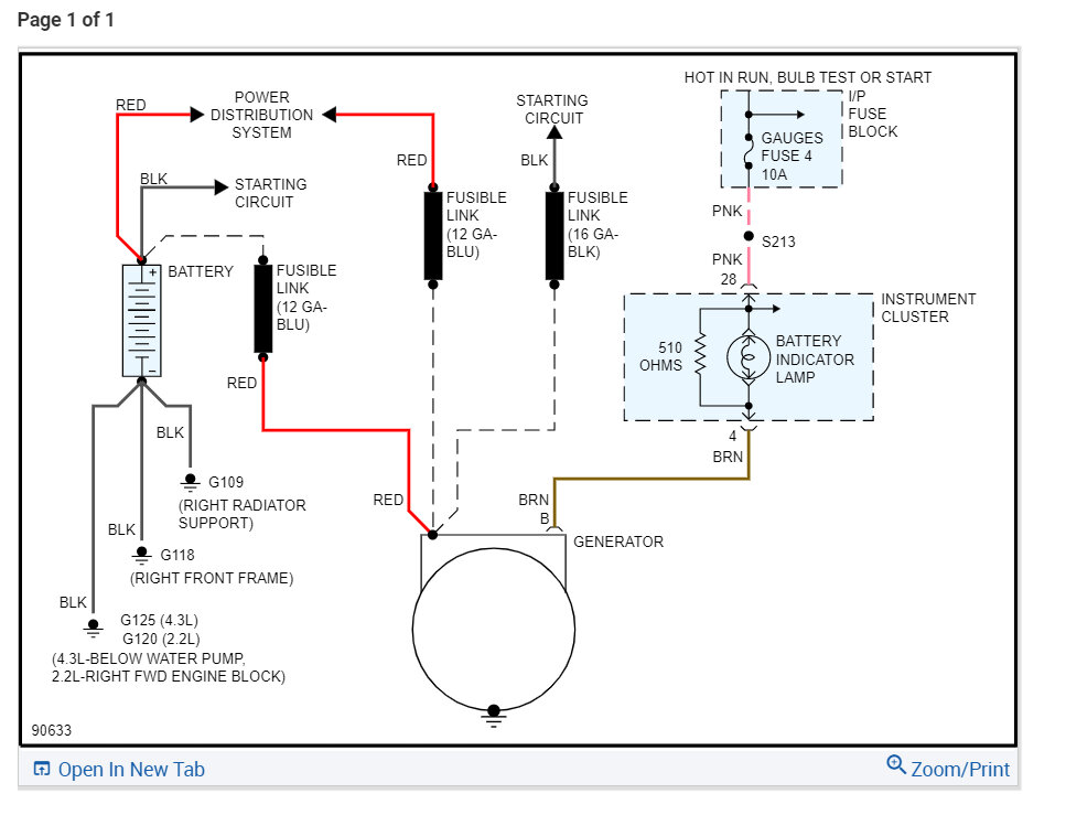
Check all the fusible links and gauges fuse no.4 10amp, inspect the brown wire if its open between the alternator thru charge indicator to the gauges fuse no.4 10amp holder


https://www.2carpros.com/forum/automotive_pictures/12900_alty1_28.jpg



Please check the gauge fuse and the fusible links also check the main power wire at the alternator. Check out the images (Below). Please let us know what happens.
Was this
answer
helpful?
Yes
No
Saturday, January 23rd, 2010 AT 12:21 AM

Please login or register to post a reply.