Monday, February 16th, 2009 AT 1:53 PM
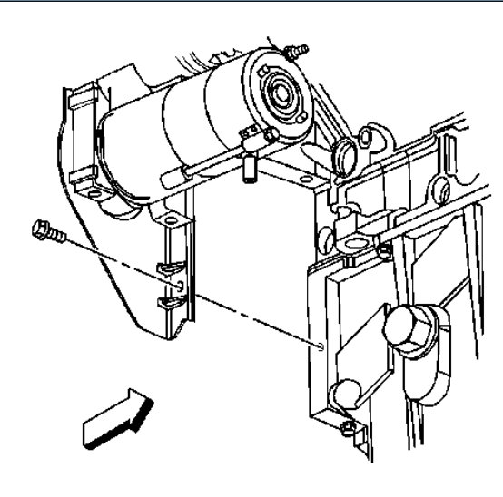
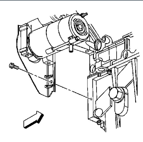
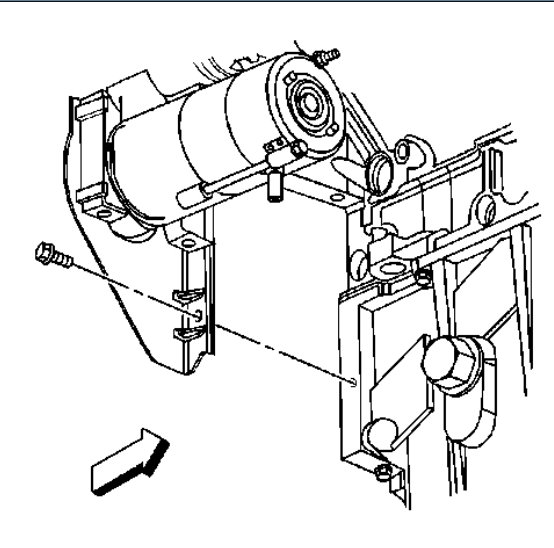
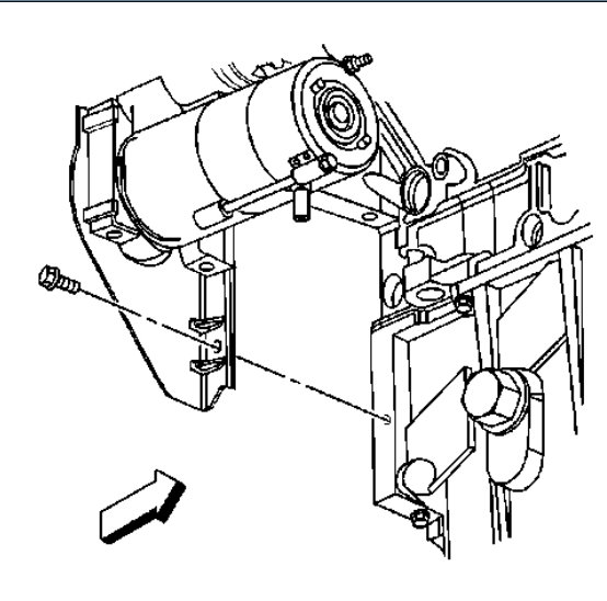
GMC Vortec max. When I turn key engine will not crank. Battery has 12.4v and everything works such as radio, heater blower, etc, when key is in the on position. But when I turn it to start the engine, nothing happens. No clicking or anything. It acts like a switch, fuse or interlock. Fuses appear to be good?

















