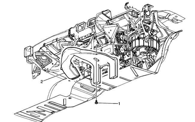
I'm hoping to get to vent door actuator as air isn't transitioning from face to defroster so no heat is hitting the front window.
Plus, I currently only have head on drivers side. May have more work but stepping through one component at a time. Happy to take suggestions.
Wednesday, November 26th, 2025 AT 2:23 PM










