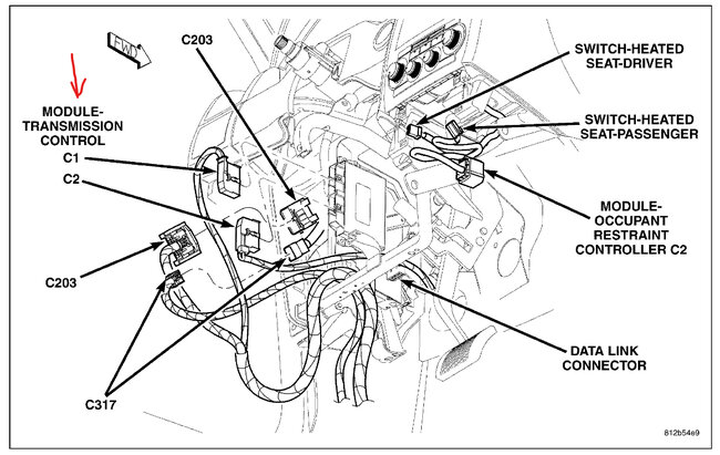
The symptoms of the car were a gear that wouldn't select and a hard start. p0700 and p0888 codes are more common even after succeeding to clear the codes. The stalling stopped when I did all system scan and I also noticed that when it was processing, at about 98% for the all system scan, the was an actuation at the throttle body, and PCM? Please, what could be responsible for that cars problem and how can I fix it?
https://drive.google.com/file/d/1D_iPR4nKEoF-mg73Q8jDNKFrn0qnbRpb/view?usp=drivesdk
Tuesday, January 23rd, 2024 AT 8:25 PM



















