How to correctly know if cable is attached to transmission correctly?

2010 MAZDA 3
150,000 MILES • 2.0L • 4 CYL • AUTOMATIC
Avatar
SHE’S A SHE
  • MEMBER
  • 1 POST
Help, how to correctly know if cable is attached to transmission correctly and if in correct gear. Car was driven for some time before discovering “broken bushing” problem. Now not sure if in correct gear at all times. Thought I had it figured out, then after short drive it started ‘seizing’ and jerking all over again.
Also, what are the small wires for that are attached to actual gear shifter? I broke 1 and I don’t think I know how (or have materials) to solder back on!
Mar 9, 2025 at 9:54 PM
Repair Safety Notice: This information is for general instructional purposes only. Vehicle repair can be dangerous. Verify all information, follow manufacturer service procedures, use proper tools and safety equipment, and consult a qualified repair shop when needed.
Advertisement
Avatar
STEVE W.
  • CAR REPAIR CONTRIBUTOR
  • 15,148 POSTS
If it isn't correct the normal result is that it won't start in park, instead it would start in gear. So, if you put it in park, it doesn't roll around and it only starts in park, it almost has to be correct.
However, the wires you speak of are part of that system, if they are torn then they will need to be repaired. The best way would me to get a replacement connector from a salvage vehicle and splice that in. Then see if it only starts in park. This video is one method of wire repair, takes no solder, just the heat shrink tubing, ferules, crimp tool and heat.

https://www.youtube.com/watch?v=wqV-EyYDEAg

Another one showing the crimp and seal connection method.

https://www.youtube.com/watch?v=CRA0iE_qoYk
Mar 10, 2025 at 12:56 PM
Advertisement
Avatar
STRAILER
  • CAR REPAIR CONTRIBUTOR
  • 54,209 POSTS
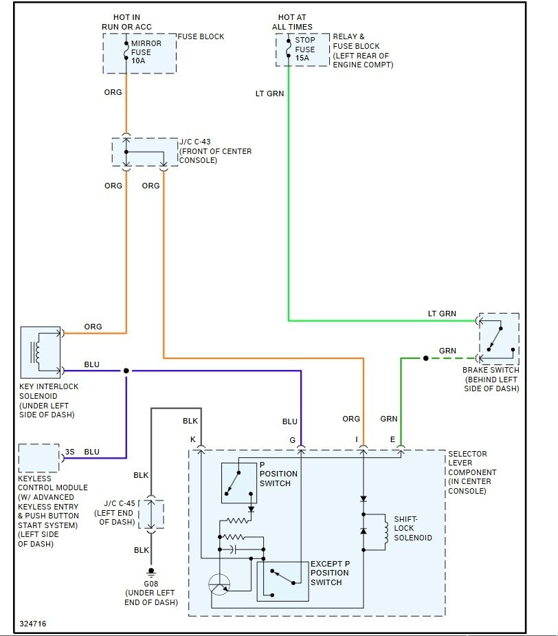
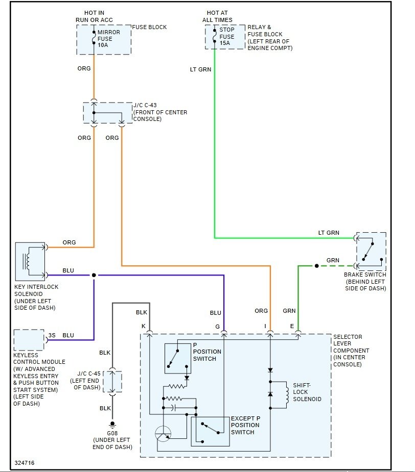
If you can upload an image of what wires you are seeing would help, here is how to install the shifter cable and how to adjust it. The car will not drive correctly is this cable is not adjusted. Please upload pictures or videos in your response of any problems so we can see what to help you with. The adjustment is up at the shifter itself. Check out the images (below). Let me know if you messed with the gear range sensor so I can help you with that as well.
Mar 10, 2025 at 12:57 PM