Symptoms:
Gauges not working but very rarely work on start up for a few seconds, then drop to zero.
All warning lights on.
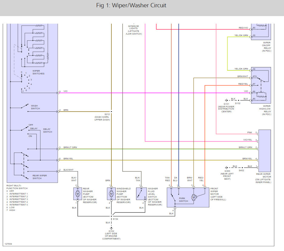
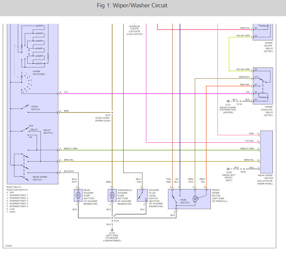
Wipers will not work.
Driver lock only unlocks driver door. Key fob only unlocks other three doors.
Throws p1687 code for cluster.
Checked or replaced:
PCM and BCM by repair shop.
Checked all ground points minus ones near motor mounts.
Checked continuity from connectors to ground for door modules, BCM, cluster, and airbag module.
Checked continuity for BUS wires to diagnostic junction port for door modules, BCM, airbag module, and cluster.
Actuator test on cluster.
BUS wire from data link connector shows 0 volts with battery connected and key "on".
BUS wire from data link connector shows infinite resistance with battery disconnected.
Tuesday, May 29th, 2018 AT 5:06 PM


