Saturday, November 2nd, 2019 AT 4:13 PM
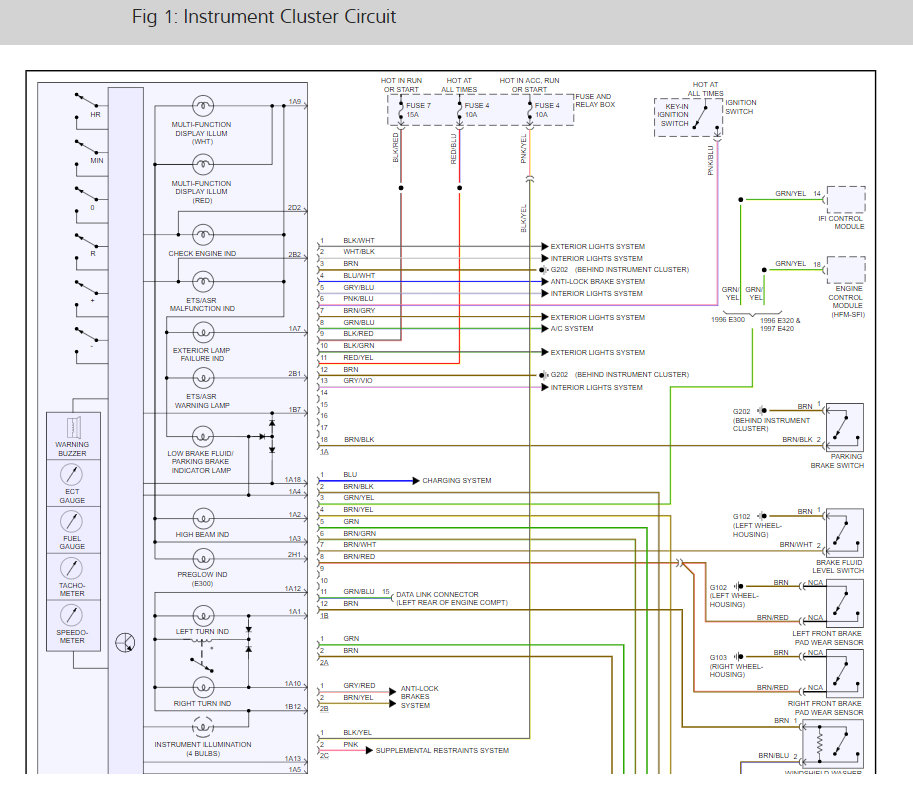
Fuel, temperature, speedometer, and tachometer gauges quit working. The tachometer gauge does jump when key is switched on and the fuel gauge registers sometimes until engine is turned on then they all register 0.






