Tuesday, February 28th, 2023 AT 1:22 PM
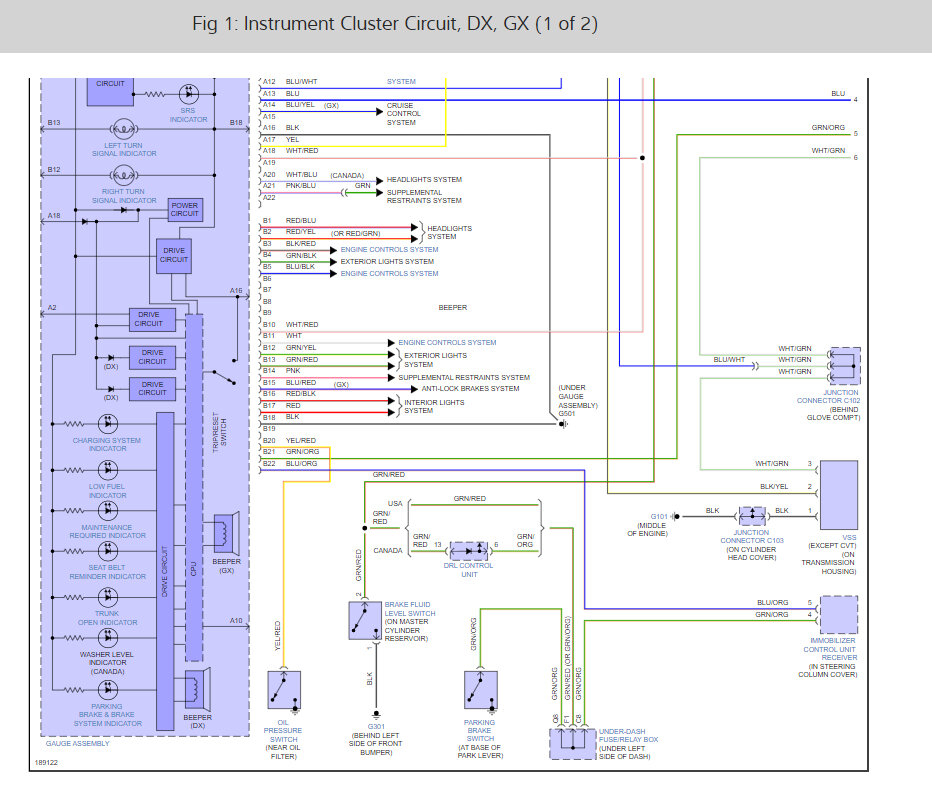
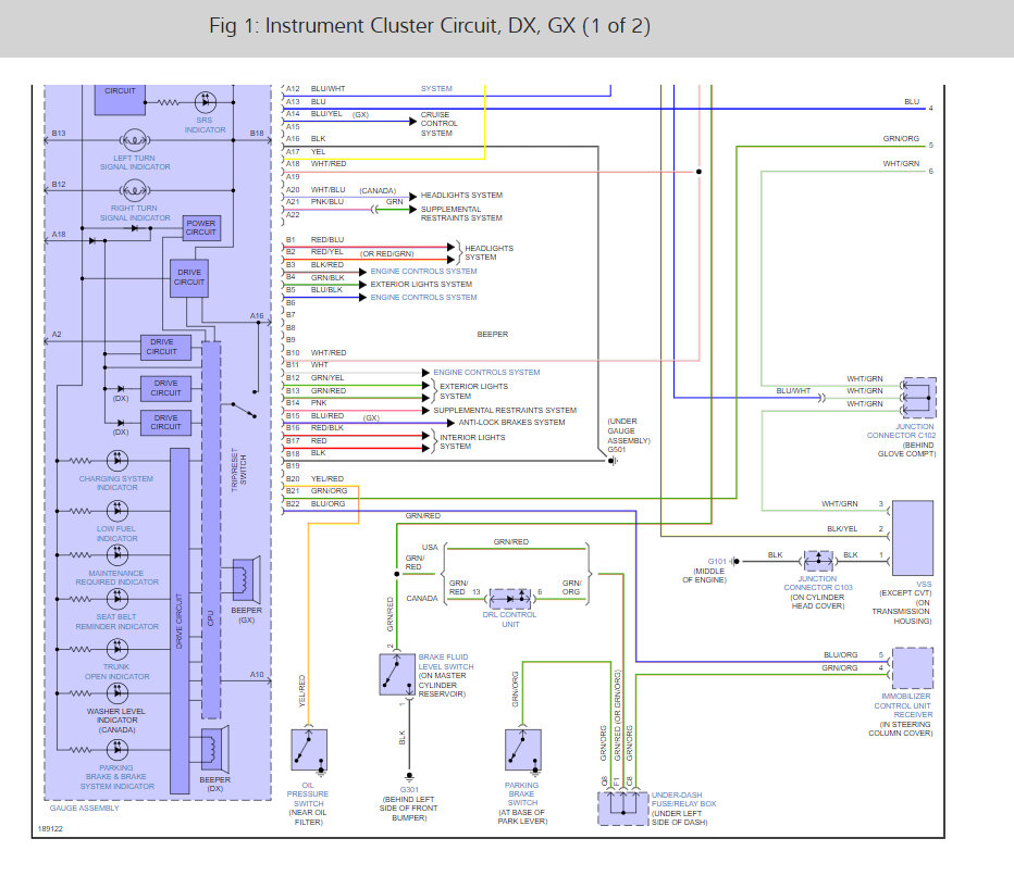
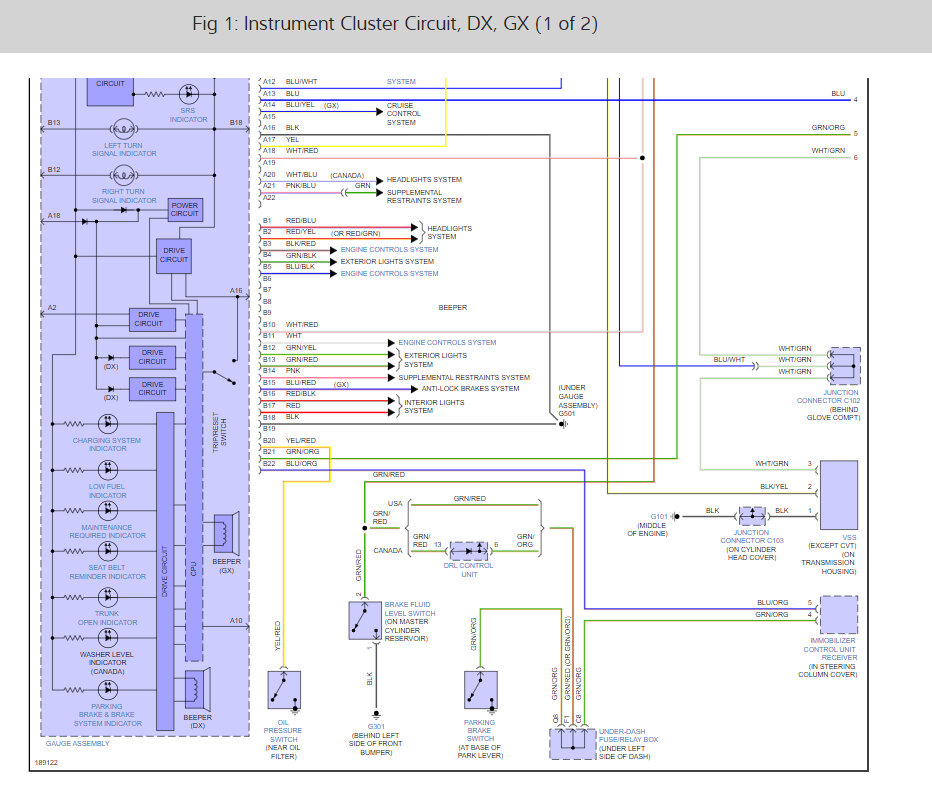
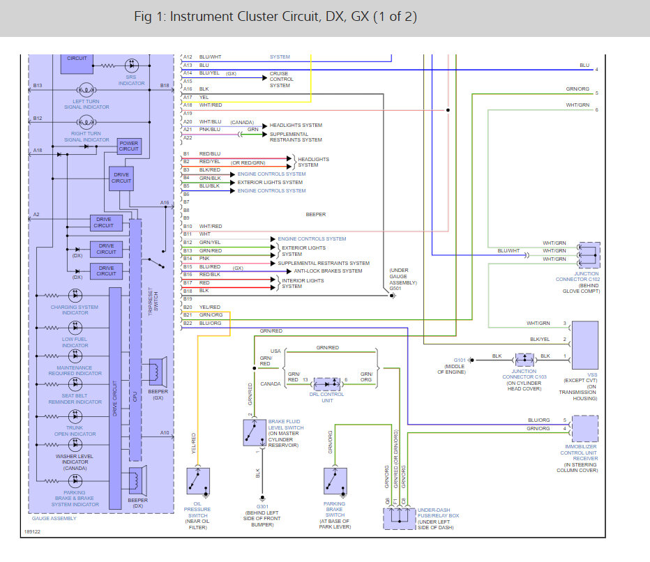
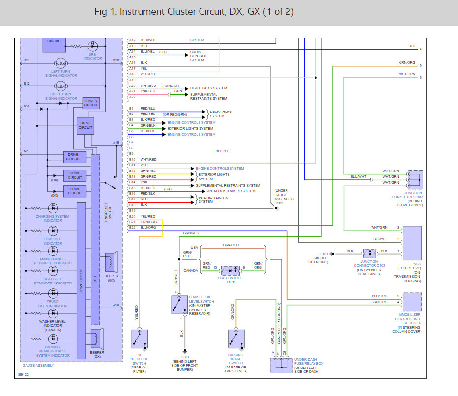
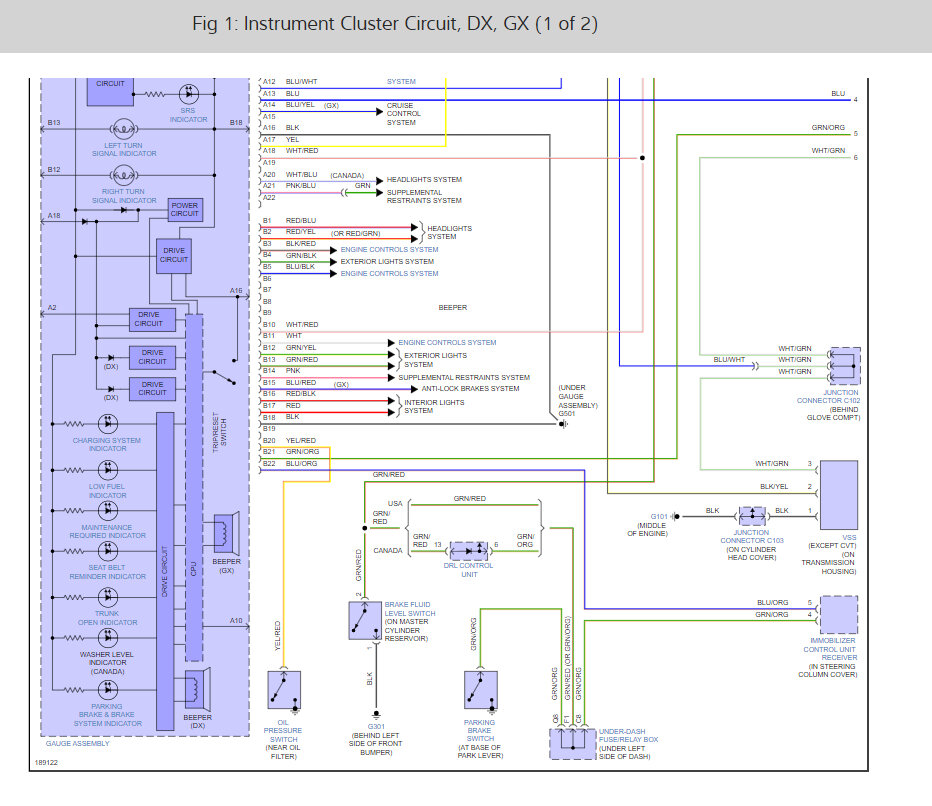
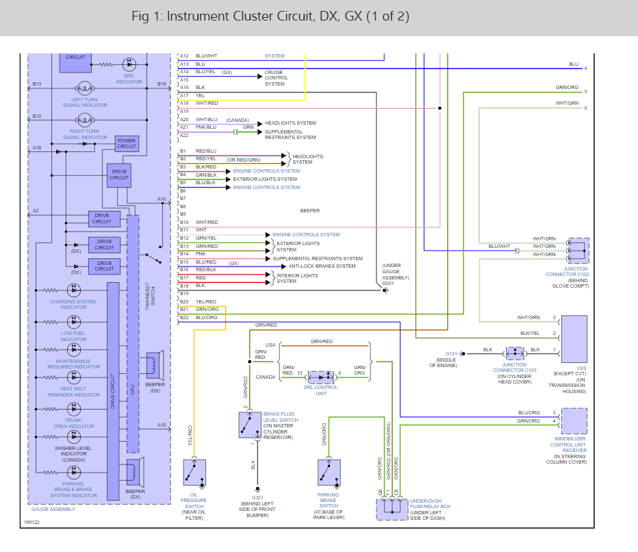
Everything was working fine and one day suddenly my gauge cluster was not working. The tachometer, speedometer, temperature, fuel, pitch black and needles didn’t move. I checked all the fuses that could interfere, and they are all good (visually) I haven’t tested them with a multimeter yet. So, I’m stuck on what else it could be if it’s not any of the fuses. Is it a ground connection? The gauge cluster itself being dead or a wire connection behind the cluster. Need recommendations.












