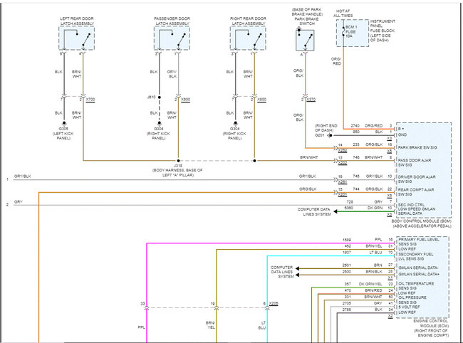
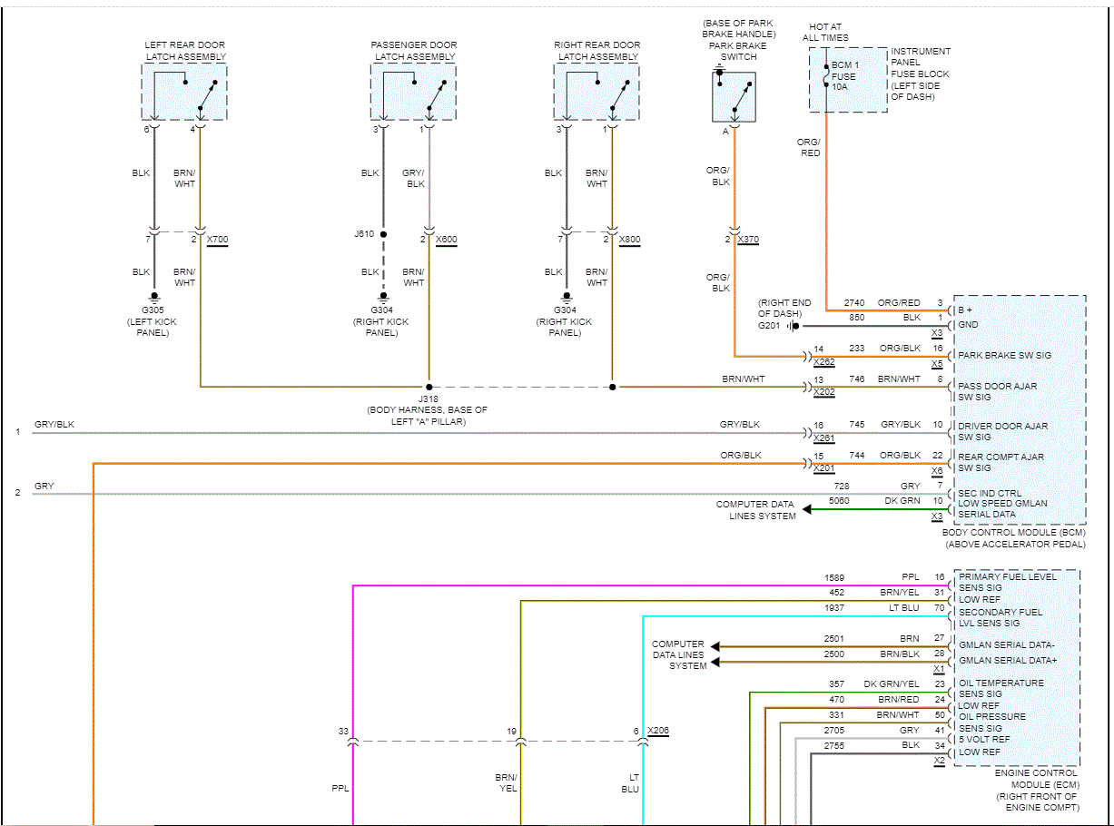
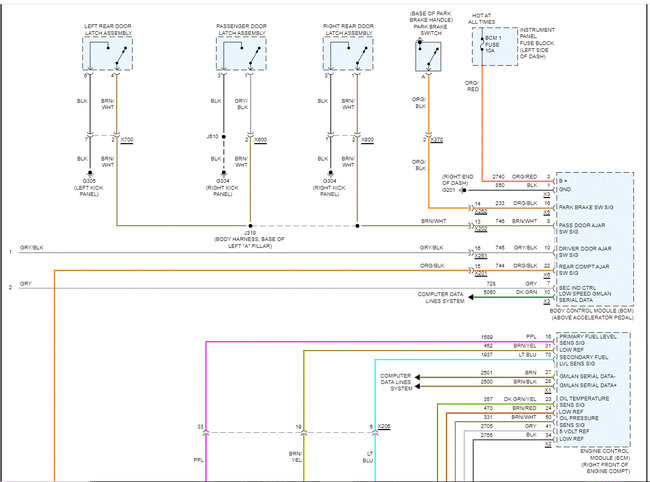
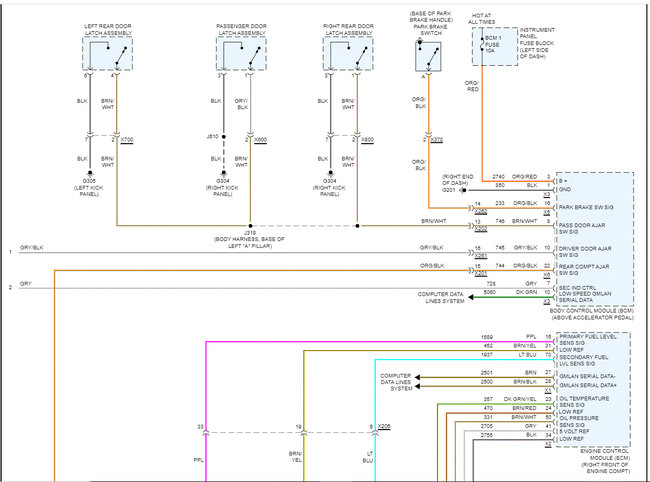
Looking for a diagram/pinout of the gauge cluster harness connector. Don't believe the g8's to be the same and unable to find one for the Caprice specifically. Thank you
Jan 23, 2022 at 2:04 PM





