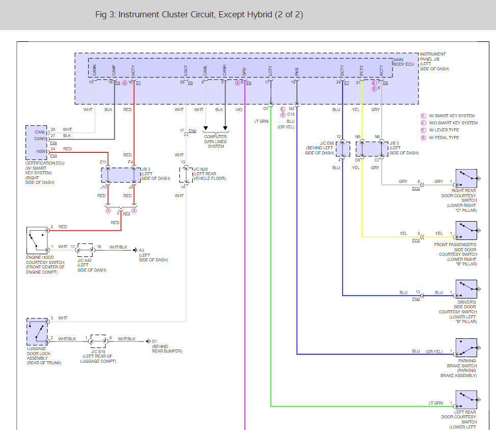
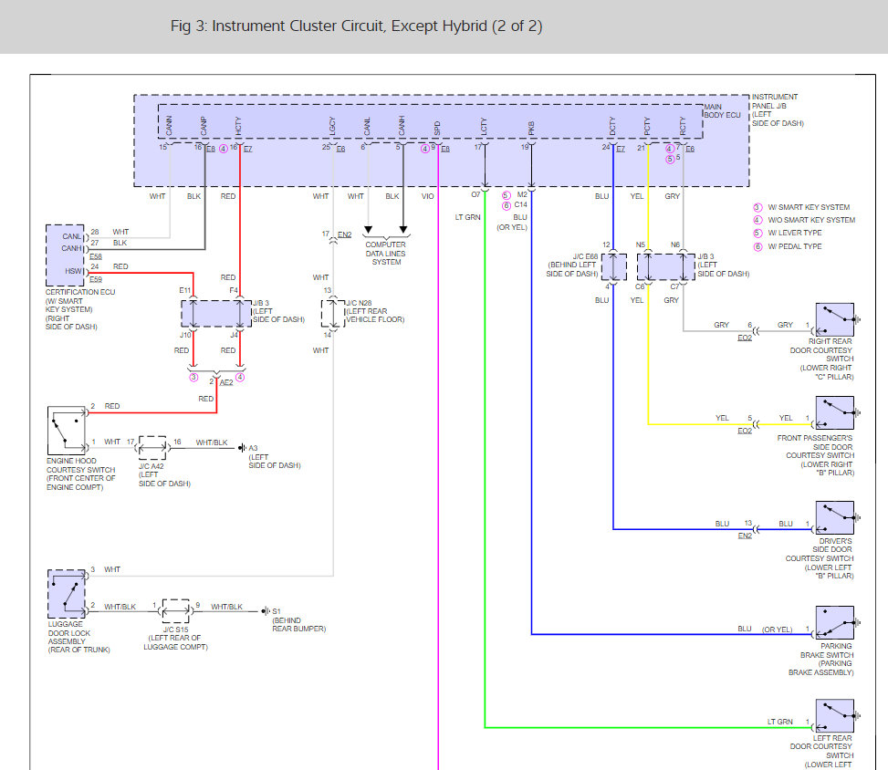
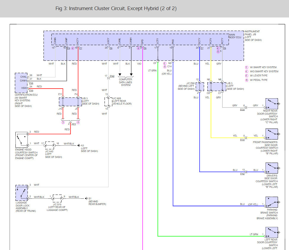
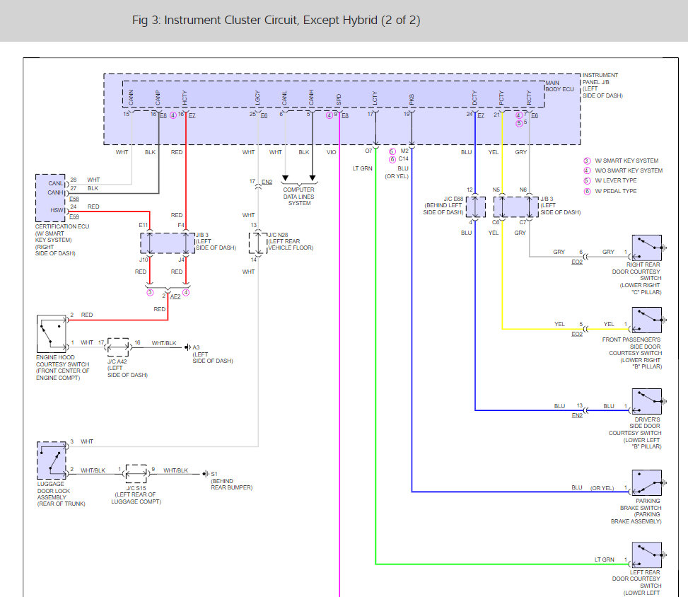
I had filled it up to a half a tank again according to the gas gauge and right after five min of driving the gas gauge already started going down and it never does that fast. I looked under the car and under the hood and I do not see or smell any gas. And no, kids cant steal my gas because I have a lock on the gas fill door.
Oh and no I have not done any modifications and yes the check engine light is on but that has been on because I am overdue for an oil change.
Thank you for your help! Oh and yes with new Toyota a check engine light will come on when all you need is an oil change its crazy.
Sunday, May 26th, 2013 AT 6:51 PM









