Fuses and relay diagrams

Tiny
AND69
  • MEMBER
  • 1995 NISSAN PATHFINDER
  • 3.0L
  • 6 CYL
  • 4WD
  • MANUAL
  • 200,000 MILES
Trying to find a diagram that shows which fuses control what as well as relays and their locations.
Thursday, September 10th, 2020 AT 6:24 PM

1 Reply

Tiny
JACOBANDNICKOLAS
  • MECHANIC
  • 110,194 POSTS
Hi,

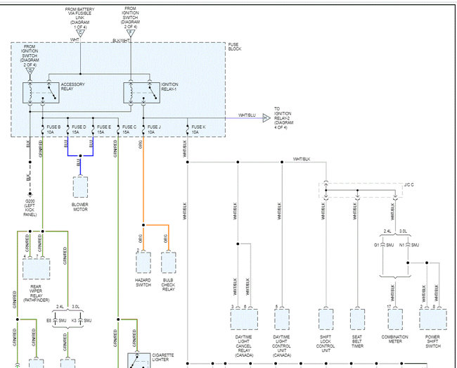
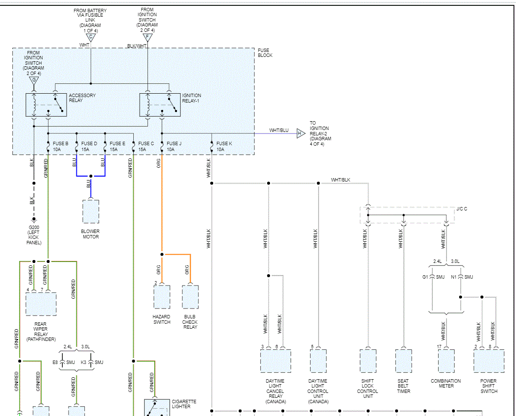
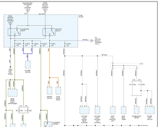
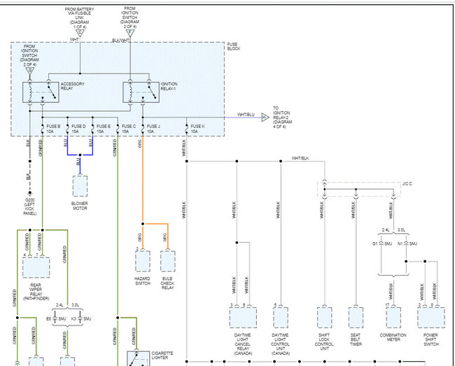
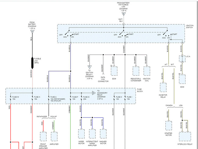
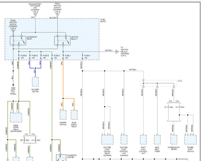
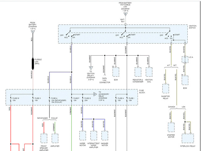
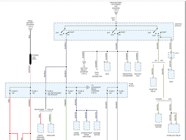
For some reason, the manual isn't showing me the fuse box and legend. So, I have attached pictures of the power distribution system. The pics overlap each other so you can follow them. Also, they show all fuses and relays. To identify what a fuse controls, trace the wiring to the component.

If you are trying to locate a specific fuse or component supply, let me know which one it is and I will be happy to help you narrow it down.

I realize this isn't the easiest way to identify fuses, but it will work.

Update: I found something that may be more helpful. If you look at pics 9, 10, and 11, they show the fuse box and legend for each fuse. Pic 12 shows the relay block. I hope this helps.

Let me know if it helps or if you have other questions.

Take care,
Joe
Was this
answer
helpful?
Yes
No
Thursday, September 10th, 2020 AT 6:51 PM

Please login or register to post a reply.