Where is the fuse located for the taillights and turn signals?

Tiny
MIKE WARD4
  • MEMBER
  • 2008 HONDA ODYSSEY
  • 6 CYL
  • 2WD
  • AUTOMATIC
  • 190,000 MILES
Taillights and turn signals fuse location needed.
Saturday, January 29th, 2022 AT 7:39 PM

1 Reply

Tiny
JACOBANDNICKOLAS
  • MECHANIC
  • 110,192 POSTS
Hi,

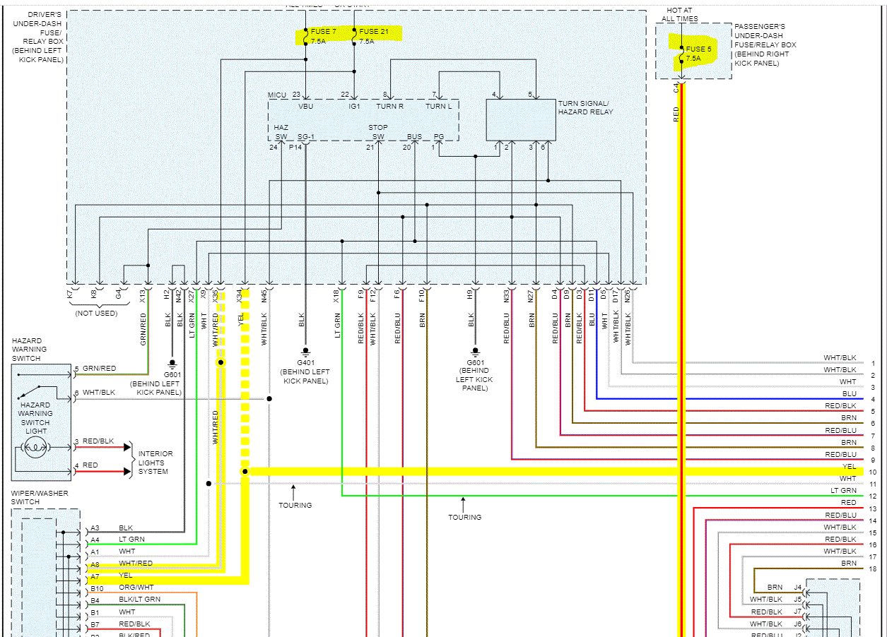
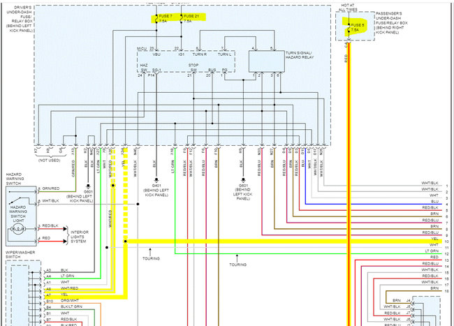
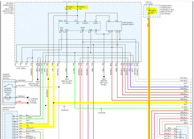
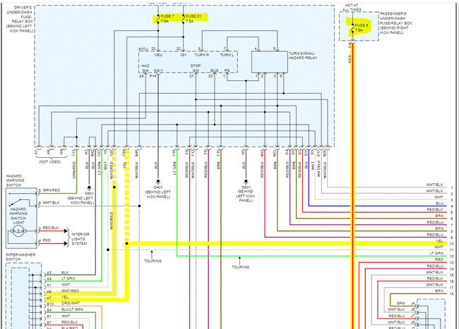
I attached the entire exterior lighting circuit schematic below. If you look at pic 1, there are fuses highlighted that are specific to the signals. At the top of pic 3, the fuses are for the parking lights.

I tried to find a pic of the fuse boxes, but they aren't listed in my manual. However, the fuse numbers are indicated in the schematics. Note: One of the fuse boxes (pic 1) is in the passenger compartment (under dash). The other is under the hood.

When you check fuses, in addition to making sure the fuse is good, make sure there is power to and from it. Here is a link you may find helpful:

https://www.2carpros.com/articles/how-to-check-a-car-fuse

Let me know if this helps or if you have other questions. I'll try my best to help.

Take care,

Joe

See pics below. Note: The schematics were two pages. I had to cut them in half to make them readable for you. I did overlap them so you can follow from one to the next.

Was this
answer
helpful?
Yes
No
Saturday, January 29th, 2022 AT 9:06 PM

Please login or register to post a reply.