Cigarette lighters or Charger plugs fuse location

Tiny
ANNA DARBY
  • MEMBER
  • 2005 CHRYSLER TOWN AND COUNTRY
  • 136,000 MILES
Where are the fuses for the cigarette lighters, or charger plugs?
Friday, December 27th, 2019 AT 7:29 AM

4 Replies

Tiny
ASEMASTER6371
  • MECHANIC
  • 52,796 POSTS
Good morning,

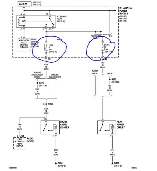
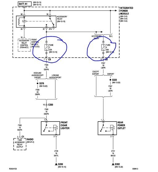
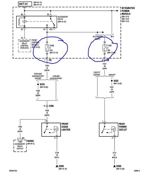
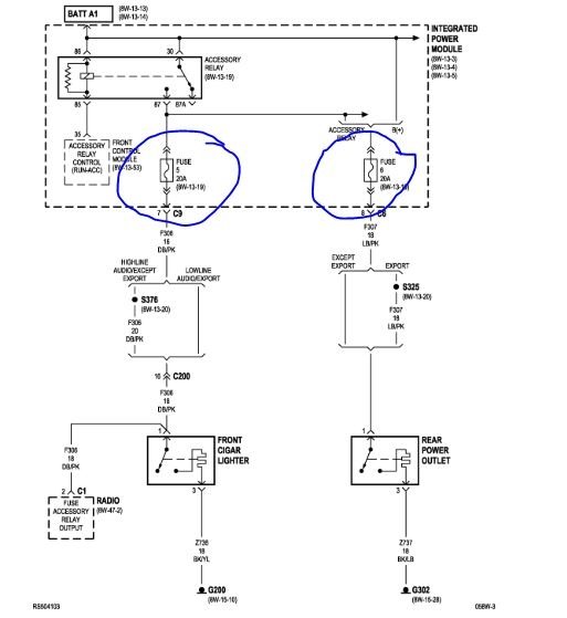
There are 2 fuses for the power outlets. They are on the under hood fuse block or TIPM.

I attached a picture for you.

Check the fuses for power. The TIPM is common for failing to provide power to many components.

Roy
Was this
answer
helpful?
Yes
No
Friday, December 27th, 2019 AT 7:40 AM
Tiny
STEVE W.
  • MECHANIC
  • 15,679 POSTS
As Roy stated they are in the TIPM. Be careful when removing and replacing them. On most of the Chrysler vehicles those fuses have two positions, one powers those outlets only when the key is on while moving it to the other position makes them stay powered on all the time. The factory position is switched power. That is the better option as it is real easy to plug in something like a cell charger or similar and then leave it there. With it powered only with the key on, it means that if it were to malfunction it's more likely that you will notice, rather than if it's parked in the garage and fails.
Was this
answer
helpful?
Yes
No
Friday, December 27th, 2019 AT 7:51 AM
Tiny
ANNA DARBY
  • MEMBER
  • 1 POST
It's not that I didn't like the answer it helped some but I plugged a cord in and it doesn't work charmingly phone
Was this
answer
helpful?
Yes
No
Sunday, January 5th, 2020 AT 1:36 PM
Tiny
STEVE W.
  • MECHANIC
  • 15,679 POSTS
Okay, so you plug in the charger and it doesn't work. Is that with the key on or off? If they do not work in either position you need to go under the hood and look in the power distribution center at fuses 5, 6, 7. Do the rear charge ports work if it has them? Is there anything else that doesn't seem to work?
Was this
answer
helpful?
Yes
No
Sunday, January 5th, 2020 AT 2:21 PM

Please login or register to post a reply.