Tuesday, October 29th, 2019 AT 1:58 PM
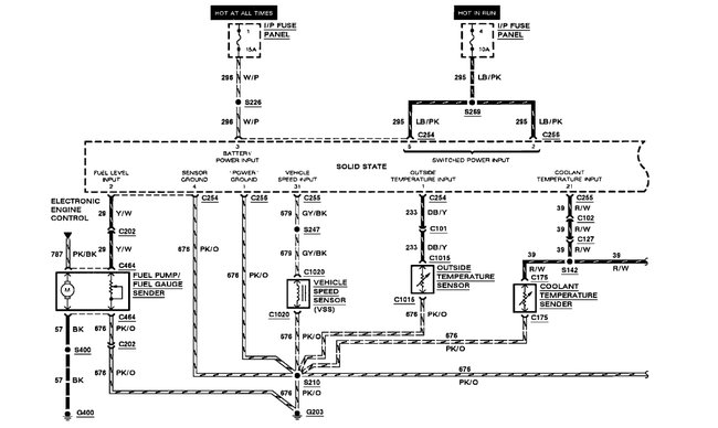
Everything was working as it should then one day I got in and the whole dash was not working. No lights nothing. Found the fuse and replaced it and soon as I turn the key over I heard it pop. The fuse is for the electronic cluster, warning chimes and lights evo steering and air bags. So I figure it is a process of eliminating each of the until the fuse doesn't pop. Well I am having a hard time finding a way to eliminate or unplug the warning chimes and lights, the air bags and the evo. I don't know what else to do. It was fine one day then all the sudden was out. Not sure if this is related but the key got stuck in the ignition about 3 weeks prior. The steering wheel wont lock and key will not turn the full turn back to remove it. I have played with it and got it out a couple times but it just sticks again.






























