Where is the fuse for the cigarette light located?

Tiny
WALDEMAR WALDYFLOW PABON
  • MEMBER
  • 2007 VOLKSWAGEN GTI
  • 4.0L
  • 4 CYL
  • 2WD
  • MANUAL
  • 150,000 MILES
Don't know which one is for the cigarette lighter.
Tuesday, January 4th, 2022 AT 3:44 PM

1 Reply

Tiny
JACOBANDNICKOLAS
  • MECHANIC
  • 110,194 POSTS
Hi,

It seems there are some variations based on the vehicle's production date. I attached the information below showing what I was able to find. The schematics appear the same regardless of date, but the fuse box layout may differ.

The production date should be on a label on the driver's side door frame. If you get me that, I should be able to confirm what I attached.

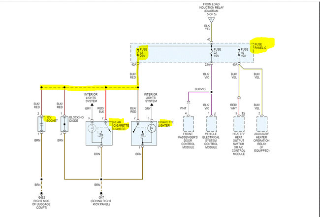
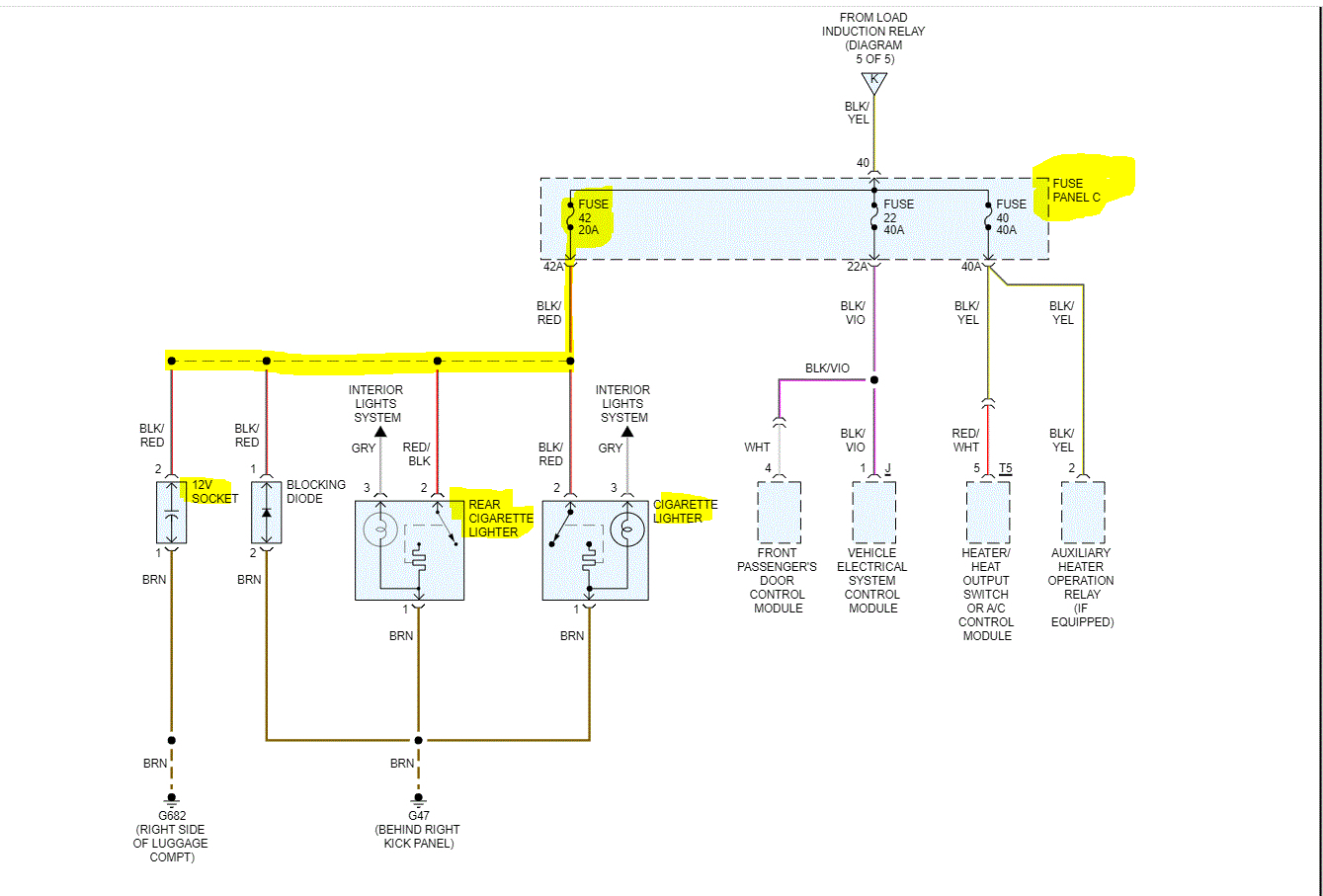
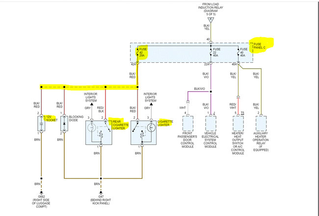
If I'm correct, fuse 42 in fuse panel C is the one you need to locate. It should be at the end of the dash panel on the driver's side.

If you look at pic 1, I highlighted the front and rear cigarette lighter and a power outlet. Each of these is powered by the same fuse. Pic 2 shows the pic in the fuse box. Check that one first.

In addition to checking the fuse, it is also important to confirm power to and from the fuse. The fuse could be good, but it may not be getting power due to something before it. Here is a link you may find helpful for testing:

https://www.2carpros.com/articles/how-to-check-a-car-fuse

Let me know if this helps and if you have questions.

Take care,

Joe

See pics below.
Was this
answer
helpful?
Yes
No
Tuesday, January 4th, 2022 AT 6:47 PM

Please login or register to post a reply.